Запчасти Case 32 (34) - SWING AND STABILIZER CYLINDER HYDRAULICS

Схема запчастей Case 32 - (34) - SWING AND STABILIZER CYLINDER HYDRAULICS
FIT
1:1
100%

Артикул

Название

Примечание

Количество

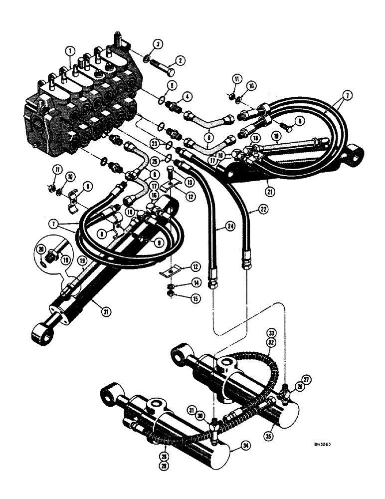
1

D30776

VALVE - hydraulic control, backhoe (See page 28 for breakdown)

1шт.

2

13-660

BOLT,Hex, 3/8" - 16 x 3-3/4", Gr 5

HHCS - 3/8" - 16 NC x 3-3/4"

3шт.

3

92-6

LOCK WASHER,3/8"

3шт.

4

D31544

CONNECTOR - straight (3/4" JIC x 1/2" JIC)

4шт.

5

2185008

SEAL - "o" ring, D31544 connector

1шт.

6

D31538

TUBE

- valve to stabilizer cylinder hoses

4шт.

7

D31540

HOSE

- to stabilizer cylinders (3/8" I.D. x 3/4" O.D. x 21-1/8" long)

4шт.

8

R15257

CLAMP

- plate, special (Rubber coated) stabilizer cylinder hoses in mounting frame

4шт.

9

13-520

BOLT,Hex, 5/16" - 18 x 1-1/4", Gr 5

HHCS - 5/16" - 18 NC x 1-1/4"

2шт.

10

92-5

LOCK WASHER,5/16"

2шт.

11

9635082

NUT,5/16" - 18, Gr 5

- hex. (5/16" - 18 NC)

2шт.

12

32978

PLATE ASSY.

CLAMP - plate, hoses at stabilizer cylinder

4шт.

13

13-520

BOLT,Hex, 5/16" - 18 x 1-1/4", Gr 5

HHCS - 5/16" - 18 NC x 1-1/4"

2шт.

14

92-5

LOCK WASHER,5/16"

2шт.

15

9635082

NUT,5/16" - 18, Gr 5

- hex. (5/16" - 18 NC)

2шт.

16

D23974

ELBOW

- adjustable, 90 degree street (3/8" NPT x 5/8" JIC) rear port of stabilizer cylinders

2шт.

17

237-6010

O-RING,0.097" Thk x 0.755" ID, -910, Cl 6, 90 Duro

SEAL - "o" ring, D29313 elbow (Not shown)

1шт.

18

D26361

FITTING

ELBOW - 90 degree, hose to tube on cylinders (3/8" NPT x 5/8" JIC)

2шт.

19

D27859

TUBE

- to lower port of stabilizer cylinder

2шт.

20

237-6010

O-RING,0.097" Thk x 0.755" ID, -910, Cl 6, 90 Duro

SEAL - "o" ring, D27859 tube

1шт.

21

D27754

CYLINDER

- stabilizer, hydraulic, See Figure 40 for breakdown

2шт.

22

D30796

HOSE ASSY.

HOSE - R.H. swing cylinder to upper valve port (1/2" I.D. x 7/8" O.D. x 22" long), swing cylinder hydraulics

1шт.

23

218-5008

O-RING,0.116" Thk x 0.924" ID, -912, Cl 6, 90 Duro

SEAL - "O" ring, D30796 hose (Male end). sing cylinder hydraulics

1шт.

24

D30792

HOSE ASSY.

HOSE - L.H. swing cylinder to valve port (1/2" I.D. x 7/8 O.D. x 23" long), swing cylinder hydraulics

1шт.

25

218-5008

O-RING,0.116" Thk x 0.924" ID, -912, Cl 6, 90 Duro

SEAL - "o" ring, D30792 hose (Male end), swing cylinder hydraulics

1шт.

26

D25137

TEE

- adjustable male swing cylinder hose to L.H. swing cylinder (5/8" JIC), swing cylinder hydraulics

1шт.

27

237-6010

O-RING,0.097" Thk x 0.755" ID, -910, Cl 6, 90 Duro

SEAL - "o" ring, D25137 tee (Not shown), swing cylinder hydraulics

1шт.

28

D30793

HOSE ASSY.

HOSE - rear port of L.H. swing cylinder to front port of R.H. swing cylinder (1/2" I.D. x 7/8" O.D. x 23" long), swing cylinder hydraulics

1шт.

29

237-6010

O-RING,0.097" Thk x 0.755" ID, -910, Cl 6, 90 Duro

SEAL - "o" ring, D30793 hose (Not shown), swing cylinder hydraulics

1шт.

30

D24568

TEE

- adjustable male, swing cylinder hose to R.H. swing cylinder (5/8" JIC), swing cylinder hydraulics

1шт.

31

237-6010

O-RING,0.097" Thk x 0.755" ID, -910, Cl 6, 90 Duro

SEAL - "o" ring, D24568 tee (Not shown), swing cylinder hydraulics

1шт.

32

D30795

HOSE

- rear port of R.H. swing cylinder to front port of L.H. swing cylinder (1/2" I.D. x 7/8" O.D. x 22" long), swing cylinder hydraulics

1шт.

33

237-6010

O-RING,0.097" Thk x 0.755" ID, -910, Cl 6, 90 Duro

SEAL - "o" ring, D30795 hose (Not shown), swing cylinder hydraulics

1шт.

34

D30745

CYLINDER

- swing, hydraulic (R.H.), See Figure 40 for breakdown, swing cylinder hydraulics

1шт.

35

D30746

CYLINDER

- swing, hydraulic (L.H.) see Figure 40 for breakdown, swing cylinder hydraulics

1шт.

Выбрано товаров: 35