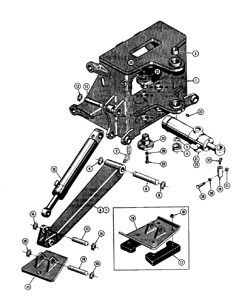
Запчасти Case 32 (04) - MOUNTING FRAME AND STABILIZERS

Схема запчастей Case 32 - (04) - MOUNTING FRAME AND STABILIZERS
FIT
1:1
100%

Артикул

Название

Примечание

Количество

1

NSS

NOT SOLD SEPARAT

FRAME - mounting, For mounting plates see Figure 14

1шт.

2

D30078

CHAIN - lock

2шт.

3

D21927

BUSHING,51.03mm ID x 63.45mm OD x 50.8mm L

- upper swing, frame to tower

1шт.

4

D23601

HOUSING

BUSHING - pivotal ball type

1шт.

5

D24431

RING

SNAP RING - D23601 bushing retaining

1шт.

6

D26908

SUPPORT

LEG - stabilizer, R.H.

1шт.

7

D26909

HOSE

LEG - stabilizer, L.H.

1шт.

8

D27187

AXLE PIN

PIN - pivot, stabilizer, Serial Range: leg-frame

2шт.

9

D25280

SNAP RING,#175, Ext

Ring, Snap, , D27187 pin #175, Ext

4шт.

10

D27754

CYLINDER

- stabilizer, hydraulic, See Figure 40 for breakdown

2шт.

11

D25079

AXLE PIN,44.45mm OD x 157.2mm L

PIN - pivot, stabilizer, Serial Range: cylinder-frame

2шт.

12

D25280

SNAP RING,#175, Ext

Ring, Snap, , D25079 pin #175, Ext

4шт.

13

D28037

AXLE PIN

PIN - pivot, stabilizer cylinder to stabilizer leg

2шт.

14

D25279

SNAP RING,M35, Int

- D28037 pin

4шт.

15

D23313

FOOT

- stabilizer, cleated pad

2шт.

16

D23326

FOOT

- stabilizer, street or cemetary pad (Optional)

2шт.

17

32838

SHOE (ASSY)

PAD - rubber, D23326 stabilizer foot (Optional)

4шт.

18

25-277

NUT - hex., special (7/16" - 20 NF)

8шт.

19

D26104

PIN

- pivot, stabilizer foot (Includes snap rings)

2шт.

20

D26918

SNAP RING,#125, Ext

Ring, Snap, , D26104 pin #125, Ext

2шт.

21

D30745

CYLINDER

- swing, hydraulic (R.H.), See Figure 40 for breakdown

1шт.

22

D30746

CYLINDER

- swing, hydraulic (L.H.), See Figure 40 for breakdown

1шт.

23

D30724

PIN

- swing cylinder to mounting frame

4шт.

24

219-39

FITTING

- grease, 45 degrees (1/8" NPT)

4шт.

25

13-832

BOLT,Hex, 1/2" - 13 x 2", Gr 5

(Attach pins to frame) Hex, 1/2"-13 x 2", G5

16шт.

26

92-8

LOCK WASHER,1/2"

16шт.

27

219-1

LUBE NIPPLE,1/8" - 27 NPTF

FITTING - grease, straight (1/8" NPT)

1шт.

28

D30761

PIN

- swing cylinder to swing tower

2шт.

29

13-1064

BOLT,Hex, 5/8" - 11 x 4", Gr 5

HHCS - 5/8" - 11 NC x 3-3/4"

2шт.

30

92-10

LOCK WASHER,5/8"

WASHER, LOCK, 5/8"

2шт.

31

25-1010

NUT,5/8"-11, G5

2шт.

32

219-39

FITTING

- grease, 45 degrees (1/8" NPT)

2шт.

Выбрано товаров: 32