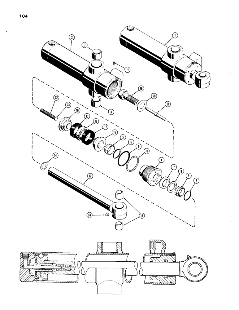
Запчасти Case 33 (104) - D49006 & D49007 SWING CYL 4" DIA CYL W/11"STROKE W/SPLIT TYPE INNER & OUTER WIPERS W/O GLAND ID RING

Схема запчастей Case 33 - (104) - D49006 & D49007 SWING CYL 4" DIA CYL W/11"STROKE W/SPLIT TYPE INNER & OUTER WIPERS W/O GLAND ID RING
FIT
1:1
100%

Артикул

Название

Примечание

Количество

1

D49007

CYLINDER BLOCK

CYLINDER ASSY. - right hand (See Note) (Order 1-G33924 cyl. (Figure 110), Includes: Ref. 2 - 24

1шт.

1

D49006

CYLINDER ASSY. - left hand (See Note) (Order 1-G32586 cyl. (Figure 106), Includes: Ref. 2 - 24

1шт.

2

D47555

TUBE

ASSY. - cyl. body, right hand, Includes: Ref. 3

1шт.

2

D47554

BODY

TUBE ASSY. - cyl. body, left hand, Includes: Ref. 3

1шт.

3

D30735

BUSHING,51.03mm ID x 60.33mm OD x 28.57mm L

- tube

2шт.

4

D45072

GLAND

- (w/out identification ring) (Order G32738 gland)(See Figure 106)

1шт.

D42875

GASKET KIT

PACKING KIT - gland (Replaces D37359 & D42875), Includes: Ref. 5 - 11

1шт.

5

D27432

SHIM

- piston rod, inner and outer (split type)

2шт.

6

A14515

O-RING,0.139" Thk x 1.859" ID, -225, Cl 5, 75 Duro

"O" RING - wiper (1-7/8 x 2-1/8 x 1/8")

2шт.

7

D36970

CUP

SEAL - piston rod (1-3/4 x 2-1/4 x 7/16")

1шт.

8

D28499

RING

- piston seal back-up

1шт.

9

A27507

O-RING,0.139" Thk x 3.984" ID, -242, Cl 5, 75 Duro

"O" RING - gland (4 x 4-1/4 x 1/8")

1шт.

10

D27382

RING

- gland "O" ring back-up

1шт.

11

187-1031

SELF-TAP SCREW,Pan, 0.164"-32 x 1/4"

SCREW - gland lock (#8-32 x 1/4" self tapping)

1шт.

12

D49008

ROD

ASSY. - piston (1-3/4" dia.)(w/o identification ring), Includes: Ref. 13

1шт.

13

D32865

BUSHING,38.33mm ID x 47.63mm OD x 22.35mm L

- piston rod

2шт.

14

D95035

WASHER

- piston rod (1-1/4 x 1-11/64 x 13/64")

1шт.

15

D49160

PISTON

- split rod (Replaces D38687) (w/out identification ring)

1шт.

16

D49161

PISTON

- split (bolt end)(Replaces D38686)

1шт.

17

D47204

PACKING,89.15mm ID x 100.86mm OD

ASSY. - piston ("V" type)(Replaces D43112)

2шт.

18

D47209

BEARING,3.006" ID x 3.987" OD x 0.631"

RING - center bearing (Replaces D43113)

1шт.

19

D41359

BOLT,Hex, 1 1/4" - 12 x 63.5mm, Gr 8

- piston & restrictor pin

1шт.

20

D36434

WASHER

- (1-11/32 x 2-1/2 x 9/64")(Replaces D95033)

1шт.

21

D38679

PIN

- restrictor

1шт.

22

D38683

SPRING

- pin (5" free length)

1шт.

23

D38684

SPACER

SEAT - spring (3/4" dia. x 1/8")

1шт.

24

219-1

LUBE NIPPLE,1/8" - 27 NPTF

FITTING - grease (1/8" P.T., str.)

1шт.

Выбрано товаров: 0