Запчасти Case 33 (118) - D48962 & D49533 BOOM CYL., 4-1/2" DIA. CYL. WITH 39-3/16" STROKE

Схема запчастей Case 33 - (118) - D48962 & D49533 BOOM CYL., 4-1/2" DIA. CYL. WITH 39-3/16" STROKE
FIT
1:1
100%

Артикул

Название

Примечание

Количество

1

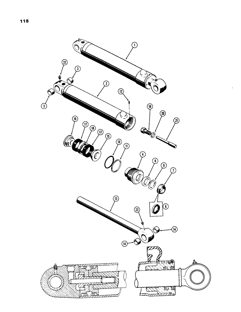
D48962

CYLINDER ASSY. - (Order G32592 cyl.)(See Figure 120), Includes: Ref. 2 - 22

1шт.

1

D49533

CYLINDER

ASSY. - (Order G32592 cyl.)(See Figure 120), Includes: Ref. 2 - 22

1шт.

2

G32709

TUBE

ASSY. - cyl. body (Replaces D48979), Includes: Ref. 3

1шт.

3

D38478

BUSHING

- tube

2шт.

4

D39369

GLAND

ASSY. - w/bushing (used w/D48962 cyl.) (used with step type rod wiper)

1шт.

5

D49502

GLAND

ASSY. - w/bushing (used w/D49533 cyl.) (used with U-type rod wiper)

1шт.

D42878

GLAND

PACKING KIT - gland, Includes: Ref. 6 - 12

1шт.

6

D95145

WIPER SEAL,54.79mm ID x 70.09mm OD x 7.91mm W

WIPER - piston rod, outer (U-type) (2-1/4 x 2-3/4 x 5/16")(used w/D49502 gland)

1шт.

7

D39360

WIPER

- piston rod, outer (step type) (used w/D39696 gland)

1шт.

8

G107924

SEAL,57.1mm ID x 69.9mm OD x 10.69mm Thk

- piston rod (2-1/2 x 2-3/4 x 7/16")

1шт.

9

G107924

SEAL,57.1mm ID x 69.9mm OD x 10.69mm Thk

RING - rod seal back-up

1шт.

10

A23316

O-RING,0.139" Thk x 4.484" ID, -246, Cl 5, 75 Duro

"O" RING - gland (4-1/2 x 4-3/4 x 1/8")

1шт.

11

D42452

RING

- gland "O" ring back-up (spiral type)

1шт.

11

D38932

BACK-UP RING

RING - "O" ring back-up (leather type)

1шт.

12

187-1031

SELF-TAP SCREW,Pan, 0.164"-32 x 1/4"

SCREW - gland lock (#8-32 x 1/4" self tapping)

1шт.

13

D48963

ROD

ASSY. - piston (2-1/4" dia.), Includes: Ref. 14

1шт.

14

D38478

BUSHING

- piston rod

2шт.

15

D38933

PISTON ASSY.

PISTON - split (rod end)

1шт.

16

D38934

PISTON

- split (bolt end)

1шт.

17

D47205

PACKING

ASSY. - piston ("V" type)

2шт.

18

D47210

BEARING WASHER,82.58mm ID x 113.97mm OD x 19mm Thk

RING - center bearing

1шт.

19

D48966

BOLT

- piston & cushion relief pin

1шт.

20

D95033

WASHER

- bolt (1-23/64 x 2-1/2 x 9/64")

1шт.

21

D47196

PIN

- cushion relief

1шт.

22

219-1

LUBE NIPPLE,1/8" - 27 NPTF

FITTING - grease (1/8" P.T., str.)

2шт.

Выбрано товаров: 25