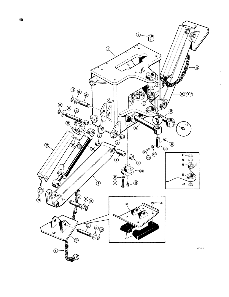
Запчасти Case 33 (010) - MOUNTING FRAME AND STABILIZERS

Схема запчастей Case 33 - (010) - MOUNTING FRAME AND STABILIZERS
FIT
1:1
100%

Артикул

Название

Примечание

Количество

1

D37390

FRAME - backhoe mounting (Used before backhoe serial no. 4172713), Includes: Ref. 2 - 5

1шт.

1

D44975

FRAME - backhoe mounting (Used on backhoe serial no. 4172713 and after), Includes: Ref. 2 - 5

1шт.

2

D21927

BUSHING,51.03mm ID x 63.45mm OD x 50.8mm L

- upper, frame to swing tower

1шт.

3

D23601

HOUSING

BUSHING - pivotal ball type (D37390 frame only)

1шт.

3a

D43508

BUSHING

- frame to swing tower, lower (D44975 frame only) Not shown

1шт.

4

D24431

RING

- bushing retaining (D23601 bushing only)

1шт.

5

D37392

BUSHING,44.68mm ID x 53.98mm OD x 31.75mm L

- lower, stabilizer bracket

4шт.

6

D37426

SUPPORT ASSY.

LEG - stabilizer, R.H., Includes: Ref. 7 - 9

1шт.

7

D37392

BUSHING,44.68mm ID x 53.98mm OD x 31.75mm L

-, Serial Range: leg-frame

2шт.

8

D38134

BUSHING

SPACER - bushing

1шт.

9

D39373

CHAIN (AG)

CHAIN - transport

1шт.

10

D37425

SUPPORT ASSY.

LEG - stabilizer, H.H., Includes: Ref. 11 - 13

1шт.

11

D37392

BUSHING,44.68mm ID x 53.98mm OD x 31.75mm L

-, Serial Range: leg-frame

2шт.

12

D38134

BUSHING

SPACER - bushing

1шт.

13

D39373

CHAIN (AG)

CHAIN - transport

1шт.

14

D25280

SNAP RING,#175, Ext

Ring, Snap, , pin #175, Ext

4шт.

15

195-2152

WASHER,1 13/16" x 2 1/2" x .109"

- flat, steel (1-13/16")

4шт.

16

D37602

PIN

- stabilizer, Serial Range: leg-frame

2шт.

17

REF

INSTRUCTION

CYLINDER - hydraulic, R.H. stabilizer (3-1/2" I.D. x 16-3/8" stroke) Parts list Figures 96 thru 100

1шт.

REF

INSTRUCTION

CYLINDER - hydraulic, L.H. stabilizer (3-1/2" I.D. x 16-3/8" stroke) Parts list Figures 96 thru 100

1шт.

18

D25279

SNAP RING,M35, Int

RING - pin retaining

8шт.

19

D28610

WASHER,38.5mm ID x 63.5mm OD x 2.66mm Thk

- special, 1/8" thick

8шт.

20

D37606

PIN,38.1mm OD x 103.5mm L

- stabilizer cylinder, closed end

2шт.

21

D37606

PIN,38.1mm OD x 103.5mm L

- stabilizer cylinder, rod end (Used without stabilizer shield)

2шт.

D40941

PIN,38.1mm OD x 149.22mm L

- stabilizer cylinder, rod end (Used with stabilizer shield)

2шт.

22

13-512

BOLT,Hex, 5/16" - 18 x 3/4", Gr 5

4шт.

23

195-21

WASHER,5/16"

- plain () 5/16"

4шт.

24

92-5

LOCK WASHER,5/16"

med sect. 5/16"

4шт.

25

9635082

NUT,5/16" - 18, Gr 5

- hex. (5/16" - 18NC)

4шт.

26

D40931

STRAP - shield mounting

2шт.

27

D40933

SHIELD - stabilizer cylinder

2шт.

28

D28610

WASHER,38.5mm ID x 63.5mm OD x 2.66mm Thk

- special, 1/8" thick

8шт.

29

D38080

FOOT REST

FOOT - stabilizer, cleated

2шт.

30

D26918

SNAP RING,#125, Ext

Ring, Snap, , pin #125, Ext

4шт.

31

195-2125

WASHER,1 5/16" x 2" x .109"

- flat, steel (1-5/16")

4шт.

32

D37603

PIN

- stabilizer foot

2шт.

33

D38079

FOOT REST

FOOT - stabilizer, street or cemetery pad (Optional)

2шт.

34

D40469

SHOE (ASSY)

PAD - rubber, D38079 stabilizer foot (Optional)

4шт.

35

D29712

SPECIAL NUT

- hex., special

8шт.

36

REF

INSTRUCTION

CYLINDER - hydraulic, R.H. swing (See Figures 102 thru 108 for proper cylinder)

1шт.

37

REF

INSTRUCTION

CYLINDER - hydraulic, L.H. swing (See Figure 102 thru 108 for proper cylinder)

1шт.

38

D30724

PIN

- swing, Serial Range: cylinder-frame

4шт.

39

13-832

BOLT,Hex, 1/2" - 13 x 2", Gr 5

16шт.

40

92-8

LOCK WASHER,1/2"

med. sect. 1/2"

16шт.

41

D30761

PIN

- swing cylinder to swing tower (Used before Backhoe serial no. 4175260)

2шт.

41

D47866

PIN,38.1mm OD x 139.7mm L

- cylinder to swing tower (Used on backhoe serial no. 4175260 and after)

2шт.

42

13-1064

BOLT,Hex, 5/8" - 11 x 4", Gr 5

HHCS - 5/8" - 11 NC x 4"

2шт.

43

92-10

LOCK WASHER,5/8"

WASHER, LOCK, 5/8"

2шт.

44

25-1010

NUT,5/8"-11, G5

2шт.

45

219-1

LUBE NIPPLE,1/8" - 27 NPTF

FITTING - grease, straight (1/8" NPT)

1шт.

D14016

KIT

- bushing, lower mounting frame, Includes: Ref. 47 - 50

1шт.

47

D26991

BEARING

SPACER - bearing

2шт.

48

49477

RING, SNAP

3.156", Int, #315, bushing, D23601 bushing only

1шт.

49

D23601

HOUSING

BUSHING - pivotal ball type

1шт.

50

D42630

BEARING

RETAINER - bearing

1шт.

Выбрано товаров: 55