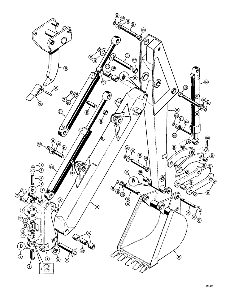
Запчасти Case 33 (036) - TOWER, BOOM, DIPPER ARM AND BUCKET, BOOM AND DIPPER ARM, WITH FABRICATED CYLINDER ANCHORS

Схема запчастей Case 33 - (036) - TOWER, BOOM, DIPPER ARM AND BUCKET, BOOM AND DIPPER ARM, WITH FABRICATED CYLINDER ANCHORS
FIT
1:1
100%

Артикул

Название

Примечание

Количество

1

D45031

SPARE PART Backhoe swing, Includes Ref. 2 & 3

1шт.

2

D30756

BUSHING,51.02mm ID x 63.5mm OD x 31.8mm L

Tower at mounting frame

2шт.

3

D38478

BUSHING

Tower at boom cylinder

2шт.

4

D44733

PIN

Mounting frame to swing tower, lower

1шт.

5

D44813

SHIM,53.34mm ID x 76.2mm OD x 0.89mm Thk

Tower

1шт.

6

D33637

PIN

Mounting frame to swing tower, upper

1шт.

7

195-2155

WASHER,2 1/16" x 3" x .109"

3шт.

8

D26919

SNAP RING,#200, Ext

2шт.

9

219-1

LUBE NIPPLE,1/8" - 27 NPTF

Straight (1/8" NPT)

2шт.

10

D44888

PIN

Boom to swing tower

1шт.

11

D49182

WASHER

Special

1шт.

12

D26919

SNAP RING,#200, Ext

1шт.

13

219-55

LUBE NIPPLE,90 Degree Elbow, 1/8" - 27 NPTF

1шт.

14

D44956

SPARE PART Backhoe (on all models except those featuring hydraulic extendable dippers) When stock is exhausted, order D50776 and D50777 tubes, parts list page 88 and D50775 boom for service, Serial Range: -4176351

1шт.

14

D50775

BOOM

Backhoe (Used with all hydraulic extendable dippers and on backhoe as production item; with D50776 and D50777 tubes as service replacement), Includes Ref. 15, 15A & 16, Start Serial: 4176351

1шт.

15

D44648

BUSHING

Upper and lower

4шт.

15a

D37416

BUSHING

SPACER, at boom castings

2шт.

16

D43940

BUSHING,44.68mm ID x 57.15mm OD x 25.4mm L

Cylinder mountings

4шт.

17

D45034

PIN

Boom to dipper arm

1шт.

18

195-2155

WASHER,2 1/16" x 3" x .109"

2шт.

19

219-39

FITTING

Grease, 45 degrees (1/8" NPT)

1шт.

20

D26919

SNAP RING,#200, Ext

2шт.

21

D43956

BALANCER

DIPPER ARM - backhoe, Includes Ref. 22 - 24B

1шт.

22

D43946

BUSHING,51.02mm ID x 63.5mm OD x 35.6mm L

Dipper, at boom

2шт.

23

D37392

BUSHING,44.68mm ID x 53.98mm OD x 31.75mm L

Dipper, at bucket cylinder

2шт.

24

D43940

BUSHING,44.68mm ID x 57.15mm OD x 25.4mm L

Dipper, at crowd cylinder

2шт.

24a

D37443

BUSHING,44.68mm ID x 57.15mm OD x 50.8mm L

Dipper, at bucket

2шт.

24b

D30933

BUSHING,38.41mm ID x 47.63mm OD x 31.75mm L

Dipper, at bucket links

2шт.

25

219-1

LUBE NIPPLE,1/8" - 27 NPTF

Straight (1/8" NPT)

1шт.

26

D37612

PIN,38.1mm OD x 222.25mm L

Buckets linkage to dipper arm

1шт.

27

D28610

WASHER,38.5mm ID x 63.5mm OD x 2.66mm Thk

Special

2шт.

28

D25279

SNAP RING,M35, Int

2шт.

29

D37445

LINK

Bucket cylinder to dipper arm (RH)

1шт.

30

D37444

LINK

SPARE PART Bucket cylinder to dipper arm (LH), Includes Ref. 31 & 32

1шт.

31

D30933

BUSHING,38.41mm ID x 47.63mm OD x 31.75mm L

Link, at bucket cylinder

1шт.

32

D32919

BUSHING,38.4mm ID x 47.63mm OD x 19.05mm L

Link, at dipper arm

1шт.

33

D37452

LINK

Bucket, Serial Range: cylinder-bucket

2шт.

34

D30933

BUSHING,38.41mm ID x 47.63mm OD x 31.75mm L

Link

2шт.

35

D37613

PIN

Bucket to dipper arm

1шт.

36

D42044

PIN - bucket to dipper arm (D37472 and D41547 buckets only)

1шт.

37

195-2152

WASHER,1 13/16" x 2 1/2" x .109"

(1-3/4")

2шт.

38

D25280

SNAP RING,#175, Ext

2шт.

39

D37614

PIN,38mm Od x 246mm L

Link to bucket (Used on all buckets except heavy duty)

1шт.

39

D30899

PIVOT PIN,38.1mm OD x 338.14mm L

Link to bucket (Heavy duty bucket only)

1шт.

39

D37793

PIN

Link to frost point (Frost point only)

1шт.

40

D37450

SPACER,40.89mm ID x 48.26mm OD x 63.5mm L

SPACER - link

1шт.

41

D28610

WASHER,38.5mm ID x 63.5mm OD x 2.66mm Thk

Flat (1-3/64")

2шт.

42

D25279

SNAP RING,M35, Int

2шт.

43

REF

INSTRUCTION

BUCKET - backhoe (Fig. 52 - 58 for options)

1шт.

D42577

SPARE PART

FROST POINT ASSEMBLY - backhoe, Includes Ref. 44 - 46

1шт.

44

NSS

NOT SOLD SEPARAT

BODY - frost point

1шт.

45

D43416

POINT

Tooth

1шт.

46

D43417

PIN

FLEX - point

1шт.

47

R10830

WASHER

Special (1/16" thick)

1шт.

48

51200255

SEALING WASHER,45.77mm ID x 62.18mm OD x 1.59mm Thk

Special (1/16" thick)

1шт.

49

D38480

PIN

Boom cylinder mounting at swing tower

1шт.

50

195-2156

WASHER,1 13/16" x 2 3/4" x .109"

Flat (1-13/16")

2шт.

51

RESERVED

1шт.

52

D25280

SNAP RING,#175, Ext

2шт.

53

REF

INSTRUCTION

CYLINDER - hydraulic, boom (Fig. 116 & 118 for proper cylinder)

1шт.

54

D45047

PIN

Boom and crowd, Serial Range: cylinder-boom

2шт.

55

195-2156

WASHER,1 13/16" x 2 3/4" x .109"

4шт.

56

D25280

SNAP RING,#175, Ext

4шт.

57

REF

INSTRUCTION

CYLINDER - hydraulic, crowd (Fig. 122 & 124 for proper cylinder)

1шт.

58

D43959

PIN

Crowd cylinder to dipper arm

1шт.

59

195-2156

WASHER,1 13/16" x 2 3/4" x .109"

4шт.

60

D25280

SNAP RING,#175, Ext

2шт.

61

D37611

PIVOT PIN,44.45mm OD x 255.59mm L

Bucket cylinder to dipper arm

1шт.

62

195-2152

WASHER,1 13/16" x 2 1/2" x .109"

(1-3/4")

2шт.

63

D25280

SNAP RING,#175, Ext

2шт.

64

REF

INSTRUCTION

CYLINDER - hydraulic, bucket (Fig. 128 &130 for proper cylinder)

1шт.

65

D37612

PIN,38.1mm OD x 222.25mm L

Bucket, Serial Range: cylinder-linkage

1шт.

66

195-63

WASHER,1 5/8" x 3 1/4" x .180"

SPACER - bucket cylinder

2шт.

67

D28610

WASHER,38.5mm ID x 63.5mm OD x 2.66mm Thk

Special

2шт.

68

D25279

SNAP RING,M35, Int

2шт.

69

D31312

WASHER

Special (1/16" thick)

1шт.

Выбрано товаров: 0