Запчасти Case 33S (044) - BOOM, CROWD AND BUCKET CYLINDER HYDRAULICS

Схема запчастей Case 33S - (044) - BOOM, CROWD AND BUCKET CYLINDER HYDRAULICS
38
33
7
59
5
4
33
71
29
40
11
72
1
39
50
12
61
23
36
22
17
12
57
62
9
30
43
2
13
24
10
69
3
20
14
8
57
51
60
55
49
65
16
48
26
19
18
54
34
70
64
67
71
53
27
25
44
7
52
68
56
73
37
15
45
28
27
47
6
45
58
31
63
35
48
56
55
66
21
14
42
43
32
69
46
41
FIT
1:1
100%

Артикул

Название

Примечание

Количество

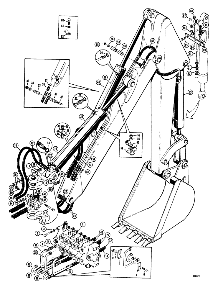
1

D37928

SPARE PART CONTROL backhoe, parts list page 083, early production

1шт.

2

13-660

BOLT,Hex, 3/8" - 16 x 3-3/4", Gr 5

Early production

3шт.

3

92-6

LOCK WASHER,3/8"

early production

3шт.

4

218-5064

HYD CONNECTOR,1-1/16" - 12 Male JIC x 1-1/16" - 12 Male ORB

MALE straight, early production

6шт.

5

218-5008

O-RING,0.116" Thk x 0.924" ID, -912, Cl 6, 90 Duro

Seal, Early production

1шт.

6

13-528

BOLT,Hex, 5/16" - 18 x 1-3/4", Gr 5

HCCS 5/16" - 18 NC x 1-3/4", early production

3шт.

7

D20045

PLATE ASSY.

CLAMP tube, early production

6шт.

8

95-5

WASHER,3/8" x 7/8" x .083"

WROT standard, 5/16, early production

3шт.

9

131-4

LOCK NUT,5/16"-18, GB

Early production

3шт.

10

D36654

TUBE

SECTION boom, upper port, cylinder hydraulics

1шт.

11

D36923

TUBE

SECTION boom, lower port, cylinder hydraulics

1шт.

12

D38626

HOSE ASSY.

UPPER boom section port to boom cylinder, closed end, 58-1/2" long, hydraulics

1шт.

13

218-5008

O-RING,0.116" Thk x 0.924" ID, -912, Cl 6, 90 Duro

Seal, Boom cylinder hydraulics

1шт.

14

D38124

HOSE

LOWER boom section port to boom cylinder, rod end, 57" long, hydraulics

1шт.

15

13-624

BOLT,Hex, 3/8" - 16 x 1-1/2", Gr 5

Boom cylinder hydraulics

1шт.

16

R15257

CLAMP

HOSE boom cylinder hydraulics

2шт.

17

195-25

WASHER,3/8"

Boom cylinder hydraulics

1шт.

18

131-6

LOCK NUT,3/8"-16, GC

HEX lock, 3/8" - 16 NC, boom cylinder hydraulics

1шт.

19

D37232

BOOM

SPARE PART TUBE cylinder, rod end, hydraulics

1шт.

20

214-269

HOSE CLAMP,#72, 4.06" - 5", Type F Worm

TUBE to cylinder, boom hydraulics

1шт.

21

D38648

BLOCK

SPACER clamp

1шт.

22

218-5064

HYD CONNECTOR,1-1/16" - 12 Male JIC x 1-1/16" - 12 Male ORB

MALE straight

1шт.

23

218-5008

O-RING,0.116" Thk x 0.924" ID, -912, Cl 6, 90 Duro

Seal

1шт.

24

REF

INSTRUCTION

CYLINDER hydraulic, boom, see Figures 060 and 062 for proper cylinder

1шт.

25

D30773

TUBE

SECTION crowd, upper port, cylinder hydraulics

1шт.

26

D30771

TUBE

SPARE PART SECTION crowd, lower port, cylinder hydraulics

1шт.

27

D37216

HOSE ASSY.

VALVE to crowd cylinder, 72-1/2" long, hydraulics

2шт.

28

131-6

LOCK NUT,3/8"-16, GC

HEX lock, 3/8" - 16 NC, crowd cylinder hydraulics

1шт.

29

195-25

WASHER,3/8"

Boom cylinder hydraulics

1шт.

30

D40236

CLAMP

HOSE

1шт.

31

D33554

BUSHING

SPACER clamp

1шт.

32

13-532

BOLT,Hex, 5/16" - 18 x 2", Gr 5

Crowd cylinder hydraulics

1шт.

33

D33316

CLAMP

TUBE

2шт.

34

195-21

WASHER,5/16"

Crowd cylinder hydraulics

1шт.

35

131-4

LOCK NUT,5/16"-18, GB

Crowd cylinder hydraulics

1шт.

36

218-5065

HYD CONNECTOR,1-1/16" - 12 Male JIC x 7/8" - 14 Male ORB

Male, straight, crowd cylinder hydraulics

1шт.

37

218-5007

O-RING,0.097" Thk x 0.755" ID, -910, Cl 6, 90 Duro

SEAL crowd cylinder hydraulics

1шт.

38

D37230

SPARE PART CYLINDER crowd, rod end, used with D37623 crowd cylinder only, hydraulics

1шт.

D42624

TUBE

CYLINDER crowd, rod end, used with D42626 crowd cylinder only, hydraulics

1шт.

39

218-5008

O-RING,0.116" Thk x 0.924" ID, -912, Cl 6, 90 Duro

Seal, Used with D37230 tube only, crowd cylinder hydraulics

1шт.

218-5007

O-RING,0.097" Thk x 0.755" ID, -910, Cl 6, 90 Duro

SEAL used with D42624 tube only, crowd cylinder hydraulics

1шт.

40

REF

INSTRUCTION

CYLINDER hydraulic, crowd, see Figures 064 and 066 for proper cylinder

1шт.

41

D30773

TUBE

SECTION bucket, upper port, cylinder hydraulics

1шт.

42

D30771

TUBE

SPARE PART SECTION bucket, lower port, cylinder hydraulics

1шт.

43

D39358

HOSE ASSY.

VALVE to bucket cyilnder, 54" long, hdyraulics

2шт.

44

13-532

BOLT,Hex, 5/16" - 18 x 2", Gr 5

Bucket cylinder hydraulics

2шт.

45

195-21

WASHER,5/16"

Bucket cylinder hydraulics

4шт.

46

131-4

LOCK NUT,5/16"-18, GB

Bucket cylinder hydraulics

2шт.

47

13-556

BOLT,Hex, 5/16" - 18 x 3-1/2", Gr 5

Bucket cylinder hydraulics

2шт.

48

D26125

CLAMP

HOSE outer, bucket cylinder hydraulics

2шт.

49

D26124

HOSE

CLAMP center, bucket cylinder hydraulics

1шт.

50

195-21

WASHER,5/16"

Bucket cylinder hydraulics

2шт.

51

131-4

LOCK NUT,5/16"-18, GB

Bucket cylinder hydraulics

2шт.

52

D26231

NUT

HEX jam, special, bucket cylinder hydraulics

2шт.

53

D37640

SPARE PART VALVE to bucket cylinder, R.H., bucket cylinder hydraulics

1шт.

54

D37638

TUBE

VALVE to bucket cylinder, L.H., hydraulics

1шт.

55

131-4

LOCK NUT,5/16"-18, GB

Bucket cylinder hydraulics

4шт.

56

195-21

WASHER,5/16"

Bucket cylinder hydraulics

4шт.

57

515-23190

CLAMP,3/4", Insul, 3/8" Bolt

TUBE bucket cylinder hydraulics

6шт.

58

D38665

SPACER tube, lower and intermediate clamps, bucket cylinder hydraulics

2шт.

59

D37330

SPARE PART SPACER tube, upper clamps, bucket cylinder hydraulics

2шт.

60

13-610

BOLT,Hex, 3/8" - 16 x 5/8", Gr 5, Full Thd

Intermediate production, bucket cylinder hydraulic

2шт.

61

D41165

CLAMP,19mm ID, 10.5mm Bolt Hole, J Type

TUBE intermediate production, bucket cylinder hydraulics

2шт.

62

92-6

LOCK WASHER,3/8"

intermediate production, bucket cyilnder hydraulics

2шт.

63

D37635

HOSE

VALVE to bucket cylinder, 40" long, bucket cylinder hydraulics

2шт.

64

D37229

SPARE PART BAR space tube, bucket cylinder hydraulics

1шт.

65

13-516

BOLT,Hex, 5/16" - 18 x 1", Gr 5

Bucket cylinder hydraulics

3шт.

66

515-23190

CLAMP,3/4", Insul, 3/8" Bolt

TUBE

3шт.

67

195-21

WASHER,5/16"

Bucket cylinder hydraulics

3шт.

68

131-4

LOCK NUT,5/16"-18, GB

Bucket cylinder hydraulics

3шт.

69

D37632

TUBE

CYLINDER to bucket, closed end, hydraulics

1шт.

70

D37636

TUBE

CYLINDE to bucket, rod end, hydraulics

1шт.

71

218-5065

HYD CONNECTOR,1-1/16" - 12 Male JIC x 7/8" - 14 Male ORB

Male, straight, bucket cylinder hydraulics

2шт.

72

218-5007

O-RING,0.097" Thk x 0.755" ID, -910, Cl 6, 90 Duro

SEAL bucket cylinder hydraulics

1шт.

73

REF

INSTRUCTION

CYLINDER hydraulic, bucket, see Figure 068 and 070 for proper cylinder

1шт.

Выбрано товаров: 75