Запчасти Case 33S (008) - SIDE SHIFT FRAMES AND STABILIZERS

Схема запчастей Case 33S - (008) - SIDE SHIFT FRAMES AND STABILIZERS
25
21
45
48
39
26
20
13
33
11
50
10
36
38
30
7
19
37
8
7
16
17
47
2
3
14
24
32
28
23
49
9
6
18
12
5
35
15
31
29
4
46
52
1
49
44
22
9
8
27
34
51
4
FIT
1:1
100%

Артикул

Название

Примечание

Количество

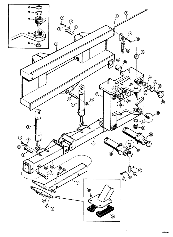
1

D35604

FRAME side, shift, stationary

1шт.

2

D36801

ROD

SUPPORT hose

1шт.

3

132-48

COTTER PIN,1/8" x 1"

2шт.

4

REF

INSTRUCTION

HYDRAULIC cylinder, stabilizer, see Figure 054 for proper cylinder

2шт.

5

D35675

AXLE PIN

STABILIZER cylinder at frame

2шт.

6

D36710

PIN

STABILIZER cylinder at leg

2шт.

7

13-1020

BOLT,Hex, 5/8" - 11 x 1-1/4", Gr 5, Full Thd

4шт.

8

92-10

LOCK WASHER,5/8"

4шт.

9

70523

WASHER,16.67mm ID x 47.63mm OD x 6.35mm Thk

PIN retaining

4шт.

10

D35582

LEG stabilizer, R.H.

1шт.

11

D35583

SPARE PART STABILIZER, L.H.

1шт.

12

D35680

AXLE PIN

LEG stabilizer

2шт.

13

D25280

SNAP RING,#175, Ext

4шт.

14

D35572

SPARE PART EXTENSION stabilizer

2шт.

15

D35569

AXLE PIN

MOUNTING leg

2шт.

16

D33805

PIN

RETAINING

2шт.

17

D35563

PAD

FOOT stabilizer, cleated

2шт.

18

14-724

SCREW,Hex, 7/16" - 20 x 1 1/2", Gr 5

HHCS 7/16" - 20 NF x 1-1/2"

8шт.

19

92-7

LOCK WASHER,7/16"

8шт.

20

25-117

NUT,7/16"-20, G5

HEX 7/16" - 20 NF

8шт.

21

D40469

SHOE (ASSY)

PAD rubber (optional)

4шт.

22

D29712

SPECIAL NUT

HEX special, 7/16" - 20 NF

8шт.

23

D35601

SPARE PART FRAME side shift, used with D37423 tower only

1шт.

Used on models without foot locks or shields.

1шт.

23

D44345

SPARE PART SHIFT side

1шт.

Used on models with foot locks or shields.

1шт.

24

D21927

BUSHING,51.03mm ID x 63.45mm OD x 50.8mm L

SWING upper, Serial Range: frame-tower

1шт.

25

D23601

HOUSING

BUSHING pivotal ball type

1шт.

26

100-21315

SNAP RING,3.156", Int, #315

BUSHING retaining, CLAMP P-type, attaches to coolant recovery reservoir

1шт.

Part of D14016 Bushing Kit.

1шт.

27

219-1

LUBE NIPPLE,1/8" - 27 NPTF

1шт.

28

D37183

CHAIN (AG)

TRANSPORT

2шт.

29

13-1020

BOLT,Hex, 5/8" - 11 x 1-1/4", Gr 5, Full Thd

4шт.

30

92-10

LOCK WASHER,5/8"

4шт.

D36438

COVER

ASSEMBLY locking cylinder, D35601 frame only

4шт.

31

NSS

NOT SOLD SEPARAT

COVER locking cylinder

1шт.

32

NSS

NOT SOLD SEPARAT

PIN stop, 1/2" dia x 4-3/8"

1шт.

33

G15457

O-RING,0.139" Thk x 3.484" ID, -238, Cl 5, 75 Duro

COVER seal

4шт.

34

D35889

SEAL,76.2mm ID x 85.72mm OD x 2.39mm Thk

BACKUP

8шт.

35

R13774

O-RING,0.21" Thk x 2.975" ID, -337, Cl 5, 75 Duro

Tube

4шт.

36

D35523

PISTON ASSY.

CYLINDER locking

4шт.

37

D35540

SHOE

FRAME locking

4шт.

38

REF

INSTRUCTION

CYLINDER L.H., swing, see Figures 056 and 058 for proper cylinder

1шт.

39

REF

INSTRUCTION

CYLINDER R.H., swing, see Figures 056 and 058 for proper cylinder

1шт.

40

D30724

PIN

SWING cylinder to swing tower

4шт.

40

D30724

PIN

SWINGcylinder to swing tower

4шт.

41

13-832

BOLT,Hex, 1/2" - 13 x 2", Gr 5

16шт.

42

92-8

LOCK WASHER,1/2"

16шт.

43

219-39

FITTING

GREASE 45°, 1/8" NPT

4шт.

44

D30761

PIN

CYLINDER to swing tower

2шт.

Before Backhoe S/N 4175260

1шт.

44

D47866

PIN,38.1mm OD x 139.7mm L

CYLINDER to swing tower

2шт.

Backhoe S/N 4175260 and after.

1шт.

44

D47866

PIN,38.1mm OD x 139.7mm L

CYLINDER to swing tower

2шт.

Backhoe S/N 4175260 and after.

1шт.

45

113-635

X

HHCS 5/8" - 11 NC x 4", grade 8

2шт.

45

113-635

X

HHCS 5/8" - 11 NC x 4" grade 8

2шт.

46

92-10

LOCK WASHER,5/8"

2шт.

47

25-1010

NUT,5/8"-11, G5

2шт.

48

219-39

FITTING

GREASE 45°, 1/8" NPT, D30761 pin only

2шт.

D14016

KIT

BUSHING lower mounting frame, Includes: Ref. No. 26

1шт.

49

D26991

BEARING

BEARING spacer

2шт.

50

100-21315

SNAP RING,3.156", Int, #315

BUSHING retaining, CLAMP P-type, attaches to coolant recovery reservoir

1шт.

51

D23601

HOUSING

BUSHING pivotal ball type

1шт.

52

D42630

BEARING

RETAINER

1шт.

Выбрано товаров: 65