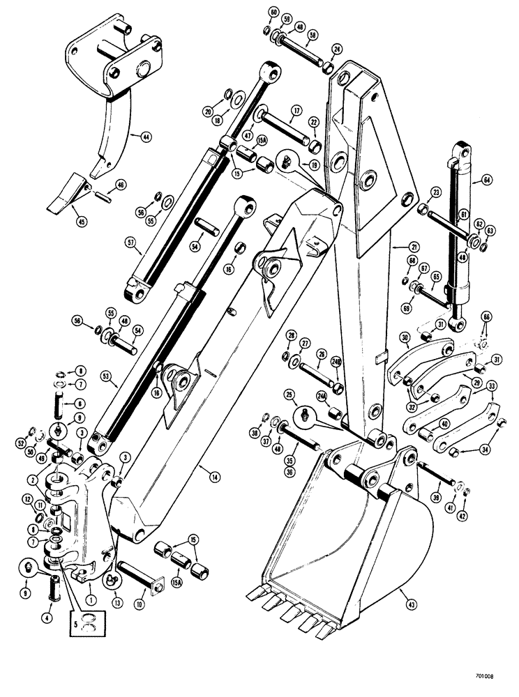
Запчасти Case 33S (014) - TOWER, BOOM, DIPPER ARM AND BUCKET, BOOM & DIPPER ARM WITH FABRICATED CYLINDER ANCHORS

Схема запчастей Case 33S - (014) - TOWER, BOOM, DIPPER ARM AND BUCKET, BOOM & DIPPER ARM WITH FABRICATED CYLINDER ANCHORS
48
15a
30
41
28
63
68
37
3
35
60
54
67
64
46
19
48
2
66
24b
62
16
21
45
40
52
27
26
54
69
25
7
55
13
14
1
32
20
61
12
34
39
58
17
48
56
15
11
20
59
5
49
8
8
6
31
47
53
22
10
43
7
24
48
55
31
9
44
42
56
16
23
50
24a
9
38
33
57
29
4
65
15
15a
3
36
FIT
1:1
100%

Артикул

Название

Примечание

Количество

1

D45031

SPARE PART SWING backhoe

1шт.

2

D30756

BUSHING,51.02mm ID x 63.5mm OD x 31.8mm L

TOWER at mounting frame

2шт.

3

D38478

BUSHING

TOWER at boom cylinder

2шт.

4

D44733

PIN

MOUNTING frame to swing tower, lower

1шт.

5

D44813

SHIM,53.34mm ID x 76.2mm OD x 0.89mm Thk

Tower

1шт.

6

D33637

PIN

MOUNTING frame to swing tower, upper

1шт.

7

195-2155

WASHER,2 1/16" x 3" x .109"

FLAT 2-1/16"

3шт.

8

D26919

SNAP RING,#200, Ext

2шт.

9

219-1

LUBE NIPPLE,1/8" - 27 NPTF

2шт.

10

D44888

PIN

BOOM to swing tower

1шт.

11

D49182

WASHER

SPECIAL

1шт.

12

D26919

SNAP RING,#200, Ext

1шт.

13

219-55

LUBE NIPPLE,90 Degree Elbow, 1/8" - 27 NPTF

1шт.

14

D44956

SPARE PART BACKHOE

1шт.

15

D44648

BUSHING

upper and lower

4шт.

15a

D37416

BUSHING

SPACER at boom castings

2шт.

16

D43940

BUSHING,44.68mm ID x 57.15mm OD x 25.4mm L

MOUNTINGS cylinder

4шт.

17

D45034

PIN

BOOM to dipper arm

1шт.

18

195-2155

WASHER,2 1/16" x 3" x .109"

FLAT 2-1/16"

2шт.

19

219-39

FITTING

GREASE 45°, 1/8" NPT

1шт.

20

D26919

SNAP RING,#200, Ext

2шт.

21

D43956

BALANCER

BACKHOE dipper arm

1шт.

22

D43946

BUSHING,51.02mm ID x 63.5mm OD x 35.6mm L

DIPPER at boom

2шт.

23

D37392

BUSHING,44.68mm ID x 53.98mm OD x 31.75mm L

DIPPER at bucket cylinder

2шт.

24

D43940

BUSHING,44.68mm ID x 57.15mm OD x 25.4mm L

DIPPER at crowd cylinder

2шт.

24a

D37443

BUSHING,44.68mm ID x 57.15mm OD x 50.8mm L

DIPPER at bucket

2шт.

24b

D30933

BUSHING,38.41mm ID x 47.63mm OD x 31.75mm L

DIPPER at bucket links

2шт.

25

219-1

LUBE NIPPLE,1/8" - 27 NPTF

1шт.

26

D37612

PIN,38.1mm OD x 222.25mm L

BUCKET linkage to dipper arm

1шт.

27

D28610

WASHER,38.5mm ID x 63.5mm OD x 2.66mm Thk

SPECIAL

2шт.

28

D25279

SNAP RING,M35, Int

2шт.

29

D37445

LINK

BUCKET cylinder to dipper arm, R.H.

1шт.

30

D37444

LINK

SPARE PART BUCKETcylinder to dipper arm, L.H.

1шт.

31

D30933

BUSHING,38.41mm ID x 47.63mm OD x 31.75mm L

LINK at bucket cylinder

1шт.

32

D32919

BUSHING,38.4mm ID x 47.63mm OD x 19.05mm L

LINK at dipper arm

1шт.

33

D37452

LINK

, Serial Range: BUCKETcylinder-bucket

2шт.

34

D30933

BUSHING,38.41mm ID x 47.63mm OD x 31.75mm L

LINK

2шт.

35

D37613

PIN

BUCKET to dipper arm

1шт.

36

D40244

PIN,44.45mm OD x 327.02mm L

BUCKET to dipper arm, D37472 and D41547 bucket only

1шт.

37

195-2152

WASHER,1 13/16" x 2 1/2" x .109"

FLAT 1-3/4"

2шт.

38

D25280

SNAP RING,#175, Ext

2шт.

39

D37614

PIN,38mm Od x 246mm L

LINK to bucket, used on all buckets except heavy duty

1шт.

39

D30899

PIVOT PIN,38.1mm OD x 338.14mm L

LINK to bucket, heavy duty bucket only

1шт.

39

D37793

PIN

LINK to frost point, frost point only

1шт.

40

D37450

SPACER,40.89mm ID x 48.26mm OD x 63.5mm L

LINK spacer

1шт.

41

D28610

WASHER,38.5mm ID x 63.5mm OD x 2.66mm Thk

FLAT 1-3/64"

2шт.

43

REF

INSTRUCTION

BACKHOE bucket, see pages 21 thru 27 for options

1шт.

D42577

SPARE PART

ASSEMBLY frost point, backhoe

1шт.

44

NSS

NOT SOLD SEPARAT

POINT body frost

1шт.

45

D43416

POINT

POINT tooth

1шт.

46

D43417

PIN

FLEX point

1шт.

47

R10830

WASHER

SPECIAL 1/16" thick

1шт.

48

51200255

SEALING WASHER,45.77mm ID x 62.18mm OD x 1.59mm Thk

SPECIAL 1/16" thick

1шт.

49

D38480

PIN

BOOM cylinder mounting at swing tower

1шт.

50

195-2156

WASHER,1 13/16" x 2 3/4" x .109"

FLAT 1-13/16"

2шт.

51

RESERVED

1шт.

52

D25280

SNAP RING,#175, Ext

2шт.

53

REF

INSTRUCTION

HYDRAULIC cylinder, boom, see Figures 060 and 062 for proper cylinder

1шт.

54

D45047

PIN

BOOM and crowd, Serial Range: cylinder-boom

2шт.

55

195-2156

WASHER,1 13/16" x 2 3/4" x .109"

FLAT 1-13/16"

4шт.

56

D25280

SNAP RING,#175, Ext

4шт.

57

REF

INSTRUCTION

HYDRAULIC cylinder, crowd, see Figures 64 and 66 for proper cylinder

1шт.

58

D43959

PIN

CROWD cylinder to dipper arm

1шт.

59

195-2156

WASHER,1 13/16" x 2 3/4" x .109"

FLAT 1-13/16"

4шт.

60

D25280

SNAP RING,#175, Ext

2шт.

61

D37611

PIVOT PIN,44.45mm OD x 255.59mm L

BUCKET cylinder to dipper arm

1шт.

62

195-2152

WASHER,1 13/16" x 2 1/2" x .109"

FLAT 1-3/4"

2шт.

63

D25280

SNAP RING,#175, Ext

2шт.

64

REF

INSTRUCTION

HYDRAULIC cylinder, bucket, see Figures 68 and 70 for proper cylinder

1шт.

65

D37612

PIN,38.1mm OD x 222.25mm L

, Serial Range: BUCKETcylinder-linkage

1шт.

66

195-63

WASHER,1 5/8" x 3 1/4" x .180"

SPACER bucket cylinder

2шт.

67

D28610

WASHER,38.5mm ID x 63.5mm OD x 2.66mm Thk

SPECIAL

2шт.

68

D25279

SNAP RING,M35, Int

2шт.

69

D31312

WASHER

SPECIAL 1/16" thick

1шт.

Выбрано товаров: 0