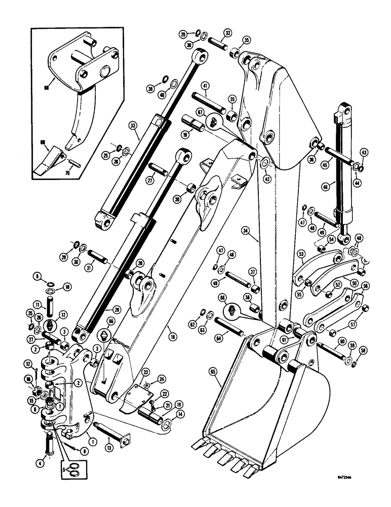
Запчасти Case 34 (06) - TOWER, BOOM, DIPPER ARM AND BUCKET

Схема запчастей Case 34 - (06) - TOWER, BOOM, DIPPER ARM AND BUCKET
FIT
1:1
100%

Артикул

Название

Примечание

Количество

1

D38484

TOWER - backhoe swing

1шт.

2

D30756

BUSHING,51.02mm ID x 63.5mm OD x 31.8mm L

Tower at mounting frame

2шт.

3

D33024

BUSHING,51.02mm ID x 63.5mm OD x 25.4mm L

Tower at boom cylinder

2шт.

4

D37451

PIN

BOLT - mounting, swing tower

1шт.

5

D26991

BEARING

SPACER - bearing

2шт.

6

D36478

WASHER

Special

1шт.

7

25-1324

SLOTTED NUT,1 1/2"-12, G5

1шт.

8

132-154

COTTER PIN,1/4" x 2"

1шт.

9

D26919

SNAP RING,#200, Ext

Pin

2шт.

10

195-2155

WASHER,2 1/16" x 3" x .109"

Steel

1шт.

11

D33637

PIN

Tower to mounting frame

1шт.

12

219-1

LUBE NIPPLE,1/8" - 27 NPTF

Straight (1/8" NPT)

1шт.

13

D32337

PIN

Pivot, Serial Range: tower-boom

1шт.

14

D37449

SHIM,.0747" Thk

1шт.

15

D32338

WASHER

Pin

1шт.

16

129-297

NUT

SPARE PART Hex., slotted (1-1/4" - 7 NC)

1шт.

17

132-157

COTTER PIN,Ext Prong Sq Cut, 1/4" x 2 1/2"

1шт.

18

D38482

X

BOOM - backhoe

1шт.

19

D40466

BUSHING

At swing tower and dipper arm

2шт.

20

D33024

BUSHING,51.02mm ID x 63.5mm OD x 25.4mm L

Cylinder brackets

4шт.

21

13-612

BOLT,Hex, 3/8" - 16 x 3/4", Gr 5, Full Thd

4шт.

22

92-6

LOCK WASHER,3/8"

4шт.

23

D37328

COVER

Hose guard

1шт.

24

A29277

WASHER

SPACER - special

4шт.

25

D26919

SNAP RING,#200, Ext

Pin

4шт.

26

195-2155

WASHER,2 1/16" x 3" x .109"

Steel

4шт.

27

D37607

PIN

Boom cylinder mounting

2шт.

28

D40420

SPARE PART CYLINDER - hydraulic, boom (4-1/2" I.D. x 39-3/16" stroke) Parts list Figure 40

1шт.

29

D26919

SNAP RING,#200, Ext

Pin

4шт.

30

195-2155

WASHER,2 1/16" x 3" x .109"

Steel

4шт.

31

D37607

PIN

Crowd cylinder mounting, at boom

1шт.

32

D37610

PIN

Crowd cylinder mounting, at dipper arm

1шт.

33

D38491

SPARE PART CYLINDER - hydraulic, crowd (4-1/2" I.D. x 35-1/8" stroke) Parts list Figure 42

1шт.

34

D38483

SPARE PART Backhoe

1шт.

35

D30756

BUSHING,51.02mm ID x 63.5mm OD x 31.8mm L

Dipper arm at crowd cylinder and boom

4шт.

36

D37392

BUSHING,44.68mm ID x 53.98mm OD x 31.75mm L

Dipper arm at bucket cylinder

2шт.

37

D30933

BUSHING,38.41mm ID x 47.63mm OD x 31.75mm L

Dipper arm at bucket link

2шт.

38

D37443

BUSHING,44.68mm ID x 57.15mm OD x 50.8mm L

Dipper arm at bucket

2шт.

39

D26919

SNAP RING,#200, Ext

2шт.

40

195-2155

WASHER,2 1/16" x 3" x .109"

Steel

2шт.

41

D37609

PIN

Boom to dipper arm

1шт.

42

D37449

SHIM,.0747" Thk

1шт.

43

D25280

SNAP RING,#175, Ext

2шт.

44

195-2152

WASHER,1 13/16" x 2 1/2" x .109"

Steel

2шт.

45

D37611

PIVOT PIN,44.45mm OD x 255.59mm L

Bucket cylinder to dipper arm

1шт.

46

D38492

SPARE PART CYLINDER - hydraulic, bucket (4" I.D. x 27-1/4" stroke) Parts list Figure 36

1шт.

47

D25279

SNAP RING,M35, Int

Retaining

4шт.

48

D28610

WASHER,38.5mm ID x 63.5mm OD x 2.66mm Thk

Special

6шт.

49

D37612

PIN,38.1mm OD x 222.25mm L

Bucket cylinder to bucket linkage and dipper arm

2шт.

50

D37445

LINK

Bucket cylinder to dipper arm, RH

1шт.

51

D30933

BUSHING,38.41mm ID x 47.63mm OD x 31.75mm L

Link, at bucket cylinder

1шт.

52

D32919

BUSHING,38.4mm ID x 47.63mm OD x 19.05mm L

Link, at dipper arm

1шт.

53

D37444

LINK

SPARE PART Bucket cylinder to dipper arm, LH

1шт.

54

D30933

BUSHING,38.41mm ID x 47.63mm OD x 31.75mm L

Link, at bucket cylinder

1шт.

55

D32919

BUSHING,38.4mm ID x 47.63mm OD x 19.05mm L

Link, at dipper arm

1шт.

56

D37452

LINK

Bucket, Serial Range: cylinder-bucket

2шт.

57

D30933

BUSHING,38.41mm ID x 47.63mm OD x 31.75mm L

Link

2шт.

58

D25279

SNAP RING,M35, Int

RING - retaining

2шт.

59

D28610

WASHER,38.5mm ID x 63.5mm OD x 2.66mm Thk

Special

2шт.

60

D37614

PIN,38mm Od x 246mm L

Bucket link to bucket (Used with all buckets except high capacity trenching buckets and the frost point)

1шт.

D30899

PIVOT PIN,38.1mm OD x 338.14mm L

Bucket link to bucket (Used with high capacity trenching buckets and the frost pint only)

1шт.

61

D37450

SPACER,40.89mm ID x 48.26mm OD x 63.5mm L

SPACER - link

1шт.

62

D25280

SNAP RING,#175, Ext

2шт.

63

195-2152

WASHER,1 13/16" x 2 1/2" x .109"

Steel

2шт.

64

D37613

PIN

Bucket to dipper arm (See D40244 pin)

1шт.

D40244

PIN,44.45mm OD x 327.02mm L

Bucket to dipper arm (Used with D37472 and D41547 buckets only)

1шт.

65

REF

INSTRUCTION

BUCKET - backhoe (See Figures 14 and 16 for options)

1шт.

66

219-1

LUBE NIPPLE,1/8" - 27 NPTF

Straight (1/8" NPT)

2шт.

67

219-55

LUBE NIPPLE,90 Degree Elbow, 1/8" - 27 NPTF

1шт.

D42577

SPARE PART

FROST POINT ASSEMBLY - backhoe

1шт.

68

NSS

NOT SOLD SEPARAT

BODY - frost point

1шт.

69

D43416

POINT

Tooth

1шт.

70

D43417

PIN

FLEX - point

1шт.

Выбрано товаров: 73