Запчасти Case 34 (028) - TWIN LEVER BACKHOE CONTROL

Схема запчастей Case 34 - (028) - TWIN LEVER BACKHOE CONTROL
FIT
1:1
100%

Артикул

Название

Примечание

Количество

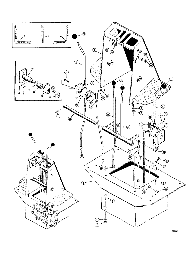
1

D38288

CONSOLE - backhoe control

1шт.

2

321-917

DECAL

- dipper and bucket lever

1шт.

3

321-918

DECAL

- boom and swing lever

1шт.

4

321-919

DECAL

- stabilizer lever

1шт.

5

D47254

EXTENSION - control tower

1шт.

6

92-6

LOCK WASHER,3/8"

8шт.

7

25-106

NUT,3/8"-16, G5

- hex. (3/8"-16 NC)

8шт.

8

413-632

BOLT,Hex, 3/8" - 16 x 2", Gr 5

4шт.

9

13-616

BOLT,Hex, 3/8" - 16 x 1", Gr 5, Full Thd

2шт.

10

RESERVED

1шт.

10a

25-106

NUT,3/8"-16, G5

- hex. (3/8"-16 NC)

2шт.

11

CAS31375

KNOB

- control lever, large

2шт.

12

D38304

HANDLE

LEVER - control, outer (R.H. boom and swing, L.H. dipper and bucket)

2шт.

13

25-1110

NUT,5/8"-18, G5

- hex. (5/8"-18 NF)

2шт.

14

13-620

BOLT,Hex, 3/8" - 16 x 1-1/4", Gr 5, Full Thd

4шт.

15

92-6

LOCK WASHER,3/8"

4шт.

16

25-106

NUT,3/8"-16, G5

- hex. (3/8"-16 NC)

4шт.

17

D38299

SUPPORT

STUD - lever pivot

2шт.

18

138-96

LOCK PIN,3/16" x 1", Slotted

PIN, 3/16" x 1", Slotted

4шт.

19

132-25

COTTER PIN,3/32" x 5/8"

Pin, Split (Cotter), 3/32" x 5/8"

2шт.

20

D38298

SNAP RING

Ring, Snap, 1.438", Int, #143

2шт.

21

D38297

SPHERICAL BEARING,22.23mm ID x 36.51mm OD x 19.43mm W

- pivotal ball type

2шт.

22

D38303

ADAPTER

LEVER - pivotal, R.H.

1шт.

23

D38302

ADAPTER

LEVER - pivotal, L.H.

1шт.

24

D38305

BLOCK

WEAR BLOCK - lever

2шт.

25

25-156

JAM NUT,Jam, 3/8"-24, G5

- hex., jam (3/8"-24 NF)

8шт.

26

92-6

LOCK WASHER,3/8"

4шт.

27

D38296

JOINT

- ball type

4шт.

28

D49349

ROD - bent, connecting (Dipper control) 33 backhoe

1шт.

28

D42829

ROD - bent, connecting (Dipper control) 34 backhoe

1шт.

29

D49350

ROD - bent, connecting (Bucket control) 33 backhoe

1шт.

29

D42828

ROD - bent, connecting (Bucket control) 34 backhoe

1шт.

30

D49347

ROD - straight, connecting (Boom and swing control) 33 backhoe

2шт.

30

D42827

ROD

- straight, connecting (Boom and swing control) 34 backhoe

2шт.

31

132-25

COTTER PIN,3/32" x 5/8"

Pin, Split (Cotter), 3/32" x 5/8"

6шт.

32

141-3

CLEVIS PIN,5/16" x .940"

PIN, CLEVIS, , Connecting rod mounting 5/16" x .940"

6шт.

33

70213

KNOB

- control lever, small (Used with 3/8"-24 NF threaded levers)

2шт.

33

D49996

KNOB

- control lever, small (Used with 1/2" x 20 NF threaded levers)

2шт.

34

D38307

LEVER

- control, R.H. stabilizer (3/8"-24 NF threaded end)

1шт.

34

D49990

HANDLE

LEVER - control, R.H. stabilizer (1/2"-20 NF threaded end)

1шт.

35

195-2097

WASHER,15/16" x 1 3/4" x .083"

- flat, steel (15/16")

1шт.

36

D38306

LEVER

- control, L.H. stabilizer (3/8"-24 NF threaded end)

1шт.

36

D49991

HANDLE

LEVER - control, L.H. stabilizer (1/2"-20 NF threaded end)

1шт.

37

138-98

LOCK PIN,3/16" x 1 1/4", Slotted

PIN, 3/16" x 1 1/4", Slotted

1шт.

38

D30817

SHAFT

- lever pivot

1шт.

39

132-25

COTTER PIN,3/32" x 5/8"

Pin, Split (Cotter), 3/32" x 5/8"

2шт.

40

141-4

CLEVIS PIN,3/8" x 1.060"

PIN, CLEVIS, , Mounting 3/8" x 1.060"

2шт.

41

213-4

ADJUSTABLE CLEVIS,3/8"-24 x 2 1/2"

YOKE - connecting rod

2шт.

42

25-156

JAM NUT,Jam, 3/8"-24, G5

- hex., jam (3/8"-24 NF)

2шт.

43

D49348

ROD - straight, connecting (L.H. stabilizer) 33 backhoe

1шт.

43

D42825

ROD - bent, connecting (L.H. stabilizer) 34 backhoe

1шт.

44

D49348

ROD - straight, connecting (R.H. stabilizer) 33 backhoe

1шт.

44

D42826

ROD - straight, connecting (R.H. stabilizer) 34 backhoe

1шт.

Выбрано товаров: 53