Запчасти Case 34 (050) - DIPPER LIGHT

Схема запчастей Case 34 - (050) - DIPPER LIGHT
FIT
1:1
100%

Артикул

Название

Примечание

Количество

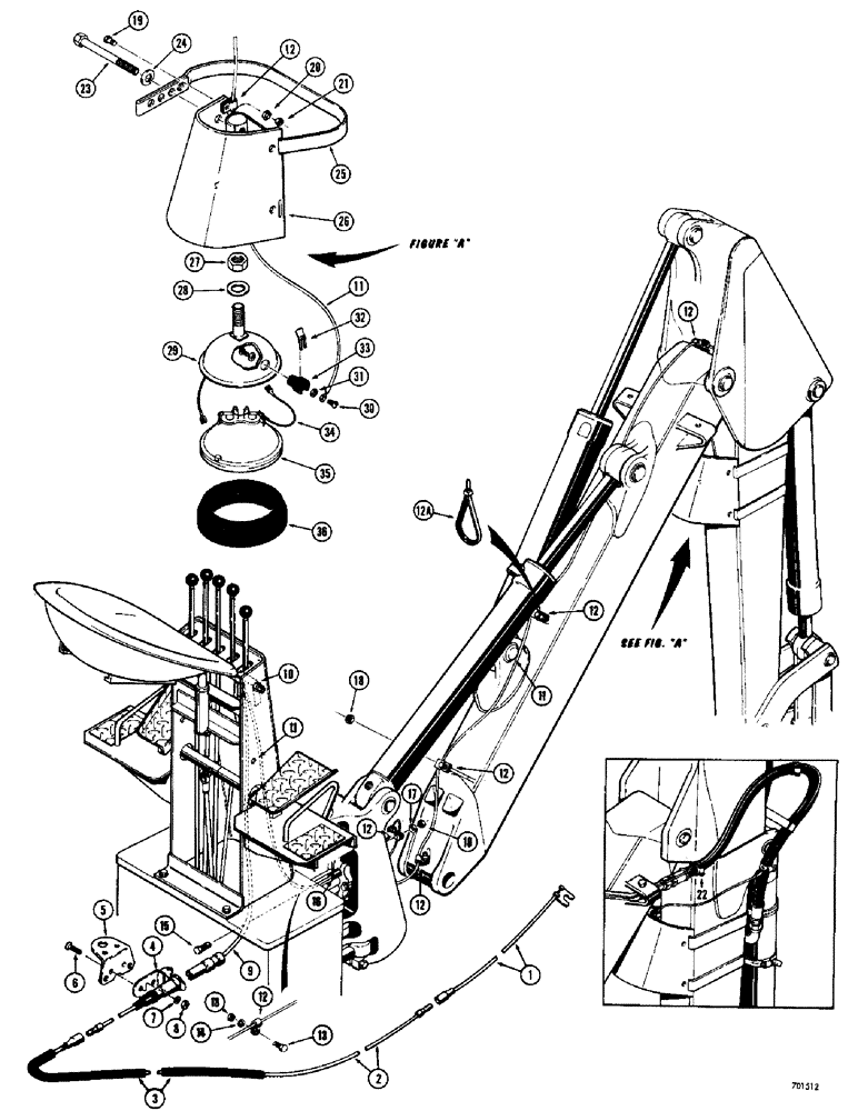
1

A11765

WIRE - circuit, Serial Range: breaker-block

1шт.

2

A12478

WIRE - block to radiator grille

2шт.

3

A27259

LOOM - A12478 wire

1шт.

4

A8170

SOCKET

- wire

1шт.

5

A27752

BEARING

BRACKET - socket

1шт.

6

173-99

SCREW,Sl Rnd Hd, #10 - 24 x 5/8"

RHMS - #10-24 NC x 5/8"

2шт.

7

92-3

LOCK WASHER,#10

WASHER, LOCK, #10

2шт.

8

129-17

NUT,Hex, #10 - 24

NUT - hex. ( NC) #10-24

2шт.

9

L11543

WIRE - grille to backhoe console

1шт.

10

G13142

IGNITION SWITCH

SWITCH - backhoe dipper light

1шт.

11

D37808

WIRE - switch to dipper light (216" long - if used)

1шт.

11

L11542

WIRE - switch to dipper light (194" long - if used)

1шт.

12

515-2348

CLAMP,4.8mm ID, 10.3mm Bolt Hole, P Type

- wire (If used)

6-8шт.

12a

L11541

CABLE TIE,203.2mm L, Nylon

STRAP - used in place of 49853 clamp on later models (If used)

6шт.

13

13-528

BOLT,Hex, 5/16" - 18 x 1-3/4", Gr 5

HHCS - 5/16"-18 NC x 1-3/4" (Backhoe mounting frame) If used

1шт.

14

95-5

WASHER,3/8" x 7/8" x .083"

- standard wrot (5/16") If used

1шт.

15

13-532

BOLT,Hex, 5/16" - 18 x 2", Gr 5

(If used) Swing tower Hex, 5/16"-18 x 2", G5

1шт.

16

D37810

GROMMET - at swing tower (If used)

1шт.

17

195-21

WASHER,5/16"

- plain () If used 5/16"

1шт.

18

131-4

LOCK NUT,5/16"-18, GB

NUT - hex., lock (5/16"-18 NC) If used

5-7шт.

19

13-612

BOLT,Hex, 3/8" - 16 x 3/4", Gr 5, Full Thd

If used Hex, 3/8"-16 x 3/4", G5, Full Thd

1шт.

20

195-25

WASHER,3/8"

- plain () If used 3/8"

1шт.

21

131-6

LOCK NUT,3/8"-16, GC

NUT - hex., lock (3/8"-16 NC) If used

1шт.

22

214-258

HOSE CLAMP,#28, 1.31" - 2.25", Type F Worm

(Used on extendable dipper only) #28, 1.31/2.25 Type F Worm

2-3шт.

23

113-443

BOLT,Hex, 1/2" - 13 x 6-1/2", Gr 5

2шт.

24

92-8

LOCK WASHER,1/2"

2шт.

25

D41171

BAND

STRAP - light mounting

2шт.

26

D41427

SHIELD

- dipper lamp

1шт.

27

131-354

LOCK NUT,1/2"-13, GA

NUT - hex., lock (1/2"-13 NC)

1шт.

28

92-8

LOCK WASHER,1/2"

1шт.

D37811

LAMP

ASSEMBLY - dipper, 12 volt (Gasoline models only), Includes: Ref. 29 - 36

1шт.

L12337

LAMP ASSEMBLY - dipper, 24 volt (Diesel models only), Includes: Ref. 29 - 36

1шт.

29

NSS

NOT SOLD SEPARAT

BODY - lamp

1шт.

30

173-73

SCREW,Sl Rnd Hd, #8 - 32 x 1/4"

- machine, #8-32 NC x 1/4"

2шт.

31

193-4

LOCK WASHER,Ext Tooth, 0.145" ID x 0.318" OD, STL, PLN

WASHER, LOCK, Ext Tooth, #6

2шт.

32

173-73

SCREW,Sl Rnd Hd, #8 - 32 x 1/4"

SPRING - lamp

1шт.

33

B50293

TERMINAL CONNECTOR

- lamp

1шт.

34

A25262

ELECTRICAL WIRE

WIRE - lamp

1шт.

35

D33182

LAMP

BULB - seal beam (12 volt) D37811 lamp

1шт.

35

L10499

LAMP

BULB - seal beam (24 volt) L12337 lamp

1шт.

36

D31441

RETAINER

- lamp

1шт.

Выбрано товаров: 41