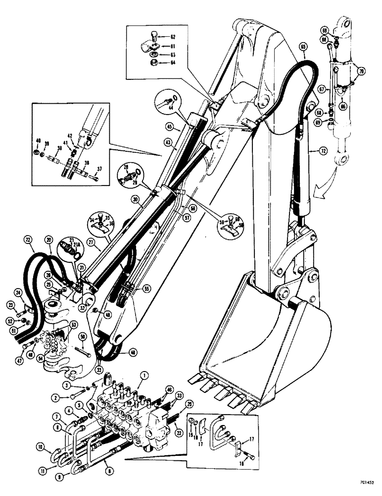
Запчасти Case 34 (084) - BOOM, CROWD AND BUCKET CYLINDER HYDRAULICS, (USED ON BACKHOE SERIAL NUMBER 4141636 TO 4157852)

Схема запчастей Case 34 - (084) - BOOM, CROWD AND BUCKET CYLINDER HYDRAULICS, (USED ON BACKHOE SERIAL NUMBER 4141636 TO 4157852)
FIT
1:1
100%

Артикул

Название

Примечание

Количество

1

REF

INSTRUCTION

VALVE - backhoe control (Fig. 146 for proper valve)

1шт.

2

13-660

BOLT,Hex, 3/8" - 16 x 3-3/4", Gr 5

3шт.

3

92-6

LOCK WASHER,3/8"

3шт.

4

218-5064

HYD CONNECTOR,1-1/16" - 12 Male JIC x 1-1/16" - 12 Male ORB

Male, straight, Incl. Ref. 5

6шт.

5

218-5008

O-RING,0.116" Thk x 0.924" ID, -912, Cl 6, 90 Duro

Seal

1шт.

6

D36654

TUBE

Upper valve port to boom cylinder (33 backhoe)

1шт.

7

D40709

TUBE

Upper valve port to bucket cylinder (33 backhoe)

1шт.

8

D40713

SPARE PART TUBE - upper valve port to crowd cylinder (33 backhoe)

1шт.

9

D30771

TUBE

SPARE PART Lower valve port to boom cylinder (33 backhoe)

1шт.

10

D40711

TUBE

Lower valve port to bucket cylinder (33 backhoe)

1шт.

11

D40715

TUBE

SPARE PART Lower valve port to crowd cylinder (33 backhoe)

1шт.

12

RESERVED

1шт.

13

RESERVED

1шт.

14

RESERVED

1шт.

15

RESERVED

1шт.

16

13-528

BOLT,Hex, 5/16" - 18 x 1-3/4", Gr 5

3шт.

17

D20045

PLATE ASSY.

CLAMP - tube

6шт.

18

195-21

WASHER,5/16"

3шт.

19

131-4

LOCK NUT,5/16"-18, GB

3шт.

20

D38124

HOSE

Upper valve port to boom cyl., closed end (57" long)

1шт.

21

218-5064

HYD CONNECTOR,1-1/16" - 12 Male JIC x 1-1/16" - 12 Male ORB

Male, straight, Incl. Ref. 21A

1шт.

21a

218-5008

O-RING,0.116" Thk x 0.924" ID, -912, Cl 6, 90 Duro

Seal

1шт.

22

D38124

HOSE

Lower valve port to boom cylinder, rod end (57" long)

1шт.

23

13-624

BOLT,Hex, 3/8" - 16 x 1-1/2", Gr 5

1шт.

24

R15257

CLAMP

Hose

2шт.

25

195-25

WASHER,3/8"

1шт.

26

131-6

LOCK NUT,3/8"-16, GC

1шт.

27

D37232

BOOM

SPARE PART TUBE - to boom cylinder, rod end

1шт.

28

218-5065

HYD CONNECTOR,1-1/16" - 12 Male JIC x 7/8" - 14 Male ORB

Male, straight, Includes: Ref. 29

1шт.

29

237-6010

O-RING,0.097" Thk x 0.755" ID, -910, Cl 6, 90 Duro

1шт.

30

REF

INSTRUCTION

CYLINDER - hydraulic, boom (Figs. 116 & 118 for proper cylinder)

1шт.

31

214-269

HOSE CLAMP,#72, 4.06" - 5", Type F Worm

Tube to cylinder

1шт.

32

D38648

BLOCK

SPACER - clamp

1шт.

33

D37216

HOSE ASSY.

Valve to crowd cylinder (72-1/2" long)

2шт.

34

13-616

BOLT,Hex, 3/8" - 16 x 1", Gr 5, Full Thd

1шт.

35

92-6

LOCK WASHER,3/8"

1шт.

36

D40236

CLAMP

Hose

1шт.

37

13-532

BOLT,Hex, 5/16" - 18 x 2", Gr 5

1шт.

38

D33316

CLAMP

Tube

2шт.

39

195-21

WASHER,5/16"

1шт.

40

131-4

LOCK NUT,5/16"-18, GB

1шт.

41

218-5065

HYD CONNECTOR,1-1/16" - 12 Male JIC x 7/8" - 14 Male ORB

Male, straight, Includes: Ref. 42

1шт.

42

237-6010

O-RING,0.097" Thk x 0.755" ID, -910, Cl 6, 90 Duro

1шт.

43

D42624

TUBE

To crowd cylinder, rod end, Includes: Ref. 44

1шт.

44

237-6010

O-RING,0.097" Thk x 0.755" ID, -910, Cl 6, 90 Duro

1шт.

45

REF

INSTRUCTION

CYLINDER - hydraulic, crowd (Figs. 122 & 124 for proper cylinder)

1шт.

46

D39358

HOSE ASSY.

Valve to bucket cylinder (54" long)

2шт.

47

13-532

BOLT,Hex, 5/16" - 18 x 2", Gr 5

Includes: Ref. 48

2шт.

48

195-21

WASHER,5/16"

4шт.

49

131-4

LOCK NUT,5/16"-18, GB

2шт.

50

13-560

BOLT,Hex, 5/16" - 18 x 3-3/4", Gr 5

2шт.

51

195-21

WASHER,5/16"

2шт.

52

131-4

LOCK NUT,5/16"-18, GB

2шт.

53

D26125

CLAMP

Hose, outer, Includes: Ref. 54

2шт.

54

D26124

HOSE

CLAMP, center

1шт.

55

D26231

NUT

Hex., lock (Special)

2шт.

56

D40632

TUBE

Valve to bucket cylinder, closed end

1шт.

57

D40630

TUBE

Valve to bucket cylinder, rod end

1шт.

58

D40236

CLAMP

Tube

1шт.

59

13-616

BOLT,Hex, 3/8" - 16 x 1", Gr 5, Full Thd

1шт.

60

92-6

LOCK WASHER,3/8"

1шт.

61

515-23190

CLAMP,3/4", Insul, 3/8" Bolt

CLAMP - tube

2шт.

62

13-512

BOLT,Hex, 5/16" - 18 x 3/4", Gr 5

2шт.

63

195-21

WASHER,5/16"

2шт.

64

131-4

LOCK NUT,5/16"-18, GB

2шт.

65

D37635

HOSE

Valve to bucket cylinder (40" long), When stock is exhausted, order D42290 for service)

1шт.

D42290

HOSE

Valve to bucket cylinder (40" long)

1шт.

66

D40655

TUBE

Valve to bucket cylinder, closed end

1шт.

67

D40647

TUBE

Valve to bucket cylinder, rod end

1шт.

68

218-5065

HYD CONNECTOR,1-1/16" - 12 Male JIC x 7/8" - 14 Male ORB

Male, straight, Includes: Ref. 69

2шт.

69

237-6010

O-RING,0.097" Thk x 0.755" ID, -910, Cl 6, 90 Duro

1шт.

70

214-269

HOSE CLAMP,#72, 4.06" - 5", Type F Worm

Tube to cylinder

2шт.

71

D38648

BLOCK

SPACER - clamp

2шт.

72

REF

INSTRUCTION

CYLINDER - hydraulic, bucket (Fig. 128 & 130 for proper cylinder)

1шт.

Выбрано товаров: 74