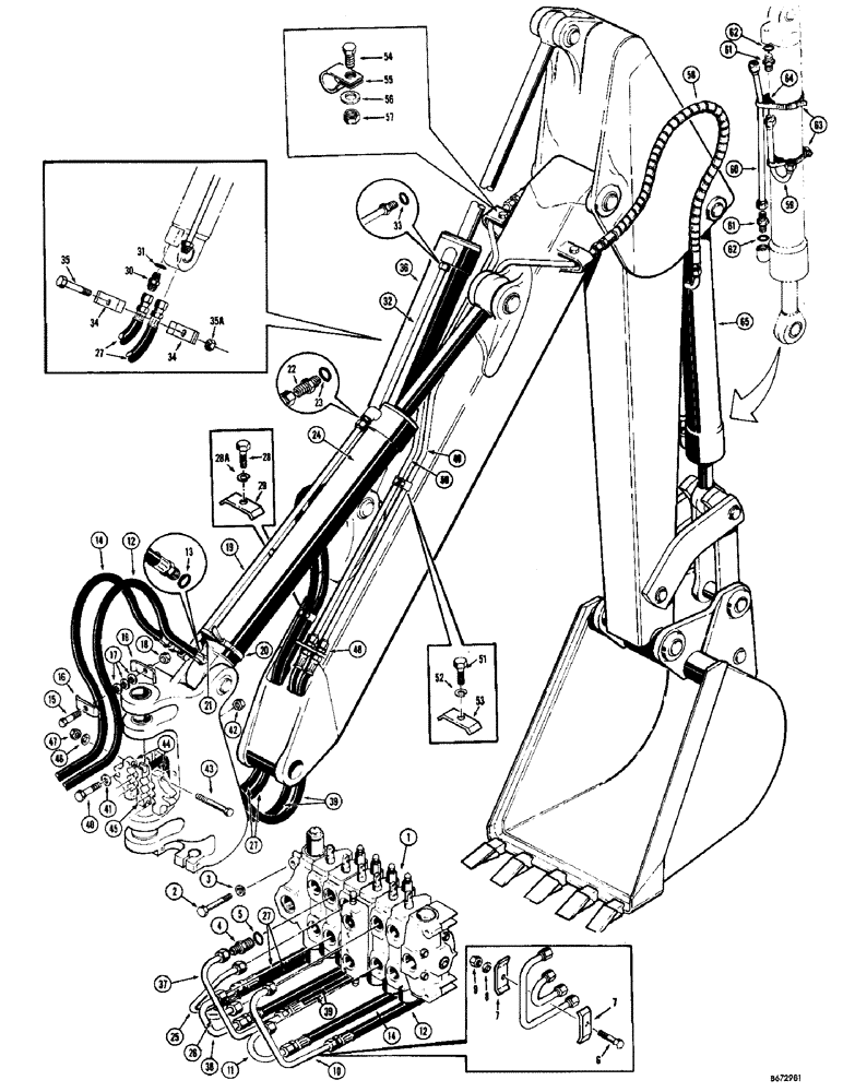
Запчасти Case 34 (092) - BOOM, CROWD & BUCKET CYL. HYDRAULICS, USED BEF BACKHOE SN 1022951, BOOM CYL. HYDR., CROWD CYL. HYDR.

Схема запчастей Case 34 - (092) - BOOM, CROWD & BUCKET CYL. HYDRAULICS, USED BEF BACKHOE SN 1022951, BOOM CYL. HYDR., CROWD CYL. HYDR.
FIT
1:1
100%

Артикул

Название

Примечание

Количество

1

REF

INSTRUCTION

VALVE - backhoe control (Fig. 158 for proper valve)

1шт.

2

13-864

BOLT,Hex, 1/2" - 13 x 4", Gr 5

(Lower mounting hole in valve inlet section)

1шт.

13-868

BOLT,Hex, 1/2" - 13 x 4-1/4", Gr 5

(Upper mounting hole in valve section, mounting hole in valve outlet section)

2шт.

3

92-8

LOCK WASHER,1/2"

3шт.

4

218-5064

HYD CONNECTOR,1-1/16" - 12 Male JIC x 1-1/16" - 12 Male ORB

Male, straight, Incl. Ref. 5

6шт.

5

218-5008

O-RING,0.116" Thk x 0.924" ID, -912, Cl 6, 90 Duro

Seal

1шт.

6

13-528

BOLT,Hex, 5/16" - 18 x 1-3/4", Gr 5

3шт.

7

D20045

PLATE ASSY.

CLAMP - tube

6шт.

8

95-5

WASHER,3/8" x 7/8" x .083"

Standard wrot (5/16")

3шт.

9

131-4

LOCK NUT,5/16"-18, GB

3шт.

10

D40649

TUBE

Boom section, upper port, boom cylinder hydraulics

1шт.

11

D40642

TUBE

Boom section, lower port, boom cylinder hydraulics

1шт.

12

D40636

X

HOSE - upper boom section port to boom cylinder, closed end (58-1/2" long) Order items 13A and 13B, boom cylinder hydraulics, Includes: Ref. 13

1шт.

13

218-5008

O-RING,0.116" Thk x 0.924" ID, -912, Cl 6, 90 Duro

Seal, Boom cylinder hydraulics

1шт.

13a

D42934

HOSE ASSY.

Backhoe control valve to boom cylinder (61" long) Not illustrated, boom cylinder hydraulics

2шт.

13b

218-5064

HYD CONNECTOR,1-1/16" - 12 Male JIC x 1-1/16" - 12 Male ORB

Male, straight (Not illustrated), boom cylinder hydraulics, Incl. Ref. 13C

1шт.

13c

218-5008

O-RING,0.116" Thk x 0.924" ID, -912, Cl 6, 90 Duro

Seal - 218-5064 connector, boom cylinder hydraulics

1шт.

14

D40637

X

HOSE - lower boom section port to boom cylinder rod end (57" long) Order item 13A, boom cylinder hydraulics

1шт.

15

13-624

BOLT,Hex, 3/8" - 16 x 1-1/2", Gr 5

Boom cylinder hydraulics

1шт.

16

R15257

CLAMP

Hose, boom cylinder hydraulics

2шт.

17

95-6

WASHER,3/8"

Standard wrot, boom cylinder hydraulics

3шт.

18

131-6

LOCK NUT,3/8"-16, GC

Boom cylinder hydraulics

1шт.

19

D40653

SPARE PART Boom cylinder, rod end, boom cylinder hydraulics

1шт.

20

214-275

HOSE CLAMP,#92, 5.38" - 6.25", Type F Worm

Tube to cylinder, boom cylinder hydraulics

1шт.

21

D38648

BLOCK

SPACER - clamp, boom cylinder hydraulics

1шт.

22

218-5050

HYD CONNECTOR,1-5/16" - 12 Male JIC x 1-1/16" - 12 Male ORB

Male, straight, boom cylinder, Incl. Ref. 23

1шт.

23

218-5008

O-RING,0.116" Thk x 0.924" ID, -912, Cl 6, 90 Duro

Seal, Boom cylinder hydraulics

1шт.

24

REF

INSTRUCTION

CYLINDER - hydraulic, boom (Fig. 118 for proper cylinder), boom cylinder hydraulics

1шт.

25

D40649

TUBE

Crowd section, upper port, crowd cylinder hydraulics

1шт.

26

D40642

TUBE

Crowd section, lower port, crowd cylinder hydraulics

1шт.

27

D40634

HOSE

Valve to crowd cylinder (74-1/2" long), crowd cylinder hydraulics

2шт.

28

13-616

BOLT,Hex, 3/8" - 16 x 1", Gr 5, Full Thd

Crowd cylinder hydraulics

1шт.

28a

92-6

LOCK WASHER,3/8"

Crowd cylinder hydraulics

1шт.

29

D41160

CLAMP

Hose, crowd cylinder hydraulics

1шт.

30

218-5064

HYD CONNECTOR,1-1/16" - 12 Male JIC x 1-1/16" - 12 Male ORB

Male, straight, crowd cylinder hydraulics, Incl. Ref. 31

1шт.

31

218-5008

O-RING,0.116" Thk x 0.924" ID, -912, Cl 6, 90 Duro

Seal, Boom cylinder hydraulics

1шт.

32

D40644

SPARE PART Crowd cylinder, rod end, crowd cylinder hydraulics

1шт.

33

218-5008

O-RING,0.116" Thk x 0.924" ID, -912, Cl 6, 90 Duro

Seal, Boom cylinder hydraulics

1шт.

34

D33316

CLAMP

Hose, crowd cylinder hydraulics

2шт.

35

13-532

BOLT,Hex, 5/16" - 18 x 2", Gr 5

Crowd cylinder hydraulics

1шт.

35a

131-4

LOCK NUT,5/16"-18, GB

Crowd cylinder hydraulics

1шт.

35b

195-21

WASHER,5/16"

If used (Not shown), Crowd cylinder hydraulics

1шт.

36

REF

INSTRUCTION

CYLINDER - hydraulic, crowd (Fig. 126 for proper cylinder), crowd cylinder hydraulics

1шт.

37

D40640

SPARE PART Bucket section, upper port

1шт.

38

D40651

TUBE

Bucket section, lower port

1шт.

39

D40635

HOSE

Valve to bucket cylinder (58" long)

2шт.

40

13-532

BOLT,Hex, 5/16" - 18 x 2", Gr 5

2шт.

41

195-21

WASHER,5/16"

2шт.

42

131-4

LOCK NUT,5/16"-18, GB

2шт.

43

13-548

CAP,Hex, 5/16" - 18 x 3", Gr 5

BOLT

2шт.

44

D40659

SPARE PART Hose, outer

2шт.

45

D40795

SPARE PART CLAMP - hose, center

1шт.

46

195-21

WASHER,5/16"

2шт.

47

131-4

LOCK NUT,5/16"-18, GB

2шт.

48

D26231

NUT

Hex., jam (Special)

2шт.

49

D40630

TUBE

Valve to bucket cylinder, RH

1шт.

50

D40632

TUBE

Valve to bucket cylinder, LH

1шт.

51

13-616

BOLT,Hex, 3/8" - 16 x 1", Gr 5, Full Thd

1шт.

52

92-6

LOCK WASHER,3/8"

1шт.

53

D40236

CLAMP

Tube

1шт.

54

13-512

BOLT,Hex, 5/16" - 18 x 3/4", Gr 5

2шт.

55

515-23190

CLAMP,3/4", Insul, 3/8" Bolt

CLAMP - tube

2шт.

56

195-21

WASHER,5/16"

2шт.

57

131-4

LOCK NUT,5/16"-18, GB

2шт.

58

D40657

HOSE ASSY.

Valve to bucket cylinder (40" long)

2шт.

59

D40655

TUBE

Bucket cylinder, closed end

1шт.

60

D40647

TUBE

Bucket cylinder, rod end

1шт.

61

218-5064

HYD CONNECTOR,1-1/16" - 12 Male JIC x 1-1/16" - 12 Male ORB

Male, straight, Incl. Ref. 62

2шт.

62

218-5008

O-RING,0.116" Thk x 0.924" ID, -912, Cl 6, 90 Duro

Seal

1шт.

63

214-269

HOSE CLAMP,#72, 4.06" - 5", Type F Worm

Tube to cylinder

2шт.

64

D38648

BLOCK

SPACER - clamp

2шт.

65

REF

INSTRUCTION

CYLINDER - hydraulic, bucket (Fig.132 for proper cylinder)

1шт.

Выбрано товаров: 72