Запчасти Case 34 (016) - INDIVIDUAL LEVER CONTROL (FOOT SWING), WITH ONE - PIECE CONTROL TOWER, EARLY PRODUCTION

Схема запчастей Case 34 - (016) - INDIVIDUAL LEVER CONTROL (FOOT SWING), WITH ONE - PIECE CONTROL TOWER, EARLY PRODUCTION
FIT
1:1
100%

Артикул

Название

Примечание

Количество

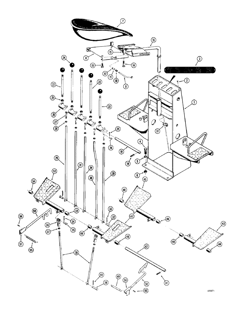
1

A19975

CONSOLE

- backhoe control

1шт.

2

168-68

SCREW - drive (#6 x 3/8")

3шт.

3

A19314

PLATE - control console

1шт.

4

413-632

BOLT,Hex, 3/8" - 16 x 2", Gr 5

- 3/8"-16 NC x 2-1/4"

4шт.

5

92-6

LOCK WASHER,3/8"

4шт.

6

25-106

NUT,3/8"-16, G5

- hex. (3/8"-16 NC)

4шт.

D31309

SEAT

ASSEMBLY - backhoe, Includes: Ref. 7-15

1шт.

7

NSS

NOT SOLD SEPARAT

SEAT - padded

1шт.

8

D31308

ADJUSTER

SLIDE - seat, upper, Includes: Ref. 9-12

1шт.

9

D40765

LEVER

- seat adjusting

1шт.

10

D40766

SPRING

- lever

1шт.

11

195-21

WASHER,5/16"

- plain () 5/16"

1шт.

12

A27810

CIRCLIP,#X31, .243" Dia, E-Type

Ring, Retaining, #X31, .243" Dia, E-Type

1шт.

13

13-510

BOLT,Hex, 5/16" - 18 x 5/8", Gr 5, Full Thd

2шт.

14

13-528

BOLT,Hex, 5/16" - 18 x 1-3/4", Gr 5

HHCS - 5/16"-18 NC x 1-3/4"

2шт.

15

D31306

SPACER

- slide

2шт.

16

A19412

ROD - seat support, Includes: Ref. 17

1шт.

17

A30338

PIN

KLIK PIN - rod

1шт.

18

138-63

LOCK PIN,1/8" x 1 1/4", Slotted

PIN, 1/8" x 1 1/4", Slotted

2шт.

19

A19404

SHAFT - control levers

1шт.

20

19399

LEVER - pivot, control levers

5шт.

21

25-148

JAM NUT,Jam, 1/2"-13, G5

- hex, jam (1/2"-13 NC)

5шт.

22

A19401

LEVER - control (R.H. and L.H. stabilizer)

2шт.

23

A19400

LEVER - control (Bucket, boom and dipper)

3шт.

24

70213

KNOB

- control lever

5шт.

25

132-25

COTTER PIN,3/32" x 5/8"

Pin, Split (Cotter), 3/32" x 5/8"

5шт.

26

141-4

CLEVIS PIN,3/8" x 1.060"

PIN, CLEVIS, , Mounting 3/8" x 1.060"

5шт.

27

L11981

YOKE - connecting rod

5шт.

28

25-156

JAM NUT,Jam, 3/8"-24, G5

- hex., jam (3/8"-24 NF)

5шт.

29

L11979

ROD - connecting, R.H. stabilizer, dipper and L.H. stabilizer control

3шт.

30

L11982

ROD - connecting, boom control

1шт.

31

L11983

ROD - connecting, bucket control

1шт.

32

141-3

CLEVIS PIN,5/16" x .940"

PIN, CLEVIS, , Rod to valve (Boom, bucket, dipper and stabilizers) 5/16" x .940"

5шт.

33

132-25

COTTER PIN,3/32" x 5/8"

Pin, Split (Cotter), 3/32" x 5/8"

5шт.

34

132-25

COTTER PIN,3/32" x 5/8"

Pin, Split (Cotter), 3/32" x 5/8"

2шт.

35

141-4

CLEVIS PIN,3/8" x 1.060"

PIN, CLEVIS, , Mounting 3/8" x 1.060"

2шт.

36

213-4

ADJUSTABLE CLEVIS,3/8"-24 x 2 1/2"

YOKE - connecting rod

2шт.

37

25-156

JAM NUT,Jam, 3/8"-24, G5

- hex., jam (3/8"-24 NF)

2шт.

38

L11980

ROD - connecting, swing control

2шт.

39

A31054

AXLE PIN

PIN - rod to valve (Swing)

1шт.

40

132-25

COTTER PIN,3/32" x 5/8"

Pin, Split (Cotter), 3/32" x 5/8"

1шт.

41

138-102

LOCK PIN,3/16" x 1 3/4", Slotted

PIN, 3/16" x 1 3/4", Slotted

2шт.

42

D32056

SHAFT - swing pedals

1шт.

43

D30711

PEDAL - swing (R.H.), early production, Includes: Ref. 44

1шт.

44

D30706

BUSHING

- pedal, early production

2шт.

45

D30710

PEDAL - swing (L.H.), early production, Includes: Ref. 46

1шт.

46

D30706

BUSHING

- pedal, early production

2шт.

47

D40866

PEDAL

- swing, R.H., late production, Includes: Ref. 48

1шт.

48

D30706

BUSHING

- pedal, late production

2шт.

49

A37005

SPRING

- locking pedal, late production

1шт.

50

138-96

LOCK PIN,3/16" x 1", Slotted

PIN, , Late production 3/16" x 1", Slotted

1шт.

51

D40856

STOP - locking pedal, R.H., late production

1шт.

52

D40864

LOCK - swing pedal, R.H., late production

1шт.

53

D40867

PEDAL

- swing, L.H., late production, Includes: Ref. 54

1шт.

54

D30706

BUSHING

- pedal, late production

2шт.

55

A37005

SPRING

- locking pedal, late production

1шт.

56

138-96

LOCK PIN,3/16" x 1", Slotted

PIN, , Late production 3/16" x 1", Slotted

1шт.

57

D40857

STOP - locking pedal, L.H., late production

1шт.

58

D40865

LOCK - swing pedal, L.H., late production

1шт.

Выбрано товаров: 59