Запчасти Case 34 (118) - INDIVIDUAL LEVER BACKHOE CONTROL (FOOT SWING) USED BEFORE SERIAL NO. 1022951

Схема запчастей Case 34 - (118) - INDIVIDUAL LEVER BACKHOE CONTROL (FOOT SWING) USED BEFORE SERIAL NO. 1022951
58
57
48
35
34
40
13
33
28
16
42
44
52
46
49
15
10
53
43
11
29
46
38
29
18
5
7
50
19
6
2
24
1
3
56
25
29
22
37
30
22
48
12
44
20
4
36
26
21
54
23
31
39
17
9
14
32
55
47
8
45
51
54
27
41
FIT
1:1
100%

Артикул

Название

Примечание

Количество

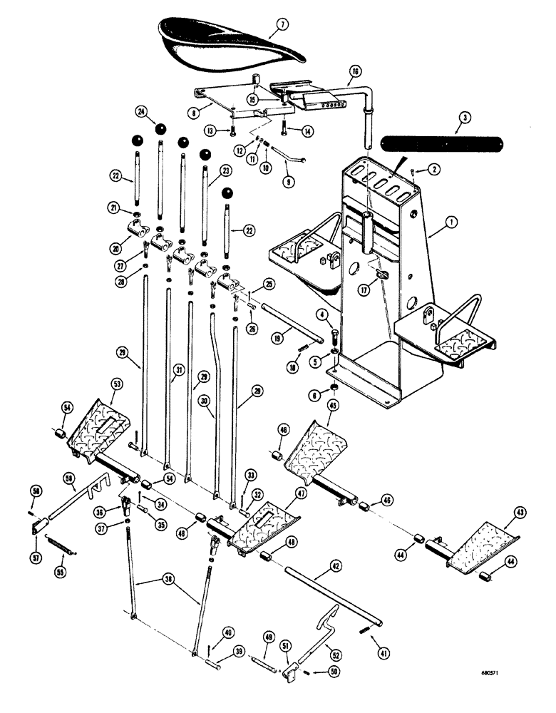
1

A19975

CONSOLE

CONTROLbackhoe

1шт.

2

168-68

SPARE PART DRIVE, #6 x 3/8"

3шт.

3

A19314

SPARE PART CONSOLE control

1шт.

4

13-636

BOLT,Hex, 3/8" - 16 x 2-1/4", Gr 5

4шт.

5

92-6

LOCK WASHER,3/8"

4шт.

6

25-106

NUT,3/8"-16, G5

HEX 3/8" - 16 NC

4шт.

D31309

SEAT

ASSEMBLYbackhoe

1шт.

7

NSS

NOT SOLD SEPARAT

SEAT padded

1шт.

8

D31308

ADJUSTER

SEAT slide upper

1шт.

9

D40765

LEVER

SEAT adjusting

1шт.

10

D40766

SPRING

LEVER

1шт.

11

195-21

WASHER,5/16"

1шт.

12

A27810

CIRCLIP,#X31, .243" Dia, E-Type

Ring, Retaining, #X31, .243" Dia, E-Type

1шт.

13

13-510

BOLT,Hex, 5/16" - 18 x 5/8", Gr 5, Full Thd

2шт.

14

13-528

BOLT,Hex, 5/16" - 18 x 1-3/4", Gr 5

HHCS 5/16"- 18 NC x 1-3/4"

2шт.

15

D31306

SPACER

SLIDE

2шт.

16

D34077

BRACKET

ROD seat support

1шт.

17

A30338

PIN

KLIK rod

1шт.

18

138-63

LOCK PIN,1/8" x 1 1/4", Slotted

2шт.

19

A19404

SPARE PART LEVERS control

1шт.

20

A19399

SPARE PART LEVER pivot, control levers

5шт.

21

25-148

JAM NUT,Jam, 1/2"-13, G5

Hex, NC

5шт.

22

A19401

LEVER control, R.H. and L.H. stabilizer

2шт.

23

A19400

SPARE PART CONTROL bucket, boom and dipper

3шт.

24

70213

KNOB

LEVER control

5шт.

25

132-25

COTTER PIN,3/32" x 5/8"

5шт.

26

141-4

CLEVIS PIN,3/8" x 1.060"

Mounting yoke

5шт.

27

L11981

YOKE connecting rod

5шт.

28

25-156

JAM NUT,Jam, 3/8"-24, G5

HEX jam, 3/8" - 24 NF

5шт.

29

L11979

ROD connecting, R.H. stabilizer, dipper and L.H. stabilizer

1шт.

30

L11982

ROD connecting, boom control

1шт.

31

L11983

ROD connecting, bucket control

1шт.

32

141-3

CLEVIS PIN,5/16" x .940"

Rod to valve, boom, bucket, dipper and stabilizers

5шт.

33

132-25

COTTER PIN,3/32" x 5/8"

5шт.

34

132-25

COTTER PIN,3/32" x 5/8"

2шт.

35

141-4

CLEVIS PIN,3/8" x 1.060"

Mounting yoke

2шт.

36

213-4

ADJUSTABLE CLEVIS,3/8"-24 x 2 1/2"

YOKE connecting rod

2шт.

37

25-156

JAM NUT,Jam, 3/8"-24, G5

HEX jam, 3/8" - 24 NF

2шт.

38

L11980

ROD connecting, swing control

2шт.

39

A31054

AXLE PIN

ROD to valve, swing

1шт.

40

132-25

COTTER PIN,3/32" x 5/8"

1шт.

41

138-102

LOCK PIN,3/16" x 1 3/4", Slotted

2шт.

42

D32056

SPARE PART PEDALS swing

1шт.

43

D30711

SPARE PART SWING, R.H., early production

1шт.

44

D30706

BUSHING

PEDAL early production

2шт.

45

D30710

SPARE PART SWING, L.H., early production

1шт.

46

D30706

BUSHING

PEDAL early production

2шт.

47

D40866

PEDAL

PEDAL swing, R.H., late production

1шт.

48

D30706

BUSHING

PEDAL late production

2шт.

49

A37005

SPRING

PEDAL locking, late production

1шт.

50

138-96

LOCK PIN,3/16" x 1", Slotted

Late production

1шт.

51

D40856

SPARE PART PEDAL stop locking, R.H., late production

1шт.

52

D40864

SPARE PART PEDAL lock swing, R.H., late production

1шт.

53

D40867

PEDAL

SWING, L.H., late production

1шт.

54

D30706

BUSHING

PEDAL late production

2шт.

55

A37005

SPRING

PEDAL locking, late production

1шт.

56

138-96

LOCK PIN,3/16" x 1", Slotted

Late production

1шт.

57

D40857

SPARE PART STOP locking pedal, L.H., late production

1шт.

58

D40865

SPARE PART PEDAL lock swing, L.H., late production

1шт.

Выбрано товаров: 59