Запчасти Case 34 (126) - TWIN LEVER BACKHOE CONTROL

Схема запчастей Case 34 - (126) - TWIN LEVER BACKHOE CONTROL
25
37
15
7
25
29
11
13
15
2
16
8
17
28
16
25
23
11
24
40
35
10
18
36
19
12
1
6
20
26
7
42
6
12
27
23
27
30
5
3
13
34
39
45
4
32
43
21
31
38
22
41
26
14
44
9
33
FIT
1:1
100%

Артикул

Название

Примечание

Количество

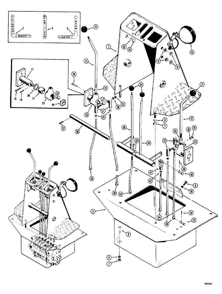
1

D38288

SPARE PART CONSOLE backhoe control, see Figure 128 for swing down seat arrangement and taillight

1шт.

2

321-917

DECAL

LEVER dipper and bucket

1шт.

3

321-918

DECAL

LEVER boom and swing

1шт.

4

321-919

DECAL

LEVER stabilizer

1шт.

5

D47255

SPARE PART TOWER control, 850 only

1шт.

D47254

SPARE PART TOWER control, 1150 only

1шт.

6

92-6

LOCK WASHER,3/8"

6шт.

7

25-106

NUT,3/8"-16, G5

HEX 3/8" - 16 NC

6шт.

8

13-632

BOLT,Hex, 3/8" - 16 x 2", Gr 5

4шт.

9

13-620

BOLT,Hex, 3/8" - 16 x 1-1/4", Gr 5, Full Thd

2шт.

10

92-6

LOCK WASHER,3/8"

2шт.

11

CAS31375

KNOB

LEVER control, large

2шт.

12

D38304

HANDLE

LEVER control, outer, R.H. - boom and swine, L.H. - dipper and bucket

2шт.

13

25-1110

NUT,5/8"-18, G5

HEX 5/8" - 18 NF

2шт.

14

13-620

BOLT,Hex, 3/8" - 16 x 1-1/4", Gr 5, Full Thd

4шт.

15

92-6

LOCK WASHER,3/8"

4шт.

16

25-106

NUT,3/8"-16, G5

HEX 3/8" - 16 NC

4шт.

17

D38299

SUPPORT

STUD lever

2шт.

18

138-96

LOCK PIN,3/16" x 1", Slotted

4шт.

19

132-25

COTTER PIN,3/32" x 5/8"

2шт.

20

CASD38298

RING

Ring, Snap, 1.438", Int, #143

2шт.

21

D38297

SPHERICAL BEARING,22.23mm ID x 36.51mm OD x 19.43mm W

TYPE pivotal ball

2шт.

22

D38303

ADAPTER

LEVER pivotal, R.H.

1шт.

23

D38302

ADAPTER

LEVER pivotal, L.H.

1шт.

24

D38305

BLOCK

WEAR level

2шт.

25

25-156

JAM NUT,Jam, 3/8"-24, G5

HEX jam, 3/8" - 24 NF

8шт.

26

92-6

LOCK WASHER,3/8"

4шт.

27

D38296

JOINT

TYPE ball

4шт.

28

D42824

ROD bent, connecting, dipper control, 850 only

1шт.

D42829

ROD bent, connecting, dipper control, 1150 only

1шт.

29

D42823

SPARE PART BENTconnecting, bucket control, 850 only

1шт.

D42828

SPARE PART BENTconnecting, bucket control, 1150 only

1шт.

30

D42822

ROD

STRAIGHT connecting, boom and swing control, 850 only

2шт.

D42827

ROD

STRAIGHT connecting, boom and swing control, 1150 only

2шт.

31

132-25

COTTER PIN,3/32" x 5/8"

6шт.

32

141-3

CLEVIS PIN,5/16" x .940"

Mounting connecting rod

6шт.

33

70213

KNOB

LEVER control, small

2шт.

34

D38307

LEVER

CONTROL, R.H. stabilizer

1шт.

35

195-2097

WASHER,15/16" x 1 3/4" x .083"

FLAT steel, 15/16"

1шт.

36

D38306

LEVER

CONTROL, L.H. stabilizer

1шт.

37

138-98

LOCK PIN,3/16" x 1 1/4", Slotted

1шт.

38

D30817

SHAFT

PIVOT lever

1шт.

39

132-25

COTTER PIN,3/32" x 5/8"

2шт.

40

141-4

CLEVIS PIN,3/8" x 1.060"

Mounting yoke

2шт.

41

213-4

ADJUSTABLE CLEVIS,3/8"-24 x 2 1/2"

YOKE connecting rod

2шт.

42

25-156

JAM NUT,Jam, 3/8"-24, G5

HEX jam, 3/8" - 24 NF

2шт.

43

D42820

SPARE PART BENT connecting, L.H. stabilizer control, 850 only

1шт.

D42825

SPARE PART BENT connecting, L.H. stabilizer control, 1150 only

1шт.

44

D42821

ROD straight, connecting, R.H. stabilizer control, 850 only

1шт.

D42826

SPARE PART STRAIGHT connecting, R.H. stabilizer control, 1150 only

1шт.

45

REF

INSTRUCTION

TAILLIGHT backhoe, parts list page 129

1шт.

Выбрано товаров: 51