Запчасти Case 34 (146) - HYDRAULIC OIL COOLING SYSTEM

Схема запчастей Case 34 - (146) - HYDRAULIC OIL COOLING SYSTEM
5
17
6
19
28
23
7
12
22
18
20
8
16
4
17
13
3
21
1
2
18
9
3
16
11
24
27
14
26
15
10
19
15
25
FIT
1:1
100%

Артикул

Название

Примечание

Количество

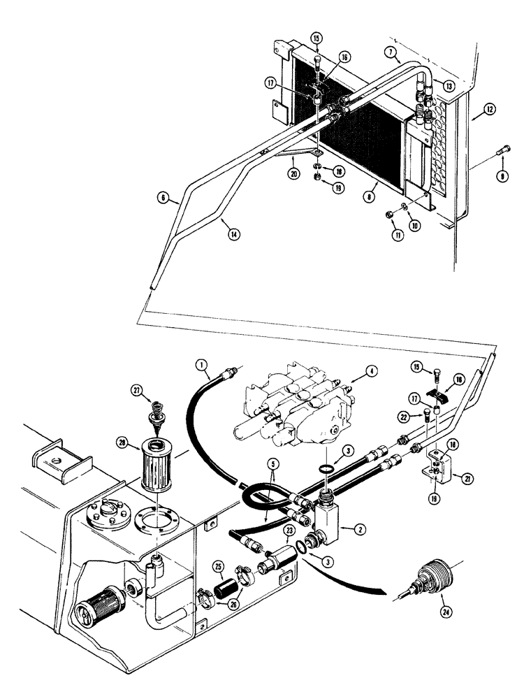
1

D41529

SPARE PART HOSE return from backhoe control valve, 68-1/2" long

1шт.

2

D44237

MANIFOLD

OIL hydraulic

1шт.

3

218-5011

O-RING,0.118" Thk x 1.475" ID, -920, Cl 6, 90 Duro

SEAL

2шт.

4

REF

INSTRUCTION

VALVE equipment control, see 850 crawler parts catalog for proper valve

1шт.

5

D42969

HOSE

COOLER intake and return, 36" long

2шт.

6

D44238

SPARE PART COOLER intake, rear

1шт.

7

D44242

SPARE PART COOLER intake, front

1шт.

8

D43926

SPARE PART OIL

1шт.

9

13-510

BOLT,Hex, 5/16" - 18 x 5/8", Gr 5, Full Thd

4шт.

10

92-5

LOCK WASHER,5/16"

4шт.

11

25-285

SQUARE NUT,Sq, 5/16"-18

SQUARE 5/16" - 18 NC

4шт.

12

D43936

GRILLE

COOLER oil, special

1шт.

13

D44241

SPARE PART COOLER return, front

1шт.

14

D44239

SPARE PART COOLER return, rear

1шт.

15

13-532

BOLT,Hex, 5/16" - 18 x 2", Gr 5

2шт.

16

D33316

CLAMP

TUBE

3шт.

17

D36040

BUSHING

SPACER tube clamp

2шт.

18

195-21

WASHER,5/16"

2шт.

19

131-4

LOCK NUT,5/16"-18, GB

2шт.

20

D44240

SPARE PART TUBE to valve cover

1шт.

21

D41389

BRACKET

TUBE

1шт.

22

13-832

BOLT,Hex, 1/2" - 13 x 2", Gr 5

1шт.

D45616

LOCK VALVE

ASSEMBLY bypass

1шт.

23

NSS

NOT SOLD SEPARAT

HOUSING bypass

1шт.

24

D44564

SPARE PART VALVE bypass

1шт.

25

18361

HOSE,1.25" ID x 5.00", SAE 100R3

PRESSURE low

1шт.

26

214-258

HOSE CLAMP,#28, 1.31" - 2.25", Type F Worm

2шт.

27

D35996

VALVE PRESSURE RELIE

VALVE pressure relief

1шт.

28

D35995

STRAINER ELEMENT

FILTER hydraulic tank, return line

1шт.

Выбрано товаров: 29