Запчасти Case 34 (190) - BACKHOE OUTLET SECTION AND INLET SECTION

Схема запчастей Case 34 - (190) - BACKHOE OUTLET SECTION AND INLET SECTION
10
21
29
19c
17
7
11
2
23
13
9
26
4
22
4
19a
24
14
5
30
28
15
19
20
19b
16
3
6
1
31
25
18
12
8
27
FIT
1:1
100%

Артикул

Название

Примечание

Количество

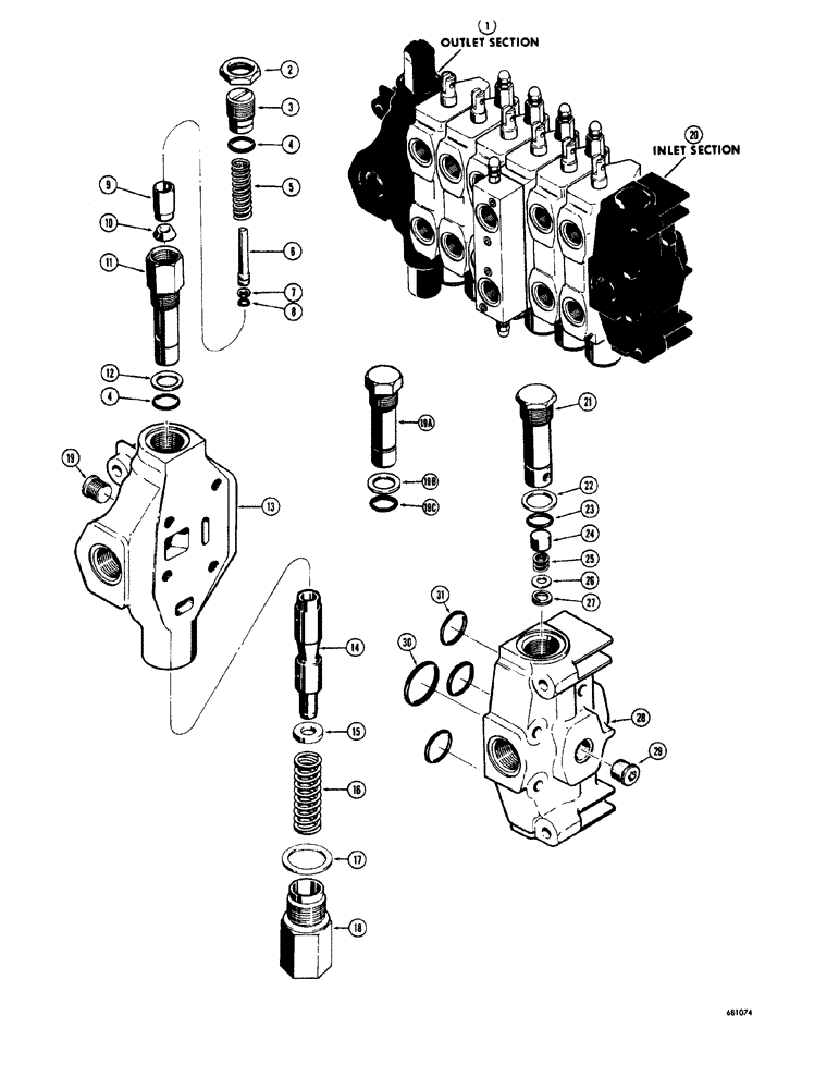
1

D40758

SECTION outlet, backhoe control valve, order D48112 outlet section for service

1шт.

D48112

SPARE PART OUTLET backhoe control valve, D40758 and D48112

1шт.

D32126

FILTER

CARTRIDGE relief, used in D40758 section only, D40758 and D48112

1шт.

2

R12507

LOCK NUT

LOCK adjusting screw, D40758 and D48112

1шт.

3

R21364

SCREW

ADJUSTING spring, D40758 and D48112

1шт.

4

D31413

O-RING,0.139" Thk x 0.859" ID, -212, Cl 5, 75 Duro

SEAL, D40758 and D48112

2шт.

5

D32476

SPRING

COMPRESSION, D40758 and D48112

1шт.

6

R16125

PLUNGER

DISPLACEMENT, D40758 and D48112

1шт.

7

R12509

RING

BACKUP, D40758 and D48112

1шт.

8

A27891

O-RING,0.103" Thk x 0.362" ID, -110, Cl 5, 75 Duro

SEAL, D40758 and D48112

1шт.

9

R12510

SEAT

FLOATING, D40758 and D48112

1шт.

10

R16123

WASHER, THRUST

SNUBBER check valve, D40758 and D48112

1шт.

11

D39700

KIT

ASSEMBLY shell, cartridge, D40758 and D48112

1шт.

12

23146

WASHER

GASKET, D40758 and D48112

1шт.

13

NSS

NOT SOLD SEPARAT

HOUSING outlet section, D40758 and D48112

1шт.

14

D40827

SPARE PART REGENERATION outlet section, D40758 and D48112

1шт.

15

D36807

SPACER

SPARE PART SPOOL, D40758 and D48112

1шт.

16

D36600

VALVE SPRING

SPARE PART SPOOL, D40758 and D48112

1шт.

17

D40759

GASKET

CAP, D40758 and D48112

1шт.

18

D36805

SPARE PART SECTION outlet, D40758 and D48112

1шт.

19

221-845

PLUG,Hex Soc, 3/4"-14

PIPE hex socket head, 3/4" NPT, D40758 and D48112

1шт.

19a

D48113

PLUG pipe, hex socket head, used in D48112 section only

1шт.

19b

D40822

WASHER

GASKET plug, used in D48112 section only

1шт.

19c

D31413

O-RING,0.139" Thk x 0.859" ID, -212, Cl 5, 75 Duro

SEAL used in D48112 section only

1шт.

20

D40753

SECTION inlet, backhoe control valve

1шт.

D40775

VALVE

ASSEMBLY check, D40753

1шт.

21

D40819

SPARE PART VALVE check, D40753

1шт.

22

D40822

WASHER

GASKET cartridge, D40753

1шт.

23

D31413

O-RING,0.139" Thk x 0.859" ID, -212, Cl 5, 75 Duro

SEAL, D40753

1шт.

24

D40820

SPARE PART VALVE check, D40753

1шт.

25

D26826

COMPRESSION SPRING

VALVE check, D40753

1шт.

26

D40821

RETAINER

SPRING, D40753

1шт.

27

R15512

SNAP RING,#87, .929", Int, Spiral

SPIROLOX, D40753

1шт.

28

NSS

NOT SOLD SEPARAT

HOUSING inlet section, D40753

1шт.

29

221-845

PLUG,Hex Soc, 3/4"-14

PIPE hex socket head, 3/4" NPT, D40753

1шт.

30

D32127

O-RING

SEAL 1-13/16" I.D. x 2" O.D., D40753

1шт.

31

D26820

O-RING,0.103" Thk x 1.549" ID, -129, Cl 5, 75 Duro

SEAL 1-9/16" I.D. x 1-3/4" O.D., D40753

3шт.

Выбрано товаров: 37