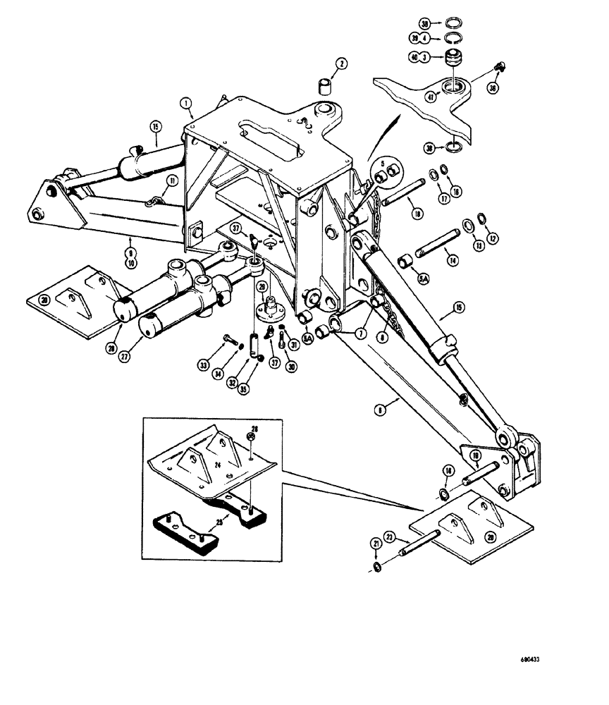
Запчасти Case 34 (104) - MOUNTING FRAME AND STABILIZERS (USED ON BACKHOE S.N. 1022951 AND AFTER)

Схема запчастей Case 34 - (104) - MOUNTING FRAME AND STABILIZERS (USED ON BACKHOE S.N. 1022951 AND AFTER)
24
5a
27
3
40
4
16
28
35
37
18
5a
9
25
19
37
6
7
16
20
31
30
33
29
2
10
20
12
11
39
38
34
36
5
15
8
41
17
1
32
26
21
14
23
15
38
13
FIT
1:1
100%

Артикул

Название

Примечание

Количество

1

D42779

FRAME backhoe mounting

1шт.

2

D21927

BUSHING,51.03mm ID x 63.45mm OD x 50.8mm L

UPPER frame to swing tower

1шт.

3

D23601

HOUSING

BUSHING pivotal ball type, see D14016 bushing kit, Ref. No.s 38 through 41

1шт.

4

100-21315

SNAP RING,3.156", Int, #315

BUSHING retaining, see D14016 bushing kit, Ref. No.s 38 through 41

1шт.

5

D34340

BUSHING,44.68mm ID x 53.98mm OD x 25.4mm L

STABILIZER bracket at cylinder

4шт.

5a

D33024

BUSHING,51.02mm ID x 63.5mm OD x 25.4mm L

STABILIZER bracket at leg

4шт.

6

D43292

SUPPORT ASSY.

LEG stabilizer, R.H.

1шт.

7

D30756

BUSHING,51.02mm ID x 63.5mm OD x 31.8mm L

, Serial Range: LEG-frame

2шт.

8

D39373

CHAIN (AG)

TRANSPORT

1шт.

9

D43291

SUPPORT ASSY.

LEG stabilizer, L.H.

1шт.

10

D30756

BUSHING,51.02mm ID x 63.5mm OD x 31.8mm L

, Serial Range: LEG-frame

2шт.

11

D39373

CHAIN (AG)

TRANSPORT

1шт.

12

D26919

SNAP RING,#200, Ext

Pin

4шт.

13

195-2155

WASHER,2 1/16" x 3" x .109"

FLAT steel, 2-1/16"

4шт.

14

D42911

PIN

STABILIZER, Serial Range: leg-frame

2шт.

15

D42708

SPARE PART STABILIZER 4" I.D. x 21-3/8" stroke, parts list page 167

2шт.

16

D25280

SNAP RING,#175, Ext

8шт.

17

195-2152

WASHER,1 13/16" x 2 1/2" x .109"

FLAT steel, 1-13/16"

4шт.

18

D37611

PIVOT PIN,44.45mm OD x 255.59mm L

CYLINDER stabilizer, closed end

2шт.

19

D42912

AXLE PIN

CYLINDER stabilizer, rod end

2шт.

20

D42767

PAD

FOOT stabilizer, cleated

2шт.

21

D26918

SNAP RING,#125, Ext

PIN retaining

4шт.

22

RESERVED

1шт.

23

D42785

AXLE PIN

FOOT stabilizer

2шт.

24

D43295

SPARE PART STABILIZER street or cemetery pad, optional

2шт.

25

D40469

SHOE (ASSY)

PAD rubber, D43295 stabilizer foot, optional

4шт.

26

D29712

SPECIAL NUT

HEX special

4шт.

27

REF

INSTRUCTION

CYLINDER hydraulic, R.H. swing, see Figures 168 and 170 for proper cylinder

1шт.

28

REF

INSTRUCTION

CYLINDER hydraulic, L.H. swing, see Figures 168 and 170 for proper cylinder

1шт.

29

D30724

PIN

SWING, Serial Range: cylinder-frame

4шт.

30

13-832

BOLT,Hex, 1/2" - 13 x 2", Gr 5

16шт.

31

92-8

LOCK WASHER,1/2"

16шт.

32

D30761

PIN

SWING cylinder to swing tower

2шт.

33

13-1064

BOLT,Hex, 5/8" - 11 x 4", Gr 5

HHCS 5/8" - 11 NC x 4"

2шт.

34

92-10

LOCK WASHER,5/8"

2шт.

35

25-1010

NUT,5/8"-11, G5

2шт.

36

219-55

LUBE NIPPLE,90 Degree Elbow, 1/8" - 27 NPTF

1шт.

37

219-39

FITTING

GREASE 45° 1/8" NPT

6шт.

D14016

KIT

BUSHING lower mounting frame

1шт.

38

D26991

BEARING

SPACER bearing

2шт.

39

100-21315

SNAP RING,3.156", Int, #315

BUSHING retaining

1шт.

40

D23601

HOUSING

BUSHING pivotal ball type

1шт.

41

D42630

BEARING

RETAINER

1шт.

Выбрано товаров: 43