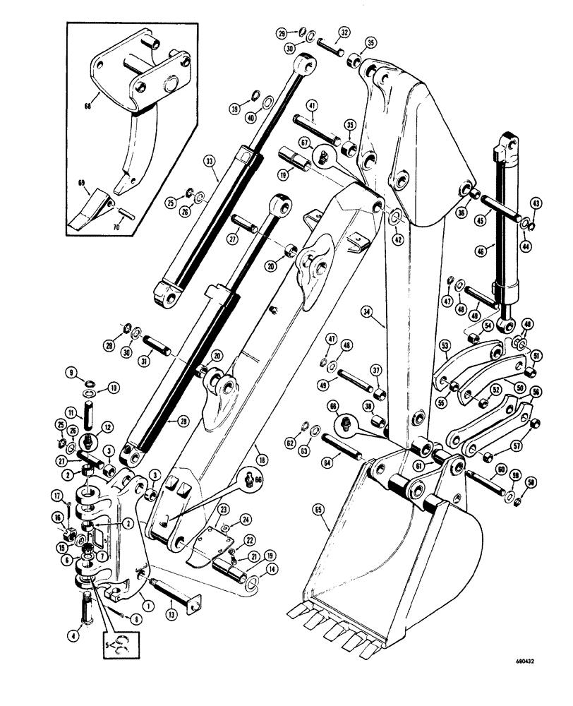
Запчасти Case 34 (106) - TOWER, BOOM, DIPPER ARM AND BUCKET

Схема запчастей Case 34 - (106) - TOWER, BOOM, DIPPER ARM AND BUCKET
4
56
47
67
28
59
20
66
32
3
48
38
46
37
57
65
27
41
1
69
52
23
46
48
42
19
18
34
70
29
43
33
24
13
54
63
44
58
39
30
31
64
49
2
25
35
20
12
9
26
19
53
61
5
6
7
22
35
49
11
48
60
29
68
25
10
51
47
14
26
40
66
27
17
45
50
3
21
55
16
8
62
2
30
15
FIT
1:1
100%

Артикул

Название

Примечание

Количество

1

D38484

TOWER backhoe swing

1шт.

2

D30756

BUSHING,51.02mm ID x 63.5mm OD x 31.8mm L

TOWER at mounting frame

2шт.

3

D33024

BUSHING,51.02mm ID x 63.5mm OD x 25.4mm L

TOWER at boom cylinder

2шт.

4

D37451

PIN

BOLT mounting, swing tower

1шт.

5

D26991

BEARING

SPACER bearing

2шт.

6

36478

SPARE PART WASHER special

1шт.

7

25-1324

SLOTTED NUT,1 1/2"-12, G5

HEX slotted, 1-1/2" - 12 NF

1шт.

8

132-154

COTTER PIN,1/4" x 2"

1шт.

9

D26919

SNAP RING,#200, Ext

Pin

2шт.

10

195-2155

WASHER,2 1/16" x 3" x .109"

FLAT steel, 2-1/16"

2шт.

11

D33637

PIN

TOWER to mounting frame

1шт.

12

219-1

LUBE NIPPLE,1/8" - 27 NPTF

1шт.

13

D32337

PIN

PIVOT, Serial Range: tower-boom

1шт.

14

D37449

SHIM,.0747" Thk

1шт.

15

D32338

WASHER

PIN

1шт.

16

129-297

NUT

SPARE PART HEX slotted, 1-1/4" - 7 NC

1шт.

17

132-157

COTTER PIN,Ext Prong Sq Cut, 1/4" x 2 1/2"

1шт.

18

D38482

X

BOOM backhoe, used before backhoe serial no. 1022951

1шт.

D44363

SPARE PART BACKHOE used on backhoe serial no. 1022951 and after

1шт.

19

D40466

BUSHING

at swing tower and dipper arm

2шт.

20

D33024

BUSHING,51.02mm ID x 63.5mm OD x 25.4mm L

CYLINDER brackets

4шт.

21

13-612

BOLT,Hex, 3/8" - 16 x 3/4", Gr 5, Full Thd

If used

4шт.

22

92-6

LOCK WASHER,3/8"

if used

4шт.

23

D37328

COVER

GUARD hose, if used

1шт.

24

A29277

WASHER

SPACER special, if used

4шт.

25

D26919

SNAP RING,#200, Ext

Pin

4шт.

26

195-2155

WASHER,2 1/16" x 3" x .109"

FLAT steel, 2-1/16"

4шт.

27

D37607

PIN

MOUNTING boom cylinder

2шт.

28

D40420

SPARE PART CYLINDER hydraulic, boom, 4-1/2" I.D. x 39-3/16" stroke, parts list page 173, when stock is exhausted, order D45503 boom cylinder for service

3 1шт.

D45503

CYLINDER ASSY.

HYDRAULIC boom, 4-1/2" I.D. x 39-3/16" stroke, parts list page 173

1шт.

29

D26919

SNAP RING,#200, Ext

Pin

4шт.

30

195-2155

WASHER,2 1/16" x 3" x .109"

FLAT steel, 2-1/16"

4шт.

31

D37607

PIN

MOUNTING crowd cylinder, at boom

1шт.

32

D37610

PIN

MOUNTING crowd cylinder, at dipper arm

1шт.

33

D38491

SPARE PART CYLINDER hydraulic, crowd, 4-1/2" I.D. x 35-1/8" stroke, parts list page 175, when stock is exhausted, order D43575 crowd cylinder for service

5 1шт.

D43575

CYLINDER ASSY.

HYDRAULIC crowd, 4-1/2" I.D. x 35-1/8" stroke, parts list page 175

1шт.

34

D38483

SPARE PART BACKHOE

1шт.

35

D30756

BUSHING,51.02mm ID x 63.5mm OD x 31.8mm L

DIPPER arm at crowd cylinder and boom

4шт.

36

D37392

BUSHING,44.68mm ID x 53.98mm OD x 31.75mm L

DIPPER arm at bucket cylinder

2шт.

37

D30933

BUSHING,38.41mm ID x 47.63mm OD x 31.75mm L

DIPPER arm at bucket link

2шт.

38

D37443

BUSHING,44.68mm ID x 57.15mm OD x 50.8mm L

DIPPER arm at bucket

2шт.

39

D26919

SNAP RING,#200, Ext

2шт.

40

195-2155

WASHER,2 1/16" x 3" x .109"

FLAT steel, 2-1/16"

2шт.

41

D37609

PIN

BOOM to dipper arm

1шт.

42

D37449

SHIM,.0747" Thk

1шт.

43

D25280

SNAP RING,#175, Ext

2шт.

44

195-2152

WASHER,1 13/16" x 2 1/2" x .109"

FLAT steel, 1-13/16"

2шт.

45

D37611

PIVOT PIN,44.45mm OD x 255.59mm L

BUCKET cylinder to dipper arm

1шт.

46

D38492

SPARE PART CYLINDER hydraulic, bucket, 4" I.D. x 27-1/4" stroke, parts list page 177, when stock is exhaustd, order D42628 bucket cylinder for service

1шт.

D42628

CYLINDER

HYDRAULIC bucket, 4" I.D. x 27-1/4" stroke, parts list page 177

1шт.

47

D25279

SNAP RING,M35, Int

RETAINING

4шт.

48

D28610

WASHER,38.5mm ID x 63.5mm OD x 2.66mm Thk

SPECIAL

6шт.

49

D37612

PIN,38.1mm OD x 222.25mm L

BUCKET cylinder to bucket linkage and dipper arm

2шт.

50

D37445

LINK

BUCKET cylinder to dipper arm, R.H.

1шт.

51

D30933

BUSHING,38.41mm ID x 47.63mm OD x 31.75mm L

LINK at bucket cylinder

1шт.

52

D32919

BUSHING,38.4mm ID x 47.63mm OD x 19.05mm L

LINK at dipper arm

1шт.

53

D37444

LINK

SPARE PART BUCKET cylinder to dipper arm, L.H.

1шт.

54

D30933

BUSHING,38.41mm ID x 47.63mm OD x 31.75mm L

LINK at bucket cylinder

1шт.

55

D32919

BUSHING,38.4mm ID x 47.63mm OD x 19.05mm L

LINK at dipper arm

1шт.

56

D37452

LINK

BUCKET, Serial Range: cylinder-bucket

2шт.

57

D30933

BUSHING,38.41mm ID x 47.63mm OD x 31.75mm L

LINK

2шт.

58

D25279

SNAP RING,M35, Int

RETAINING

2шт.

59

D28610

WASHER,38.5mm ID x 63.5mm OD x 2.66mm Thk

SPECIAL

2шт.

60

D37614

PIN,38mm Od x 246mm L

BUCKET link to bucket, used with all buckets except high capacity trenching buckets and the frost point

1шт.

D30899

PIVOT PIN,38.1mm OD x 338.14mm L

BUCKET link to bucket, used with high capacity trenching buckets and the frost point only

1шт.

61

D37450

SPACER,40.89mm ID x 48.26mm OD x 63.5mm L

SPACER link

1шт.

62

D25280

SNAP RING,#175, Ext

2шт.

63

195-2152

WASHER,1 13/16" x 2 1/2" x .109"

FLAT steel, 1-13/16"

2шт.

64

D37613

PIN

BUCKET to dipper arm, see D40244 pin

1шт.

D40244

PIN,44.45mm OD x 327.02mm L

BUCKET to dipper arm, used with D37472 and D41547 buckets only

1шт.

65

REF

INSTRUCTION

BUCKET backhoe, see pages 115 and 117 for options

1шт.

66

219-1

LUBE NIPPLE,1/8" - 27 NPTF

2шт.

67

219-55

LUBE NIPPLE,90 Degree Elbow, 1/8" - 27 NPTF

1шт.

68

NSS

NOT SOLD SEPARAT

BODY frost point

1шт.

69

D43416

POINT

POINT tooth

1шт.

70

D43417

PIN

FLEX point

1шт.

Выбрано товаров: 76