Запчасти Case 34 (112) - DIPPER LIGHT

Схема запчастей Case 34 - (112) - DIPPER LIGHT
33
16
30
14
27
28
34
35
20
9
25
16
26
41
16
22
6
1
6
16
19
7
36
37
12
40
4
29
45
24
3
31
5
39
10
6
8
2
17
13
32
11
38
21
14
15
18
43
44
6
6
42
1
23
FIT
1:1
100%

Артикул

Название

Примечание

Количество

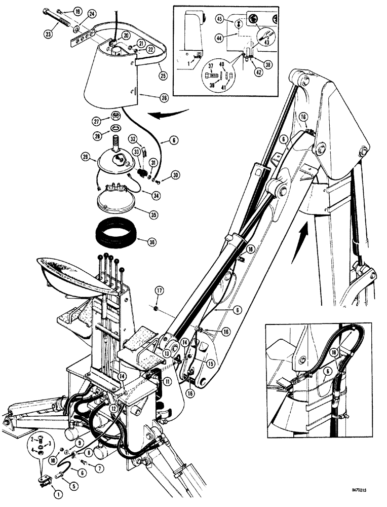
1

D38499

SOCKET

DISCONNECT quick, female

1шт.

2

173-100

BOLT,Sl Rnd Hd, #10 - 24 x 3/4"

RHMS, #10 - 24 NC x 3 /4"

2шт.

3

92-3

LOCK WASHER,#10

2шт.

4

129-7

NUT,Hex, #10 - 24

2шт.

5

D31547

PLUG quick disconnect, male

1шт.

6

D37808

SPARE PART CONSOLS to dipper light, 216" long

1шт.

7

13-528

BOLT,Hex, 5/16" - 18 x 1-3/4", Gr 5

HHCS 5/16" - 18 NC x 1-3/4"

1шт.

8

49853

TOOL

WIRE at mounting frame

1шт.

9

95-5

WASHER,3/8" x 7/8" x .083"

WROT standard, 5/16"

1шт.

10

131-4

LOCK NUT,5/16"-18, GB

1шт.

11

D37810

GROMMET at swing tower

1шт.

12

13-532

BOLT,Hex, 5/16" - 18 x 2", Gr 5

1шт.

13

80049853

YOKE

WIRE at swing tower

1шт.

14

195-21

WASHER,5/16"

2шт.

15

131-4

LOCK NUT,5/16"-18, GB

1шт.

16

49853

TOOL

WIRE at boom

3-4шт.

17

131-4

LOCK NUT,5/16"-18, GB

2шт.

18

214-258

HOSE CLAMP,#28, 1.31" - 2.25", Type F Worm

Used with extendable dipper only

3шт.

19

13-612

BOLT,Hex, 3/8" - 16 x 3/4", Gr 5, Full Thd

1шт.

20

80049853

YOKE

WIRE at dipper

1шт.

21

195-25

WASHER,3/8"

1шт.

22

131-6

LOCK NUT,3/8"-16, GC

HEX lock, 3/8" - 16 NC

1шт.

23

113-443

BOLT,Hex, 1/2" - 13 x 6-1/2", Gr 5

2шт.

24

92-8

LOCK WASHER,1/2"

2шт.

25

D41171

BAND

STRAP light mounting

2шт.

26

D41427

SHIELD

LIGHT dipper

1шт.

27

131-354

LOCK NUT,1/2"-13, GA

HEX lock, 1/2" - 13 NC

1шт.

28

195-33

WASHER,1/2"

PLAIN 1/2"

1шт.

D37811

LAMP

ASSEMBLY light, dipper arm

1шт.

29

NSS

NOT SOLD SEPARAT

BODY light

1шт.

30

173-73

SCREW,Sl Rnd Hd, #8 - 32 x 1/4"

SPECIAL

2шт.

31

193-25

LOCK WASHER,Int Tooth, 0.172" ID x 0.332" OD, STL, PLN

2шт.

32

10927

SPRING

SPARE PART LIGHT

1шт.

33

B50293

TERMINAL CONNECTOR

LIGHT

1шт.

34

A25262

ELECTRICAL WIRE

WIRE LIGHT

1шт.

35

D33182

LAMP

BULB seal beam

1шт.

36

D31441

RETAINER

LIGHT

1шт.

37

14-824

BOLT,Hex, 1/2" - 20 x 1-1/2", Gr 5

HCCS 1/2" - 20 NF x 1-1/2"

1шт.

38

D38497

BRACKET female quick disconnect and switch mounting

1шт.

39

195-33

WASHER,1/2"

PLAIN 1/2"

1шт.

40

92-8

LOCK WASHER,1/2"

1шт.

41

25-118

NUT,1/2"-20, G5

HEX 1/2" - 20 NF

1шт.

42

D38493

SPARE PART LIGHT dipper

1шт.

43

D38495

SPARE PART TYPE spade, at switch and taillight

4шт.

44

D38498

SPARE PART DISCONNECT switch to female quick, taillight and taillight wire , cut to length as required

1шт.

45

32395

SEAL ASSY.

TERMINAL bullet type, at taillight wire

1шт.

Выбрано товаров: 46