Запчасти Case 35 (034) - BACKHOE CONTROL VALVE, DIPPER EXTENSION SECTION

Схема запчастей Case 35 - (034) - BACKHOE CONTROL VALVE, DIPPER EXTENSION SECTION
FIT
1:1
100%

Артикул

Название

Примечание

Количество

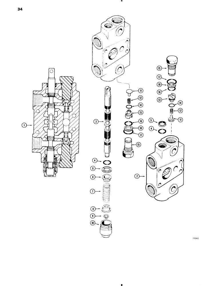
1

G33121

VALVE

SECTION ASSEMBLY - dipper extension, used before backhoe SN 5355084, order G100193, Includes: Ref. 2 - 18

1шт.

1

G100193

VALVE

SECTION ASSEMBLY - dipper extension, used on backhoe SN 5355084 and after, Includes: Ref. 2 - 18

1шт.

2

NSS

NOT SOLD SEPARAT

BODY - section

1шт.

3

NSS

NOT SOLD SEPARAT

SPOOL - valve

1шт.

4

A27365

O-RING,0.103" Thk x 0.75" ID, -116, Cl 5, 75 Duro

- body

2шт.

5

A32309

SEAL,18.8mm ID x 25.5mm OD x 3.1mm Thk

- valve spool

1шт.

6

G33803

RETAINER

- O-ring

1шт.

7

G34463

SPRING

- spool centering

1шт.

8

G33075

RETAINER,12.2mm ID, 27.9mm OD

- centering spring

2шт.

9

G33077

SNAP RING,#47, Ext

Ring, Snap, #47, Ext

1шт.

10

G33080

CAP

- centering spring

1шт.

11

G33081

VALVE POPPET

POPPET - load check

2шт.

12

G33573

SPRING

- load check

1шт.

13

G33084

PLUG

- load check

2шт.

14

G33686

O-RING,0.07" Thk x 0.61" ID

- plug

2шт.

15

G33122

PLUG,ORB

ASSEMBLY - relief port, Includes: Ref. 16 - 18

2шт.

16

G100959

O-RING,0.744" ID x 0.879" OD

- plug

1шт.

17

218-5008

O-RING,0.116" Thk x 0.924" ID, -912, Cl 6, 90 Duro

- plug

1шт.

18

G35540

BACK-UP RING,19.43mm ID x 22.23mm OD x 1.32mm Thk

- backup, if used

1шт.

Выбрано товаров: 19