Запчасти Case 35 (014) - SWING CYLINDER HYDRAULICS

Схема запчастей Case 35 - (014) - SWING CYLINDER HYDRAULICS
FIT
1:1
100%

Артикул

Название

Примечание

Количество

1

REF

INSTRUCTION

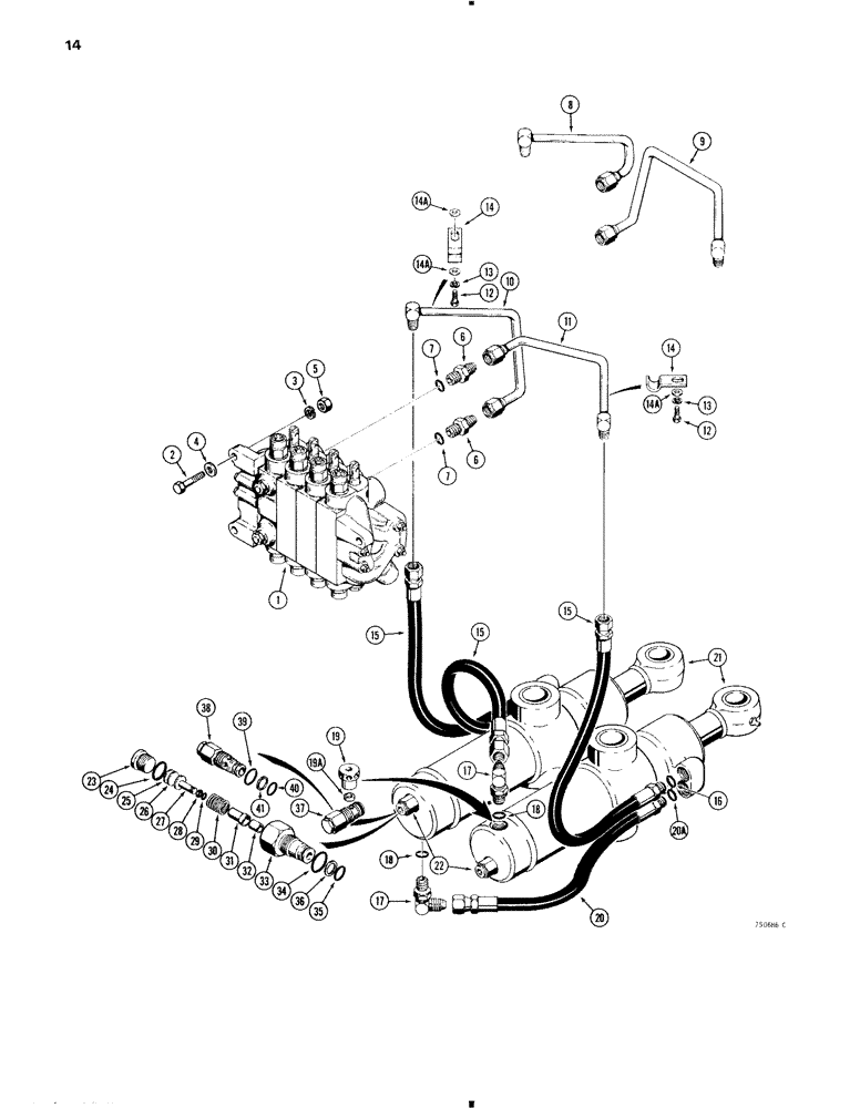
VALVE - backhoe control, parts list Figure 30

1шт.

2

13-832

BOLT,Hex, 1/2" - 13 x 2", Gr 5

3шт.

3

92-8

LOCK WASHER,1/2"

3шт.

4

95-8

WASHER,1/2"

flat 1/2"

3шт.

5

25-108

NUT,1/2"-13, G5

- hex, 1/2" - 13 NC

3шт.

6

218-5078

HYD CONNECTOR,7/8" - 14 Male JIC x 1-5/16" - 12 Male ORB

FITTING - male, straight adapter, Includes: Ref. 7

2шт.

7

218-5010

O-RING,0.116" Thk x 1.171" ID, -916, Cl 6, 90 Duro

- fitting

1шт.

8

D68461

TUBE

- upper port of swing section to rod end of swing cylinder, used on models with hand swing control

1шт.

9

D68459

TUBE

- lower port of swing section to rod end of swing cylinder, used on models with hand swing control

1шт.

10

D68313

TUBE

- lower port of swing section to rod end of swing cylinder, used on models with foot swing control

1шт.

11

D68311

PIPE

TUBE - upper port of swing section to rod end of swing cylinder, used on models with foot swing control

1шт.

12

13-812

BOLT,Hex, 1/2" - 13 x 3/4", Gr 5

HHCS - 1/2" - 13 NC x 3/4"

2шт.

13

92-8

LOCK WASHER,1/2"

2шт.

14

D50551

CLIP

CLAMP - tube

2шт.

14a

195-33

WASHER,1/2"

- flat, 1/2"

2шт.

15

D39140

HOSE,12.7mm ID x 609.6mm L, SAE 100R2

- tube to swing cylinders, 24" (610 mm) long, Includes: Ref. 16

3шт.

17

218-5121

ELBOW,90 Degree Elbow, 3/4" - 16 Male JIC x 7/8" - 14 Male ORB

FITTING - 90 degree, adjustable, Includes: Ref. 18

2шт.

18

237-6010

O-RING,0.097" Thk x 0.755" ID, -910, Cl 6, 90 Duro

- fitting

1шт.

19

D76235

VALVE

RESTRICTOR - flow control, models without extendahoe

2шт.

19

D45555

FITTING

RESTRICTOR - flow control, models with extendahoe

2шт.

19a

D91609

BUSHING

SPACER - restrictor, used only on cylinders having a .950" (24.13 mm) or deeper bore depth

2шт.

20

D39140

HOSE,12.7mm ID x 609.6mm L, SAE 100R2

- swing cylinder, 24" (610 mm), Includes: Ref. 20A

1шт.

21

REF

INSTRUCTION

CYLINDER - swing, parts list Figure 48, 50, 52, or 54

2шт.

22

D47557

VALVE

- relief, Allen head, if used, Includes: Ref. 23 - 36

2шт.

23

D40354

PLUG

- relief valve, Includes: Ref. 24

1шт.

25

D40355

SHIM,.005" Thk

Spring guide (0.127 mm) .005" Thk

1шт.

26

16917

SHIM

- spring guide, .010" (0.254 mm)

1шт.

27

D37150

GUIDE

- spring

1шт.

28

D37147

RING

- backup, spring guide

1шт.

29

A51274

O-RING,0.145" ID x 0.285" OD

- spring guide

1шт.

30

D37148

SPRING

- plunger

1шт.

31

D37151

PLUNGER

- relief valve

1шт.

32

D37075

SEAT

- plunger

1шт.

33

D47667

CAP

BODY - relief valve

1шт.

34

237-6010

O-RING,0.097" Thk x 0.755" ID, -910, Cl 6, 90 Duro

- valve body to cylinder

1шт.

35

D26265

O-RING,1.78mm Thk x 14mm ID, 70 Duro

- valve body

1шт.

36

D37071

RING

- backup, valve body seal

1шт.

37

D55017

VALVE

- relief, hex head, if used, order Ref. 22 above, Includes: Ref. 38 - 41

2шт.

38

NSS

NOT SOLD SEPARAT

BODY ASSEMBLY - relief valve

1шт.

39

237-6010

O-RING,0.097" Thk x 0.755" ID, -910, Cl 6, 90 Duro

- outer

1шт.

40

D26265

O-RING,1.78mm Thk x 14mm ID, 70 Duro

- inner

1шт.

41

D37071

RING

- backup, inner O-ring

1шт.

16

218-5006

O-RING,0.087" Thk x 0.644" ID, -908, Cl 6, 90 Duro

- hose

1шт.

20a

218-5006

O-RING,0.087" Thk x 0.644" ID, -908, Cl 6, 90 Duro

- hose

1шт.

24

218-5006

O-RING,0.087" Thk x 0.644" ID, -908, Cl 6, 90 Duro

plug

1шт.

Выбрано товаров: 45