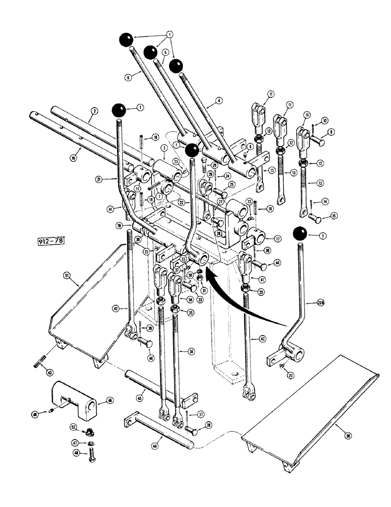
Запчасти Case 35 (132) - INDIVIDUAL LEVEL AND BACKHOE CONTROL (35) WITH CASE,COMMERCIAL & CESSNA CONTROL VALVES

Схема запчастей Case 35 - (132) - INDIVIDUAL LEVEL AND BACKHOE CONTROL (35) WITH CASE,COMMERCIAL & CESSNA CONTROL VALVES
37
36
27
51
23
42
1
12
46
7
41
35
23
1
18
34
13
3
31
24
47
52
14
6
12
30
1
23
20
40
39
18
44
26
25
17
19
40
11
48
42
15
32
21
11
43
8
39
22
12
18
35
38
22a
13
45
45
4
1
50
11
41
23
2
9
5
28
29
16
23
13
10
17
33
FIT
1:1
100%

Артикул

Название

Примечание

Количество

1

D59912

KNOB

5шт.

2

D56227

SHAFT

-upper

1шт.

3

D50561

Bracket

1шт.

4

D50393

LEVER

-control, boom

1шт.

5

D50392

Lever-control, dipper

1шт.

6

D50391

LEVER

-control, bucket

1шт.

7

138-136

LOCK PIN,1/4" x 1 1/4", Slotted

PIN, 1/4" x 1 1/4", Slotted

1шт.

8

219-4

LUBE NIPPLE,1/8" - 27 NPTF

Fitting-grease "1/8"

3шт.

9

141-104

PIN,3/8" x 1.060"

3шт.

10

132-25

COTTER PIN,3/32" x 5/8"

Pin, Split (Cotter), 3/32" x 5/8"

3шт.

11

213-4

ADJUSTABLE CLEVIS,3/8"-24 x 2 1/2"

Yoke

3шт.

12

25-116

NUT,Hex, 3/8"-24, G5

-hex. "3/8" NF"

3шт.

13

D50415

ROD

3шт.

14

132-25

COTTER PIN,3/32" x 5/8"

Pin, Split (Cotter), 3/32" x 5/8"

3шт.

15

141-103

CLEVIS PIN,5/16" x .940"

Pin

3шт.

16

D50416

SHAFT

-lower

1шт.

17

D50557

LEVER

Sleeve-outer

2шт.

18

138-136

LOCK PIN,1/4" x 1 1/4", Slotted

PIN, 1/4" x 1 1/4", Slotted

3шт.

19

D58217

SLEEVE

-inner

1шт.

20

195-45

WASHER,3/4"

1шт.

21

D56231

HANDLE

Lever-stabilizer control, LH

1шт.

22

D56234

HANDLE

Lever-stabilizer control, RH (with standard dipper)

1шт.

22a

D56187

HANDLE

Lever-stabilizer control, RH (with extendahoe)

1шт.

23

219-55

LUBE NIPPLE,90 Degree Elbow, 1/8" - 27 NPTF

NIPPLE, LUBE, 90º, 1/8" NPT x .84" lg

4шт.

24

132-25

COTTER PIN,3/32" x 5/8"

Pin, Split (Cotter), 3/32" x 5/8"

1шт.

25

141-104

PIN,3/8" x 1.060"

1шт.

26

D50414

ROD

1шт.

27

132-25

COTTER PIN,3/32" x 5/8"

Pin, Split (Cotter), 3/32" x 5/8"

1шт.

28

141-103

CLEVIS PIN,5/16" x .940"

Pin

1шт.

29

13-620

BOLT,Hex, 3/8" - 16 x 1-1/4", Gr 5, Full Thd

3шт.

30

92-6

LOCK WASHER,3/8"

3шт.

31

25-106

NUT,3/8"-16, G5

-hex. "3/8" NC"

3шт.

32

132-25

COTTER PIN,3/32" x 5/8"

Pin, Split (Cotter), 3/32" x 5/8"

2шт.

33

141-104

PIN,3/8" x 1.060"

2шт.

34

213-4

ADJUSTABLE CLEVIS,3/8"-24 x 2 1/2"

Yoke

2шт.

35

25-116

NUT,Hex, 3/8"-24, G5

-hex. "3/8" NF"

4шт.

36

D56050

AXLE PIN

Rod-stabilizer control

2шт.

37

132-25

COTTER PIN,3/32" x 5/8"

Pin, Split (Cotter), 3/32" x 5/8"

2шт.

38

141-103

CLEVIS PIN,5/16" x .940"

Pin

2шт.

39

132-25

COTTER PIN,3/32" x 5/8"

Pin, Split (Cotter), 3/32" x 5/8"

4шт.

40

141-104

PIN,3/8" x 1.060"

4шт.

41

213-4

ADJUSTABLE CLEVIS,3/8"-24 x 2 1/2"

Yoke

2шт.

42

D50405

ROD

-actuating, swing pedal

2шт.

43

138-136

LOCK PIN,1/4" x 1 1/4", Slotted

PIN, 1/4" x 1 1/4", Slotted

2шт.

44

D50406

SHAFT

RH

1шт.

45

D50407

SHAFT

LH

1шт.

46

D50413

Housing

2шт.

47

92-6

LOCK WASHER,3/8"

4шт.

48

13-614

BOLT,Hex, 3/8" - 16 x 7/8", Gr 5, Full Thd

4шт.

49

219-4

LUBE NIPPLE,1/8" - 27 NPTF

Fitting-grease "1/8"

2шт.

50

E30517

Pedal, RH

1шт.

51

E30518

PEDAL

LH

1шт.

52

E30576

WASHER

4шт.

Выбрано товаров: 0