Запчасти Case 35 (252) - FRAME-SLIDING

Схема запчастей Case 35 - (252) - FRAME-SLIDING
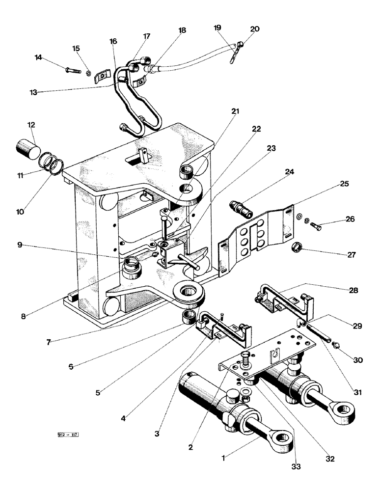
10
29
2
27
7
15
13
1
32
23
18
30
14
31
28
25
19
17
24
4
33
6
21
26
20
3
5
22
16
11
12
8
9
FIT
1:1
100%

Артикул

Название

Примечание

Количество

1

REF

INSTRUCTION

Cylinder hyd.swing, ., Voir Figure 172/See Figure 172/Siehe

2шт.

2

13-1648

BOLT,Hex, 1" - 8 x 3", Gr 5

-hex. "1"x3" NC"

4шт.

D36505

WASHER,26.99mm ID x 47.63mm OD x 2.38mm Thk

-plain

8шт.

25-1016

NUT,1"-8, G5

4шт.

3

E32492

TUBE

Support-tube, RH

1шт.

4

13-618

BOLT,Hex, 3/8" - 16 x 1-1/8", Gr 5

4шт.

92-6

LOCK WASHER,3/8"

4шт.

25-106

NUT,3/8"-16, G5

-hex. "3/8" NC"

4шт.

5

E32568

Frame-sliding

1шт.

6

D31142

BUSHING,51.02mm ID x 63.5mm OD x 38.1mm L

2шт.

7

D50132

SPACER,57.15mm ID x 114.3mm OD x 7.94mm L

Washer

1шт.

8

D60159

BUSHING,60.55mm ID x 69.85mm OD x 38.1mm L

2шт.

9

219-8

LUBE NIPPLE,1/4" - 28 NPTF

NIPPLE, LUBE, 1/4"-28 NPT x .54" lg

1шт.

10

D35889

SEAL,76.2mm ID x 85.72mm OD x 2.39mm Thk

Washer-leather

8шт.

11

R13774

O-RING,0.21" Thk x 2.975" ID, -337, Cl 5, 75 Duro

-337, 70 Duro, 2.975" ID x .210" Thk

4шт.

12

E18071

PISTON ASSY.

Piston-locking cyl.

4шт.

13

D34244

SPACER

1шт.

14

413-632

BOLT,Hex, 3/8" - 16 x 2", Gr 5

1шт.

15

92-6

LOCK WASHER,3/8"

1шт.

16

E30170

TUBE

-RH

1шт.

17

E30171

TUBE

-LH

1шт.

18

D40236

CLAMP

2шт.

19

E11244

CHAIN (CE)

Chain

1шт.

20

214-6

X

Clamp

2шт.

21

E30199

PIN

1шт.

22

132-89

COTTER PIN,3/16" x 3/4"

Pin, Split (Cotter), 3/16" x 3/4"

1шт.

23

E18086

LEVER

1шт.

24

218-676

FITTING,Blkhd, 1 1/16"-12, 37 Degree x 1 1/16"-12, 37 Degree

FIT STL BULKHD .75MJ .75MJ

6шт.

25

E18058

PLATE

1шт.

26

13-716

BOLT,Hex, 7/16" - 14 x 1", Gr 5

4шт.

92-7

LOCK WASHER,7/16"

4шт.

95-7

WASHER,7/16"

-plain " 7/16"

4шт.

27

218-1256

BHD LOCK NUT,Blkhd, 1 1/16"-12

NUT, LOCK, Blkhd, 1 1/16"-12

6шт.

28

E32493

BRACKET

Support-tube, LH

1шт.

29

221-411

ELBOW,90 Degree, 1/8"-27, NPT

Street 90º, 1/8"-27, NPT

2шт.

30

219-87

LUBE NIPPLE,1/4" - 28 NPTF

NIPPLE, LUBE, 1/4"-28 x .56" lg, Self-Tap

2шт.

31

E32603

TUBE

2шт.

32

E32486

SHIELD

Sheet-top

1шт.

33

D60159

BUSHING,60.55mm ID x 69.85mm OD x 38.1mm L

2шт.

Выбрано товаров: 0