Запчасти Case 35 (024) - HYDRAULIC INSTALLATION, 4-IN-1 BUCKET AND GRAPPLE

Схема запчастей Case 35 - (024) - HYDRAULIC INSTALLATION, 4-IN-1 BUCKET AND GRAPPLE
9
21
8
17
9
16
7
18
14
25
20
1
22
10
12
26
4
15
7
11
1
9
5
8
8
27
6
19
6
6
7
23
13
24
FIT
1:1
100%

Артикул

Название

Примечание

Количество

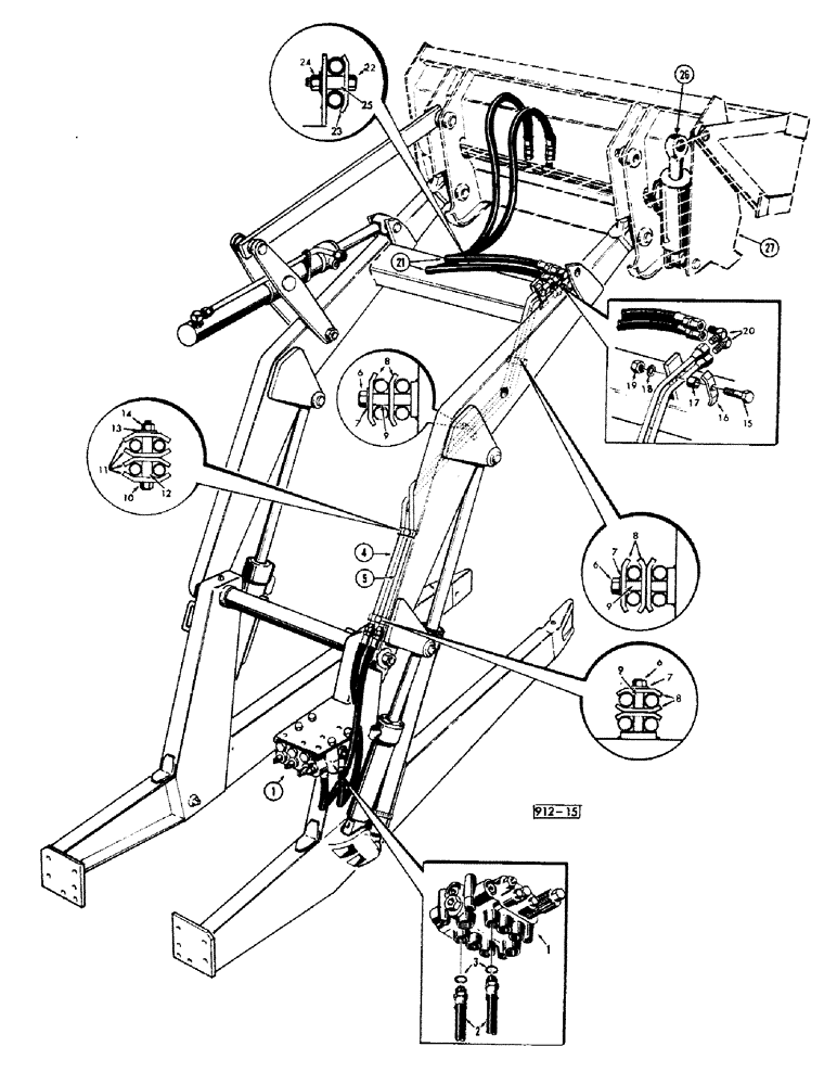
1

REF

INSTRUCTION

Valve-loader control, 3-spool, ., Voir Figure 70/See Figure 70/Siehe

1шт.

2

D34399

HOSE

ass'y

2шт.

3

237-6010

O-RING,0.097" Thk x 0.755" ID, -910, Cl 6, 90 Duro

10-1, 90 Duro, .755" ID x .097" Thk

1шт.

4

D34405

TUBE

1шт.

5

D34403

TUBE

1шт.

6

13-530

BOLT,Hex, 5/16" - 18 x 1-7/8", Gr 5

"5/16" x 1-7/8" NC"

3шт.

7

95-5

WASHER,3/8" x 7/8" x .083"

"5/16"

3шт.

8

R17319

CLAMP

-tube

6шт.

9

D33551

BUSHING

Spacer-clamp

3шт.

10

13-536

BOLT,Hex, 5/16" - 18 x 2-1/4", Gr 5

1шт.

11

R17319

CLAMP

-tube

4шт.

12

D33551

BUSHING

Spacer-clamp

2шт.

13

95-5

WASHER,3/8" x 7/8" x .083"

"5/16"

1шт.

14

131-4

LOCK NUT,5/16"-18, GB

Nut-hex. "5/16" NC"

1шт.

15

13-528

BOLT,Hex, 5/16" - 18 x 1-3/4", Gr 5

"5/16" x 1-3/4" NC"

1шт.

16

R17319

CLAMP

-tube

1шт.

17

D33551

BUSHING

Spacer-clamp

1шт.

18

95-5

WASHER,3/8" x 7/8" x .083"

"5/16"

1шт.

19

131-4

LOCK NUT,5/16"-18, GB

Nut "5/16" NC"

1шт.

20

218-474

ELBOW,90 Degree Elbow, 3/4" - 16 Male JIC x 3/4" - 16 Male JIC

2шт.

21

D34401

HOSE ASSY.

Hose

2шт.

22

13-528

BOLT,Hex, 5/16" - 18 x 1-3/4", Gr 5

"5/16" x 1-3/4" NC"

1шт.

23

D33316

CLAMP

-tube

1шт.

24

131-4

LOCK NUT,5/16"-18, GB

Nut-hex. "5/16" NC"

1шт.

25

D33554

BUSHING

Spacer-clamp

1шт.

26

REF

INSTRUCTION

Cylinder-4-in-1 bucket, ., Voir Figure 96/See Figure 96/Siehe

2шт.

27

REF

INSTRUCTION

Bucket-4-in-1, ., Voir page 18/See page 18/Siehe

1шт.

Выбрано товаров: 27