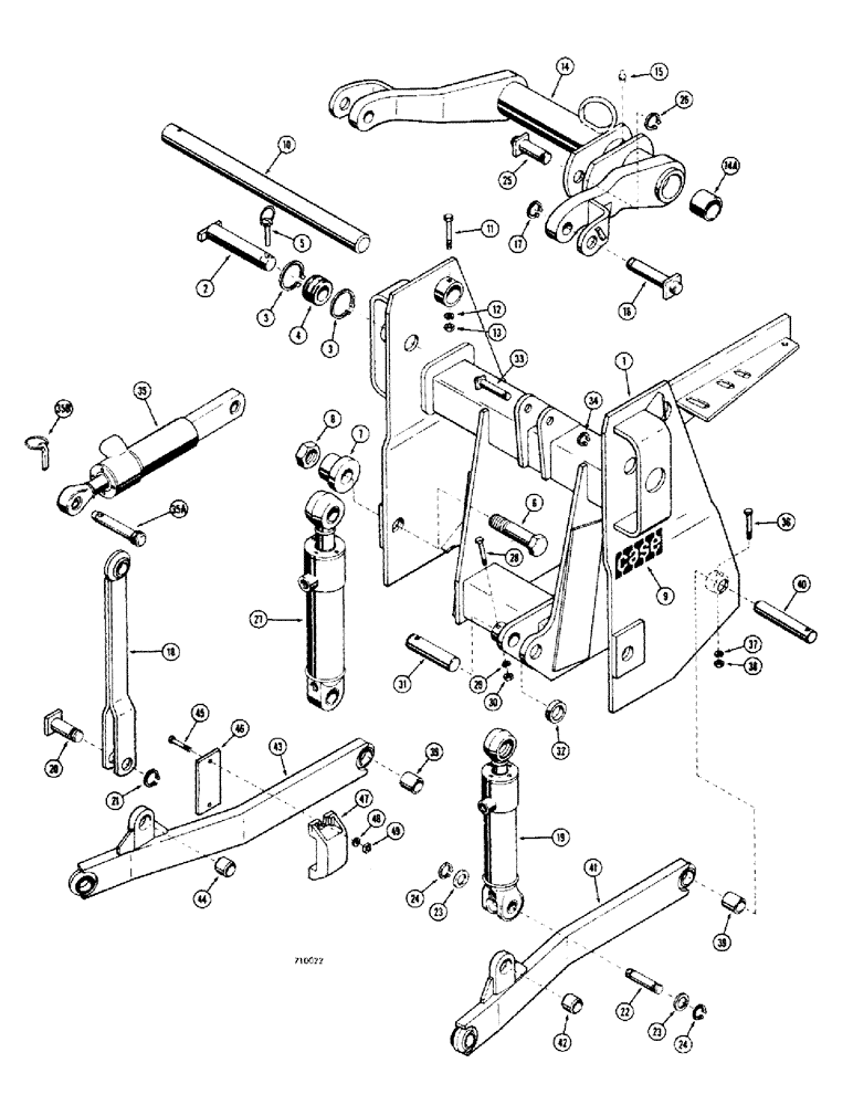
Запчасти Case 35 (308) - 3-POINT HITCH (FRAME)

Схема запчастей Case 35 - (308) - 3-POINT HITCH (FRAME)
23
35
39
25
4
28
27
31
34
23
12
30
47
39
41
5
3
19
24
32
22
10
46
14
48
35b
49
44
1
29
38
45
26
11
24
2
15
7
18
40
16
20
42
36
43
35a
9
3
13
8
14a
6
17
37
21
33
FIT
1:1
100%

Артикул

Название

Примечание

Количество

1

D51594

FRAME

1шт.

2

D54957

PIN

2шт.

3

F40807

SNAP RING,#225, Ext

Ring, Snap, #225, Ext

4шт.

4

D51895

SPACER

2шт.

5

D33805

PIN

-klik

2шт.

6

13-2068

BOLT,Hex, 1-1/4" - 7 x 4-1/4", Gr 5

2шт.

7

D51573

Pin

2шт.

8

25-1020

NUT,1 1/4"-7, G5

2шт.

9

321-2425

DECAL

2шт.

10

D51569

SHAFT

1шт.

11

13-648

BOLT,Hex, 3/8" - 16 x 3", Gr 5

-hex. "3/8" x 3" NC"

1шт.

12

92-6

LOCK WASHER,3/8"

1шт.

13

25-106

NUT,3/8"-16, G5

-hex. "3/8" NC"

1шт.

14

D51650

Tube

1шт.

14a

D50146

BUSHING,44.68mm ID x 57.15mm OD x 38.1mm L

2шт.

15

219-4

LUBE NIPPLE,1/8" - 27 NPTF

Fitting-grease

2шт.

16

D51299

PIN

2шт.

17

D25277

SNAP RING,23.5mm ID x 2.62mm Thk

Ring-retaining

2шт.

18

D51276

STAND

Strut

1шт.

19

REF

INSTRUCTION

Cylinder-tilt, ., Voir Figure 336/See Figure 336/Siehe

1шт.

20

D51297

PIN

1шт.

21

D25277

SNAP RING,23.5mm ID x 2.62mm Thk

Ring-retaining

1шт.

22

D30609

PIN,25.4mm OD x 95.25mm L

1шт.

24

D25277

SNAP RING,23.5mm ID x 2.62mm Thk

Ring-retaining

2шт.

25

D51302

PIN

1шт.

26

D26918

SNAP RING,#125, Ext

Ring, Snap, #125, Ext

1шт.

27

REF

INSTRUCTION

Cylinder-lift, ., Voir Figure 334/See Figure 334/Siehe

1шт.

28

13-640

BOLT,Hex, 3/8" - 16 x 2-1/2", Gr 5

-hex. "3/8" x 2-1/2" NC"

1шт.

29

92-6

LOCK WASHER,3/8"

1шт.

30

25-106

NUT,3/8"-16, G5

-hex. "3/8"

1шт.

31

D51695

PIN

1шт.

32

D51692

SPACER

1шт.

33

D51294

PIN

1шт.

34

T25683

SNAP RING,#75, Ext

Ring, Snap, #75, Ext

1шт.

35

REF

INSTRUCTION

Cylinder-pitch, ., Voir Figure 338/See Figure 338/Siehe

1шт.

35a

G16735

PIN

1шт.

35b

A30338

PIN

-klik

1шт.

36

13-640

BOLT,Hex, 3/8" - 16 x 2-1/2", Gr 5

-hex. "3/8" x 2-1/2" NC"

2шт.

37

92-6

LOCK WASHER,3/8"

2шт.

38

25-106

NUT,3/8"-16, G5

-hex. "3/8" NC"

2шт.

39

D51588

PIVOT

Tube

2шт.

40

D50724

PIN,25.4mm OD x 160.27mm L

2шт.

41

D51339

ARM

-RH

1шт.

42

D51608

BUSHING,25.63mm ID x 34.92mm OD x 25.4mm L

1шт.

43

D51340

ARM

-LH

1шт.

44

D51608

BUSHING,25.63mm ID x 34.92mm OD x 25.4mm L

1шт.

45

413-632

BOLT,Hex, 3/8" - 16 x 2", Gr 5

4шт.

46

D56245

PLATE

2шт.

47

D51722

CASTING

Anchor

2шт.

48

92-6

LOCK WASHER,3/8"

4шт.

49

25-226

SQUARE NUT,Sq, 3/8"-16

"3/8" NC"

4шт.

Выбрано товаров: 51