Запчасти Case 35 (314) - 3 POINT HITCH (CONTROL LEVERS)

Схема запчастей Case 35 - (314) - 3 POINT HITCH (CONTROL LEVERS)
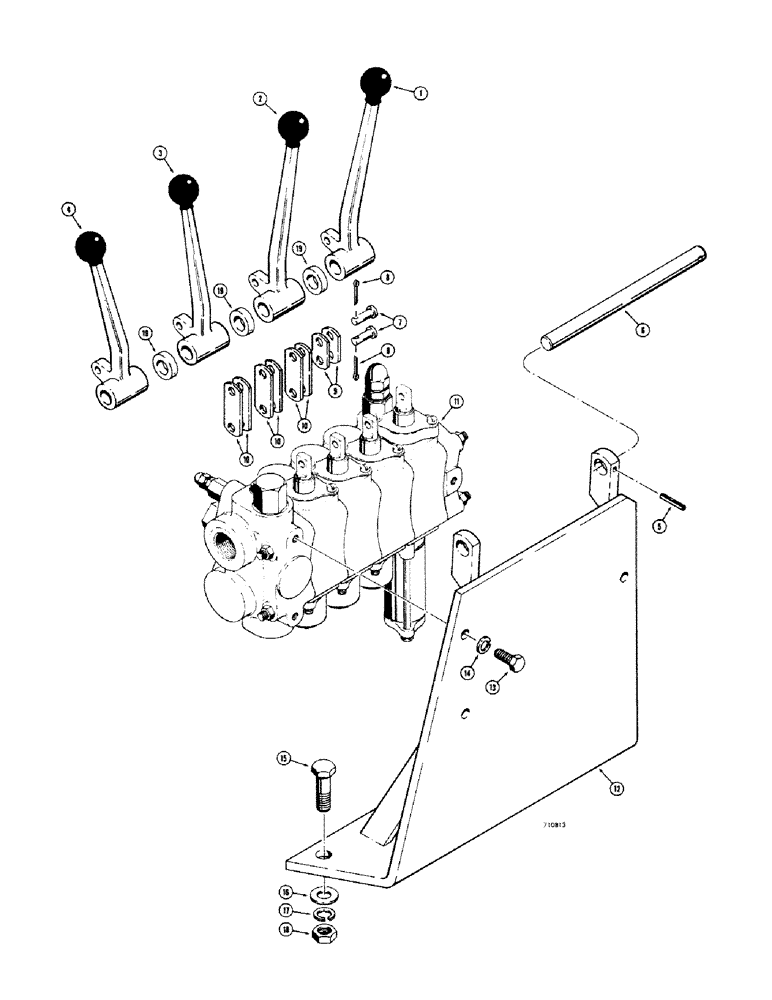
1
4
10
19
10
19
18
11
8
17
18
12
15
13
14
6
7
5
9
2
8
16
3
10
FIT
1:1
100%

Артикул

Название

Примечание

Количество

1

D33255

LEVER

control, lift

1шт.

2

D51689

Lever control, pitch

1шт.

3

D51690

LEVER

control, tilt

1шт.

4

D33256

Lever control, implement

1шт.

5

138-98

LOCK PIN,3/16" x 1 1/4", Slotted

PIN, 3/16" x 1 1/4", Slotted

1шт.

6

D52945

SHAFT

1шт.

7

141-103

CLEVIS PIN,5/16" x .940"

Pin

8шт.

8

132-25

COTTER PIN,3/32" x 5/8"

Pin, Split (Cotter), 3/32" x 5/8"

8шт.

9

D52980

Link (short)

2шт.

10

D38089

LINK

(long)

6шт.

11

D52970

CONTROL VALVE

Valve, Voir Figure 324/See Figure 324/Siehe

1шт.

12

D52950

Plate

1шт.

13

13-612

BOLT,Hex, 3/8" - 16 x 3/4", Gr 5, Full Thd

3шт.

14

92-6

LOCK WASHER,3/8"

3шт.

15

13-824

BOLT,Hex, 1/2" - 13 x 1-1/2", Gr 5, Full Thd

3шт.

16

95-8

WASHER,1/2"

- plain 1/2"

3шт.

17

92-8

LOCK WASHER,1/2"

3шт.

18

25-108

NUT,1/2"-13, G5

-hex. "1/2" NC"

3шт.

19

D52944

Spacer

3шт.

Выбрано товаров: 19