Запчасти Case 35 (332) - SECTION PITCH, TILT AND IMPLEMENT

Схема запчастей Case 35 - (332) - SECTION PITCH, TILT AND IMPLEMENT
6
5
3
15
6
13
17
11
5
9
12
4
19
15
2
1
11
18
16
11
10
12
8
7
14
10
FIT
1:1
100%

Артикул

Название

Примечание

Количество

D53594

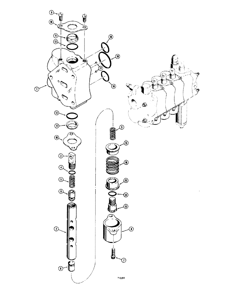
HYD VALVE SECTION

Section - Valve, pitch, tilt and implement spools

3шт.

1

NUS-NSS

Housing NEG

1шт.

2

NUS-NSS

Spool NEG

1шт.

3

D53616

Eye-spool

1шт.

4

218-5005

O-RING,0.078" Thk x 0.468" ID, -906, Cl 6, 90 Duro

6-1, 90 Duro, .468" ID x .078" Thk, component of D59668 seal repair kit

1шт.

5

D53601

SPRING

2шт.

6

D53615

VALVE POPPET

Poppet

2шт.

7

166-4

12 PT SCREW,Flg, 1/4" - 20 x 3/4", Gr 8

Capscrew "1/4" x 3/4" NC"

2шт.

8

D53613

CAP

1шт.

9

71-48

SCREW,Slotted Fil Hd, 1/4"-20 x 1/2"

"1/4" x 1/2" NC"

2шт.

10

D53612

PLATE

2шт.

11

D53610

WIPER SEAL

Wiper, component of D59668 seal repair kit

2шт.

12

F62075

O-RING,0.139" Thk x 0.734" ID, -210, Cl 5, 75 Duro

"O" Ring, component of D59668 seal repair kit

2шт.

13

D53614

Bolt

1шт.

14

218-5005

O-RING,0.078" Thk x 0.468" ID, -906, Cl 6, 90 Duro

6-1, 90 Duro, .468" ID x .078" Thk, component of D59668 seal repair kit

1шт.

15

D53656

Retainer

2шт.

16

D53606

Spring

1шт.

17

211-105

BALL,5/32" Dia

component of D59668 seal repair kit

2шт.

18

R15366

O-RING,7/8" ID x 1" OD x 1/16"

"O" Ring, component of D59668 seal repair kit

2шт.

19

T39567

O-RING,1.489" ID x 1.629" OD x 0.07"

"O" Ring, component of D59668 seal repair kit

1шт.

Выбрано товаров: 20