Запчасти Case 35C (9-28) - MOUNTING FRAME AND STABILIZERS (09) - CHASSIS/ATTACHMENTS

Схема запчастей Case 35C - (9-28) - MOUNTING FRAME AND STABILIZERS (09) - CHASSIS/ATTACHMENTS
FIT
1:1
100%

Артикул

Название

Примечание

Количество

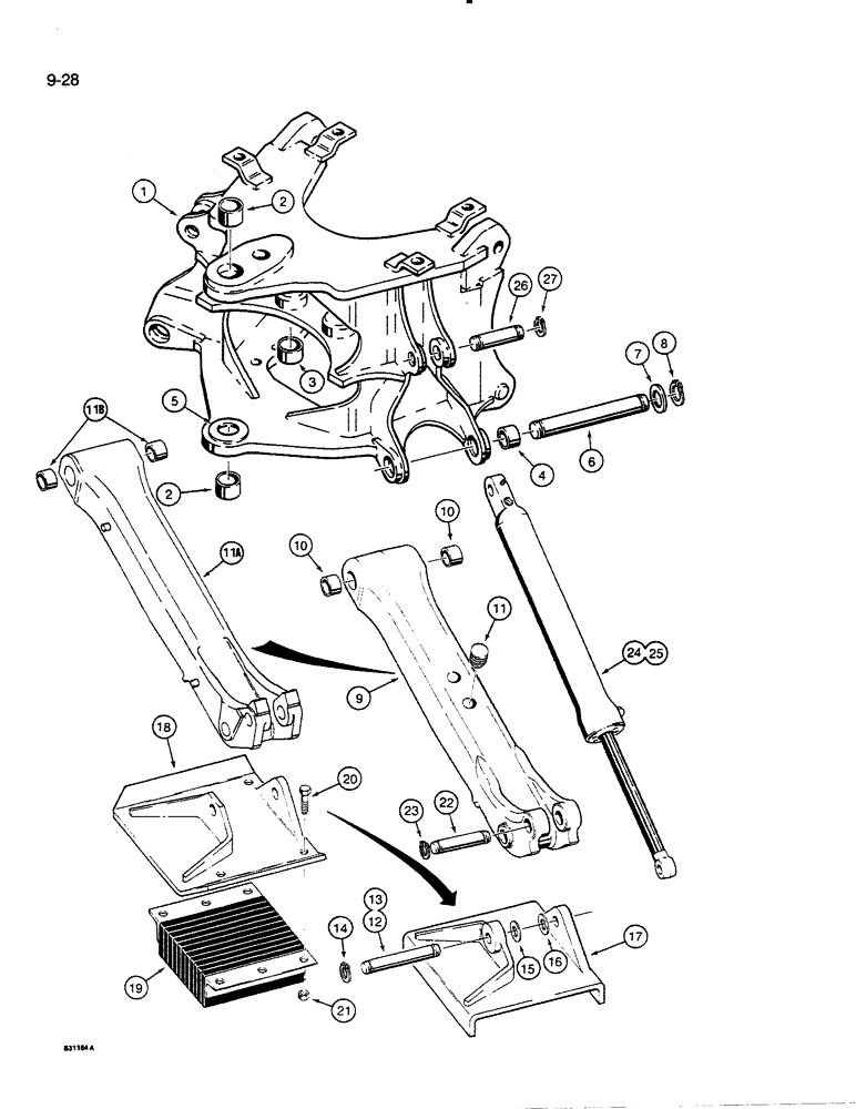
1

D93335

FRAME

- backhoe mounting, Includes: Ref. 2 - 5

1шт.

2

D90722

BUSHING,57.38mm ID x 76.2mm OD x 43mm L

- swing tower mounting, upper and lower

2шт.

3

D60159

BUSHING,60.55mm ID x 69.85mm OD x 38.1mm L

- swing cylinder plate

2шт.

4

D37495

BUSHING,44.76mm ID x 57.15mm OD x 31.75mm L

- stabilizers

4шт.

5

D73848

WASHER,60mm ID x 120mm OD x 4mm L

- bearing, Serial Range: welds-frame

1шт.

6

D89838

PIN,44.45mm OD x 320mm L

- stabilizer leg to mounting frame

2шт.

7

195-2152

WASHER,1 13/16" x 2 1/2" x .109"

- flat, 1-13/16 x 2-1/2 x 1/8 inch

4шт.

8

D25280

SNAP RING,#175, Ext

Ring, Snap, , D89838 pin #175, Ext

4шт.

9

D94215

STABILIZER

LEG - stabilizer, no longer used, order D133428 leg (Ref. 11A), Includes: Ref. 10 & 11

2шт.

10

D50146

BUSHING,44.68mm ID x 57.15mm OD x 38.1mm L

- leg to frame

2шт.

11

D120450

PLUG

- leg

4шт.

11a

D133428

STABILIZER

LEG - stabilizer, without plugs, Includes: Ref. 11B

2шт.

11b

D50146

BUSHING,44.68mm ID x 57.15mm OD x 38.1mm L

- leg to frame

2шт.

12

D28648

PIN,1.5" OD x 10 7/16" L

- D88427 stabilizer, Serial Range: plate-leg

2шт.

13

D50696

PIN,38.1mm OD x 225.55mm L

- D61376 stabilizer, Serial Range: plate-leg

2шт.

14

D25279

SNAP RING,M35, Int

RING - snap, pin retaining

4шт.

15

D28610

WASHER,38.5mm ID x 63.5mm OD x 2.66mm Thk

- shim, 2-1/2 inch (63.5 mm) OD x 7/64 inch (3 mm) thick

1шт.

16

D31312

WASHER

- shim, 2-3/4 inch (70 mm) OD x 1/16 inch (1.6 mm) thick

1шт.

17

D88427

PLATE

- stabilizer, cleated, if used

2шт.

18

D61376

STABILIZER

PLATE - stabilizer, street or cemetery pad, if used, uses D61368 pad, 850C, 850D/855D or 855E Crawler models

2шт.

18a

D61380

STABILIZER

PLATE - stabilizer, street or cemetery pad, if used, uses D61368 pad, W14 Loader models, not shown

2шт.

19

D61368

PAD

Rubber, D61376 or D61380 stabilizer plate, if used

2шт.

20

413-1228

BOLT,Hex, 3/4" - 10 x 1-3/4", Gr 5

- hex, 3/4 NC x 1-3/4 inch

8шт.

21

425-1012

NUT,3/4"-10, G5

- hex, 3/4 inch NC

8шт.

22

D26002

PIN,38.1mm OD x 187.32mm L

- stabilizer, Serial Range: cylinder-leg

2шт.

23

D25279

SNAP RING,M35, Int

RING - snap, pin retaining

4шт.

24

G109140

CYLINDER

ASSEMBLY - stabilizer, right-hand, parts list Figure 8-66

1шт.

25

G109139

CYLINDER

ASSEMBLY - stabilizer, left-hand, parts list Figure 8-66, not shown

1шт.

26

D32930

PIN,38.1mm OD x 127mm L

- stabilizer, Serial Range: cylinder-frame

2шт.

27

D25279

SNAP RING,M35, Int

RING - snap, pin retaining

4шт.

Выбрано товаров: 0