Запчасти Case 36 (28) - HYDRAULIC OIL COOLING SYSTEM

Схема запчастей Case 36 - (28) - HYDRAULIC OIL COOLING SYSTEM
FIT
1:1
100%

Артикул

Название

Примечание

Количество

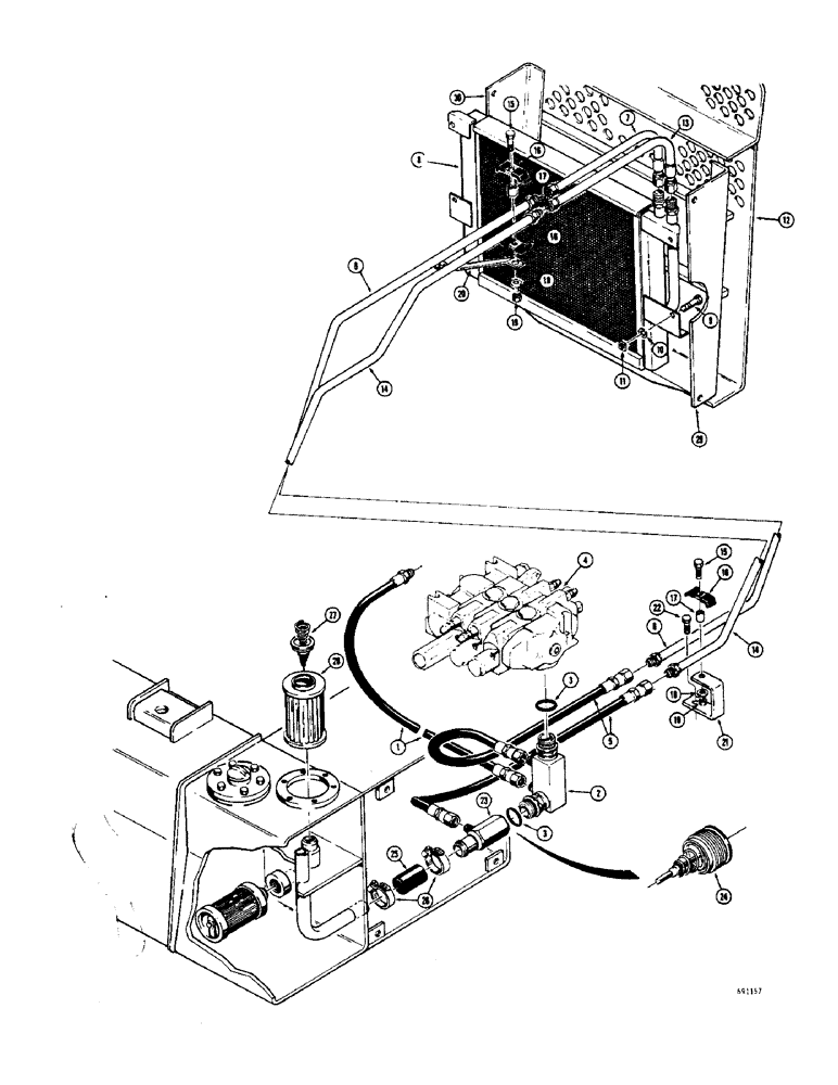
1

D47231

HOSE

- return from backhoe control valve (68-1/2" long)

1шт.

2

D44237

MANIFOLD

- special (When stock is exhausted, order R29626 manifold for service), Includes: Ref. 3

1шт.

2

R29626

MANIFOLD - special, Includes: Ref. 3

1шт.

3

218-5011

O-RING,0.118" Thk x 1.475" ID, -920, Cl 6, 90 Duro

SEAL - "O" ring

2шт.

4

REF

INSTRUCTION

VALVE - equipment control (See 850 crawler parts catalog for proper valve)

1шт.

5

D42969

HOSE

- cooler intake and return (36" long)

2шт.

6

D44238

TUBE - cooler intake, rear

1шт.

7

D44242

TUBE - cooler intake, front

1шт.

8

D46968

COOLER - oil

1шт.

9

13-510

BOLT,Hex, 5/16" - 18 x 5/8", Gr 5, Full Thd

4шт.

10

92-5

LOCK WASHER,5/16"

4шт.

11

25-165

NUT,5/16"-18, G5, Hvy

- square (5/16" - 18 NC)

4шт.

12

D46959

GRILLE

- oil cooler, special

1шт.

13

D44241

TUBE - cooler return, front

1шт.

14

D44239

TUBE - cooler return, rear

1шт.

15

13-532

BOLT,Hex, 5/16" - 18 x 2", Gr 5

2шт.

16

D33316

CLAMP

- tube

3шт.

17

D36040

BUSHING

SPACER - tube clamp

2шт.

18

195-21

WASHER,5/16"

- plain () 5/16"

2шт.

19

131-4

LOCK NUT,5/16"-18, GB

NUT - hex., lock (5/16" - 18 NC)

2шт.

20

D44240

BRACKET - tube to valve cover

1шт.

21

D41389

BRACKET

- tube

1шт.

22

13-832

BOLT,Hex, 1/2" - 13 x 2", Gr 5

1шт.

D45616

LOCK VALVE

VALVE ASSEMBLY - bypass, Includes: Ref. 23 and 24

1шт.

23

NSS

NOT SOLD SEPARAT

HOUSING - bypass

1шт.

24

D44564

VALVE - bypass

1шт.

25

18361

HOSE,1.25" ID x 5.00", SAE 100R3

- low pressure

1шт.

26

214-258

HOSE CLAMP,#28, 1.31" - 2.25", Type F Worm

2шт.

27

D35996

VALVE PRESSURE RELIE

VALVE - pressure relief

1шт.

28

D35995

STRAINER ELEMENT

FILTER - hydraulic tank, return line

1шт.

29

D46961

BRACE

- grille, R.H.

1шт.

30

D46962

BRACE

- grille, L.H.

1шт.

Выбрано товаров: 32