Запчасти Case 36 (44) - D38705 BACKHOE CONTROL VALVE

Схема запчастей Case 36 - (44) - D38705 BACKHOE CONTROL VALVE
FIT
1:1
100%

Артикул

Название

Примечание

Количество

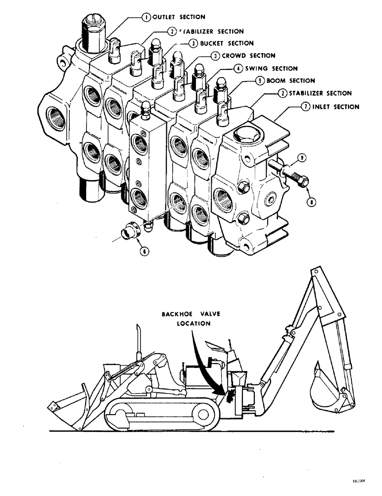
D38705

VALVE - backhoe control, Includes: Ref. 1 - 9

1шт.

1

D40758

OUTLET SECTION - backhoe control valve (Parts list figure 46)

1шт.

2

D40754

STABILIZER SECTION - backhoe control valve (Parts list figure 48)

2шт.

3

D40757

BUCKET AND CROWD SECTION - backhoe control valve (Parts list figure 50)

2шт.

4

D40756

KNIFE SECTION

SWING SECTION - backhoe control valve (Parts list figure 52)

1шт.

5

D40755

BOOM SECTION - backhoe control valve (Parts list figure 54)

1шт.

6

D27565

VALVE

RESTRICTOR - boom drop, boom section only

1шт.

7

D40753

INLET SECTION - backhoe control valve (Parts list figure 46)

1шт.

8

D47626

STUD ASSEMBLY - backhoe control valve

4шт.

9

195-33

WASHER,1/2"

- plain () 1/2"

4шт.

10

D46952

BELLOWS

- valve spool (Not shown)

6шт.

Выбрано товаров: 11