Запчасти Case 36 (82) - G33810 CYL. W/40-1/8" STROKE W/SWAGED TYPE TUBE W/SOLID OUTER WIPER & INNER BUSHING, TUBE RING WELDM

Схема запчастей Case 36 - (82) - G33810 CYL. W/40-1/8" STROKE W/SWAGED TYPE TUBE W/SOLID OUTER WIPER & INNER BUSHING, TUBE RING WELDM
FIT
1:1
100%

Артикул

Название

Примечание

Количество

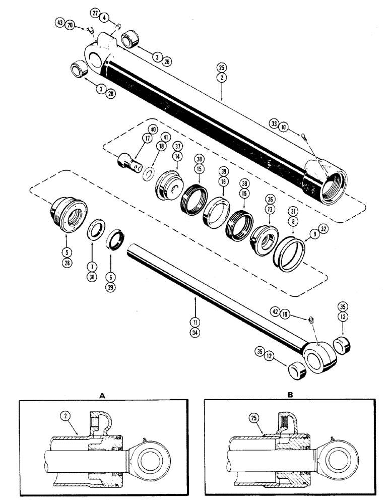
G33810

CYLINDER BLOCK

CYLINDER ASSY. - crowd, Includes: Ref. 2 - 20

1шт.

2

G33812

TUBE,4.495" ID x 4.5" DIA x 49.50" L

ASSY. - (Swaged) (See inset A), Includes: Ref. 3

1шт.

3

D38943

BUSHING,51.02mm ID x 63.5mm OD x 28.6mm L

- tube

2шт.

4

221-11

PLUG,Sq Hd, 1/8"-27

- tube (1/8" P.T., sq. hd.)

1шт.

5

G32731

GLAND

ASSY. - w/bushing, Includes: Ref. 6 - 9

1шт.

6

D95145

WIPER SEAL,54.79mm ID x 70.09mm OD x 7.91mm W

WIPER - piston rod, outer (2-1/4 x 2-3/4 x 5/16")

1шт.

Part of cylinder repair seal kit P/N G32285

1шт.

7

G107924

SEAL,57.1mm ID x 69.9mm OD x 10.69mm Thk

SEAL - piston rod (2-1/4 x 2-3/4 x 7/16")

1шт.

Part of cylinder repair seal kit P/N G32285

1шт.

8

A23316

O-RING,0.139" Thk x 4.484" ID, -246, Cl 5, 75 Duro

"O" RING - gland (4-1/2 x 4-3/4 x 1/8")

1шт.

Part of cylinder repair seal kit P/N G32285

1шт.

9

G32284

BACK-UP RING

- gland "O" ring back-up

1шт.

Part of cylinder repair seal kit P/N G32285

1шт.

10

187-1031

SELF-TAP SCREW,Pan, 0.164"-32 x 1/4"

SCREW - gland lock (#8-32 x 1/4" self tapping)

1шт.

11

D44659

ROD

ASSY. - piston (2-1/4" dia.), Includes: Ref. 12

1шт.

12

D38943

BUSHING,51.02mm ID x 63.5mm OD x 28.6mm L

- piston rod

2шт.

13

D46425

PISTON

- split (Rod end)

1шт.

14

D46931

PISTON

- spit (Bolt end)

1шт.

15

D47205

PACKING

ASSY. - piston ("V" type)

2шт.

Part of cylinder repair seal kit P/N G32285

1шт.

16

D47210

BEARING WASHER,82.58mm ID x 113.97mm OD x 19mm Thk

RING - center bearing

1шт.

17

28-2044

BOLT,Hex, 1-1/4" - 12 x 2-3/4", Gr 8

- Hex, 1-1/4"-12 NF x 2-3/4", G8, Piston

1шт.

18

G32351

WASHER

- piston bolt (1-3/8 x 2-1/2 x 5/32")

1шт.

19

219-1

LUBE NIPPLE,1/8" - 27 NPTF

FITTING - grease (1/8" P.T. str.)

1шт.

20

219-55

LUBE NIPPLE,90 Degree Elbow, 1/8" - 27 NPTF

NIPPLE, LUBE, 90º, 1/8" NPT x .84" lg

1шт.

G32285

SEAL

KIT - cylinder repair, Includes: Ref. 6 thru 9 and 15

1шт.

G32683

HYD TUBE,4.5" ID x 52.62" L

CYLINDER ASSY. - crowd (Replaces D49525), with tube ring weldment, Includes: Ref. 25 - 43

1шт.

25

D44661

CYLINDER

TUBE ASSY. - (Ring welded) (See inset B), G32683 crowd cylinder with ring weldment, Includes: Ref. 26

1шт.

26

D38943

BUSHING,51.02mm ID x 63.5mm OD x 28.6mm L

- , G32683 crowd cylinder with tube ring weldment

2шт.

27

221-11

PLUG,Sq Hd, 1/8"-27

- tube (1/8" P.T., sq, hd.), G32683 crowd cylinder with ring weldment

1шт.

28

G32731

GLAND

ASSY. - w/bushing, G32683 crowd cylinder with tube ring weldment, Includes: Ref. 29 - 32

1шт.

29

D95145

WIPER SEAL,54.79mm ID x 70.09mm OD x 7.91mm W

WIPER - piston rod, outer (2-1/4 x 2-3/4 x 5/16"), G32683 crowd cylinder with tube ring weldment

1шт.

Part of cylinder repair seal kit P/N G32285

1шт.

30

D39359

RUBBER SEAL

SEAL - piston rod (2-1/4 x 2-3/4 x 7/16"), G32683 crowd cylinder with tube ring weldment

1шт.

Part of cylinder repair seal kit P/N G32285

1шт.

31

A23316

O-RING,0.139" Thk x 4.484" ID, -246, Cl 5, 75 Duro

"O" RING - gland (4-1/2 x 4-3/4 x 1/8"), G32683 crowd cylinder with tube ring weldment

1шт.

Part of cylinder repair seal kit P/N G32285

1шт.

32

G32284

BACK-UP RING

- gland "O" ring back-up, G32683 crowd cylinder with tube weldment

1шт.

Part of cylinder repair seal kit P/N G32285

1шт.

33

187-1031

SELF-TAP SCREW,Pan, 0.164"-32 x 1/4"

SCREW - gland lock (#8-32 x 1/4" self tapping), G32683 crowd cylinder with tube ring weldment

1шт.

34

D44659

ROD

ASSY. - piston (2-1/4" dia.), tube ring weldment, Includes: Ref. 35

1шт.

35

D38943

BUSHING,51.02mm ID x 63.5mm OD x 28.6mm L

- piston rod, tube ring weldment

2шт.

36

D46425

PISTON

- split (Rod end), tube ring weldment

1шт.

37

D46931

PISTON

- split (Bolt end), tube ring weldment

1шт.

38

D47205

PACKING

ASSY. - piston ("V" type), tube ring weldment

2шт.

Part of cylinder repair seal kit P/N G32285

1шт.

39

D47210

BEARING WASHER,82.58mm ID x 113.97mm OD x 19mm Thk

RING - center bearing, tube ring weldment

1шт.

40

28-2044

BOLT,Hex, 1-1/4" - 12 x 2-3/4", Gr 8

- Hex, 1-1/4"-12 NF x 2-3/4", G8, Piston, tube ring weldment

1шт.

41

G32351

WASHER

- piston bolt (1-3/8 x 2-1/2 x 5/32"), tube ring weldment

1шт.

42

219-1

LUBE NIPPLE,1/8" - 27 NPTF

FITTING - grease (1/8" P.T. str.), tube ring weldment

1шт.

43

219-55

LUBE NIPPLE,90 Degree Elbow, 1/8" - 27 NPTF

NIPPLE, LUBE, , Tube ring weldment 90º, 1/8" NPT x .84" lg

1шт.

G32285

SEAL

KIT - cylinder repair, Includes: Ref. 29 thru 32 and 38, tube ring weldment

1шт.

Выбрано товаров: 52