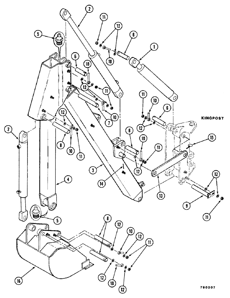
Запчасти Case D-70 (12) - D-70, SD-70 BOOM, DIPPER, BUCKET INSTALLATION

Схема запчастей Case D-70 - (12) - D-70, SD-70 BOOM, DIPPER, BUCKET INSTALLATION
FIT
1:1
100%

Артикул

Название

Примечание

Количество

1

H622019

CYLINDER BLOCK

BOOM CYLINDER ASSEMBLY (See Figure 40)

1шт.

2

H622027

CYLINDER

DIPPER AND BUCKET CYLINDER ASSEMBLY (See Figure 42)

2шт.

3

H649327

BOOM

1шт.

Used on D-70

1шт.

3

H622068

BOOM

1шт.

Used on SD-70

1шт.

4

H622076

SWITCH

DIPPER STICK

1шт.

5

219-1

LUBE NIPPLE,1/8" - 27 NPTF

FITTING - grease

2шт.

6

H333369

AXLE PIN

PIN

4шт.

7

H332197

PIN

1шт.

8

H332304

AXLE PIN

PIN

3шт.

9

H636092

AXLE PIN

PIN - lower boom

1шт.

10

H313981

PIN

- retainer

8шт.

11

230-4216

LOCK NUT,3/8"-16, GA

NUT - NC hex C/L (3/8)

9шт.

12

195-104

WASHER,3/8"

- flat (3/8)

1шт.

13

H647875

DRAG LINK

LINK - transport

1шт.

Used on D-70

1шт.

13

H625178

PIN

LINK - transport

1шт.

Used on SD-70

1шт.

14

132-349

COTTER PIN,1/4" x 1 1/2"

PIN, Split (Cotter), 1/4" x 1-1/2"

1шт.

15

A30338

PIN

- klik

1шт.

16

BUCKETS - 12", 16", 20" (See page 18)

1шт.

Выбрано товаров: 22