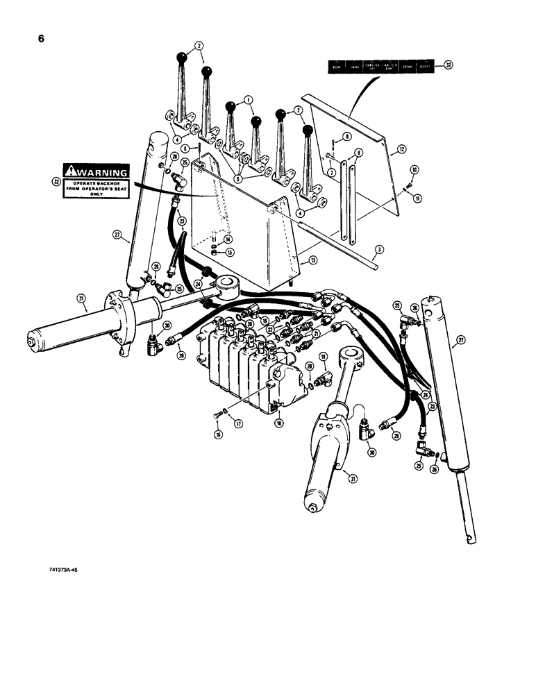
Запчасти Case D100 (9-06) - BACKHOE HYDRAULIC LINES, SWING CIRCUIT, STABILIZER CIRCUIT & CONTROLS USED PROIR BACKHOE SN Q2720171

Схема запчастей Case D100 - (9-06) - BACKHOE HYDRAULIC LINES, SWING CIRCUIT, STABILIZER CIRCUIT & CONTROLS USED PROIR BACKHOE SN Q2720171
20
25
28
24
32
1
25
4
11
33
5
21
30
25
24
22
23
30
31
26
20
26
19
3
26
27
16
19
15
29
31
10
14
18
9
27
25
7
17
12
2
8
26
23
6
2
13
4
FIT
1:1
100%

Артикул

Название

Примечание

Количество

1

H50930

LEVER

- stabilizer control

2шт.

2

H50922

LEVER

- swing, boom, dipper arm and bucket control

4шт.

3

H110262

SHAFT

- lever pivot

1шт.

4

H26468

SPACER

- levers

4шт.

5

95-9

WASHER

- flat, 5/8 x 1-1/2 x 7/64 inch

4шт.

6

138-2002

PIN,3/16" x 1 1/4", Coiled

1шт.

7

H35279

AXLE PIN,4.72mm OD x 23.76mm L

PIN - clevis, 3/16 x 57/64 inch

12шт.

8

132-328

COTTER PIN,1/16" x 1/2"

PIN, SPLIT (COTTER), 1/16" x 1/2"

12шт.

9

H110254

NO LONGER SERVICED

LINK -, Serial Range: lever-valve

12шт.

10

276-24812

SELF-TAP SCREW,5/16" - 18 x 3/4"

SCREW, SELF TAPPING, hex head, 5/16 NC x 3/4"

4шт.

11

492-11031

LOCK WASHER,5/16"

WASHER, LOCK, 5/16"

4шт.

12

H110247

PANEL

- cover

1шт.

13

H528893

LEVER

BRACKET - valve mounting

1шт.

14

80679

LOCK WASHER,1/20.507 CST ZND

WASHER, LOCK, 1/2"

2шт.

15

425-118

NUT,1/2"-20, G5

- hex, 1/2 inch NF

2шт.

16

113-335

BOLT,Hex, 7/16" - 14 x 3/4", Gr 5, Full Thd

3шт.

17

192-22

LOCK WASHER,7/16"

WASHER, LOCK, 7/16"

3шт.

18

H528844

LOCK VALVE

VALVE - control, parts list Figures 9-16 and 9-18

1шт.

19

218-5201

90 ELBOW,90 Degree, 7/8"-14 O-Ring x 1/2" NPSM Fem

- 90 deg, 7/8-14 adj O-ring x 1/2 inch swivel str pipe, Includes: Ref. 20

2шт.

20

237-6010

O-RING,0.097" Thk x 0.755" ID, -910, Cl 6, 90 Duro

10-1, 90 Duro, .755" ID x .097" Thk

1шт.

21

218-5058

HYD CONNECTOR,9/16" - 18 Male JIC x 3/4" - 18 Male ORB

ADAPTER - straight, 9/16-18 flare x 3/4-16 inch O-ring boss, Includes: Ref. 22

6шт.

22

237-6008

O-RING,0.087" Thk x 0.644" ID, -908, Cl 6, 90 Duro

8-1, 90 Duro, .644" ID x .087" Thk, Includes Ref. 23

1шт.

23

H112607

HOSE,0.375" OD x 30" L

- valve to stabilizer cylinders

4шт.

24

S99941

GROMMET

- rubber

4шт.

25

218-5392

ELBOW,90 Degree, 9/16"-18 O-Ring x 3/8" NPSM Fem

- 90 deg, 9/16-18 adj. O-ring x 3/8 inch swiv str pipe, Includes: Ref. 26

4шт.

27

REF

INSTRUCTION

CYLINDER - stabilizer, see Figure 9-38 for correct cylinders and component parts

2шт.

28

H112581

HOSE ASSY.

HOSE - valve to swing cylinder, left-hand

1шт.

29

H112-599

HOSE - valve to swing cylinder, right-hand

1шт.

30

218-921

ELBOW,90 Degree, 3/8" NPTF Male x 1/4" NPSM Fem Sw

- 90 deg, 3/8 PT x 1/4 inch swiv straight pipe thread

2шт.

31

REF

INSTRUCTION

CYLINDER - swing, see Figures 9-40 - 9-44 for correct cylinder and component parts

2шт.

32

H102749

DECAL

- control levers

1шт.

33

321-3054

DECAL

- warning

2шт.

26

237-6006

O-RING,0.078" Thk x 0.468" ID, -906, Cl 6, 90 Duro

6-1, 90 Duro, .468" ID x .078" Thk

1шт.

Выбрано товаров: 33