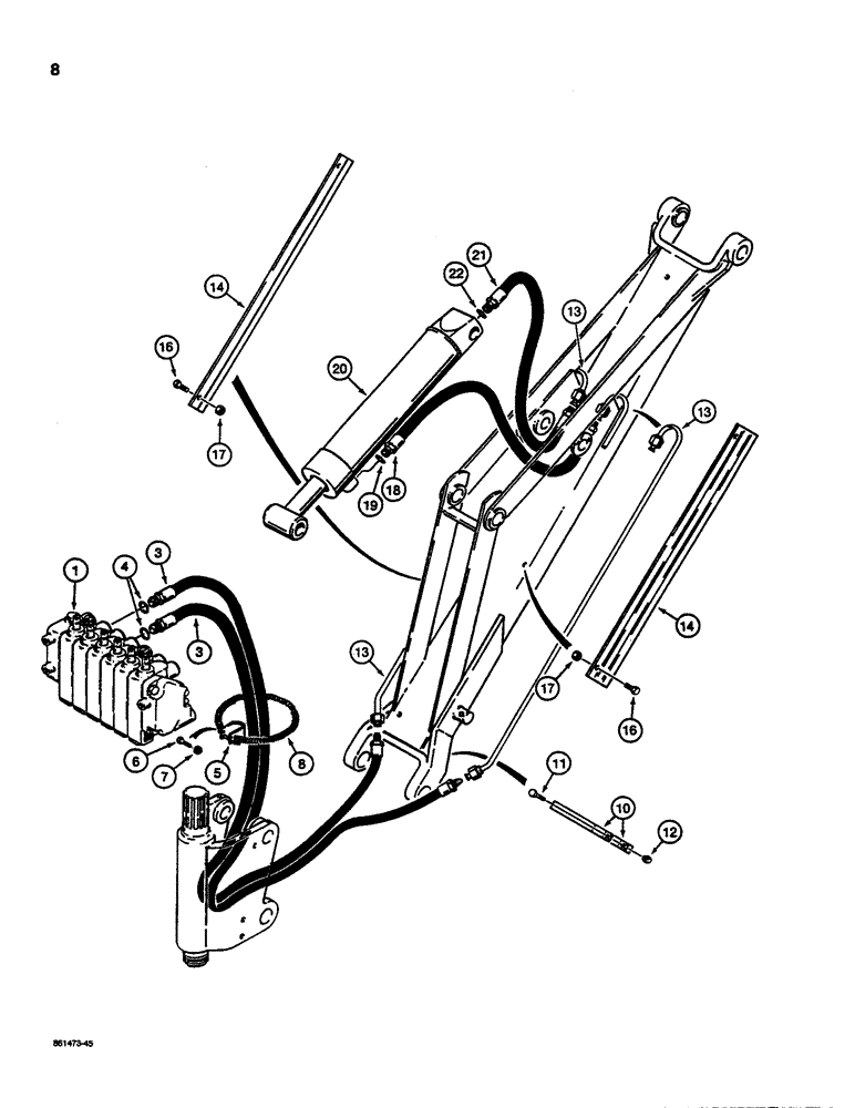
Запчасти Case D100 (8-008) - BACKHOE BOOM CYLINDER HYDRAULIC CIRCUIT, USED ON 1835C AND 1845C UNI-LOADERS W/ CESSNA VALVE

Схема запчастей Case D100 - (8-008) - BACKHOE BOOM CYLINDER HYDRAULIC CIRCUIT, USED ON 1835C AND 1845C UNI-LOADERS W/ CESSNA VALVE
14
7
8
3
13
11
19
13
21
17
5
17
12
10
22
6
3
13
16
14
7
16
20
4
18
FIT
1:1
100%

Артикул

Название

Примечание

Количество

1

H513788

LOCK VALVE

CONTROL VALVE - backhoe, parts list Figure 8-38

1шт.

3

H433544

HYDRAULIC HOSE,9.52 mm ID x 1075.00 mm, SAE 100R1

- From control valve, Includes Ref. 4 9.52 mm ID x 1075.00 mm, SAE 100R1

2шт.

5

H52571

CLAMP

- spring retaining

1шт.

6

113-4

BOLT,Hex, 1/4" - 20 x 1", Gr 5

1шт.

7

131-1180

LOCK NUT,1/4"-20, GA

NUT, LOCK, 1/4"-20, GA

1шт.

8

H52548

SPRING

- hose retainer

1шт.

10

H429696

MOUNTING CLIP

CLAMP - boom tube and hose

2шт.

11

113-17

BOLT,Hex, 1/4" - 20 x 1-1/4", Gr 5

2шт.

12

131-1180

LOCK NUT,1/4"-20, GA

NUT, LOCK, 1/4"-20, GA

2шт.

13

H669804

TUBE,1.27 mm OD x 1065, 35 mm L

- boom

2шт.

14

H421800

FRAME

GUARD - backhoe boom

2шт.

16

113-102

BOLT,Hex, 5/16" - 18 x 3/4", Gr 5

Hex, 5/16"-18 x 3/4", G5, Full Thd

4шт.

17

131-176

LOCK NUT,Prev Torque, Hex, 5/16" - 18, Gr A

NUT - hex, self-locking, 5/16 inch NC

4шт.

18

H268540

HYDRAULIC HOSE,9.52 mm ID x 889.00 mm, SAE 100R1

- To boom cylinder rod end, Includes Ref. 19 9.52 mm ID x 889.00 mm, SAE 100R1

1шт.

20

G100936

CYLINDER,Double Acting, 38.1mm Rod, 371.35mm Stroke

- boom, parts list Figure 8-62

1шт.

21

H244921

HYDRAULIC HOSE,9.52 mm ID x 381.00 mm, SAE 100R1

HOSE - 15 inch (381 mm) long, HYDRAULIC HOSE , To Boom Cylinder Closed End, Includes: Ref Ref. 22 9.52 mm ID x 381.00 mm, SAE 100R1

1шт.

4

218-5006

O-RING,0.087" Thk x 0.644" ID, -908, Cl 6, 90 Duro

8-1, 90 Duro, .644" ID x .087" Thk, hose

1шт.

19

218-5006

O-RING,0.087" Thk x 0.644" ID, -908, Cl 6, 90 Duro

8-1, 90 Duro, .644" ID x .087" Thk, hose

1шт.

22

218-5006

O-RING,0.087" Thk x 0.644" ID, -908, Cl 6, 90 Duro

8-1, 90 Duro, .644" ID x .087" Thk, hose

1шт.

Выбрано товаров: 19