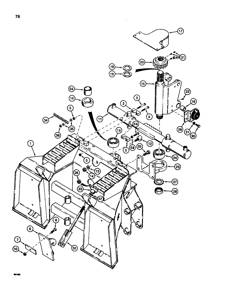
Запчасти Case D100 (8-076) - BACKHOE FRAME AND SWING TOWER, USED ON 1835C AND 1845C UNI-LOADER W/ CESSNA VALVE

Схема запчастей Case D100 - (8-076) - BACKHOE FRAME AND SWING TOWER, USED ON 1835C AND 1845C UNI-LOADER W/ CESSNA VALVE
25
23
5
1
30
4
1a
13
5b
37
2
5
1b
5c
11
22
20
27
17
24
28
29
3
21
33
31
12
36
32
7
14
15
2
18
19
34
5a
8
10
16
8
26
35
FIT
1:1
100%

Артикул

Название

Примечание

Количество

D134808

FRAME

ASSEMBLY - backhoe attachment, Includes: Ref. 1 - 5B

1шт.

1

NSS

NOT SOLD SEPARAT

FRAME - backhoe attachment

1шт.

1a

H747170

BALL BEARING

BEARING - backhoe frame, upper, order H434031 bearing and H434219 spacer

1шт.

1b

H434031

BEARING

- backhoe frame, upper, replaces Ref. 1A, H747170 bearing

1шт.

2

REF

INSTRUCTION

CAP - swing cylinder retaining, order H656108 cap assembly, see below

4шт.

3

113-247

BOLT,Hex, 3/8" - 16 x 3-1/4", Gr 5

2шт.

4

113-248

BOLT,Hex, 3/8" - 16 x 2-3/4", Gr 5

6шт.

5

230-4216

LOCK NUT,3/8"-16, GA

NUT - hex, self-locking, 3/8 inch NC

4шт.

5a

113-233

BOLT,Hex, 3/8" - 16 x 1-3/4", Gr 5

4шт.

5b

192-21

LOCK WASHER,3/8"

WASHER, LOCK, 3/8"

4шт.

5c

H434219

KIT

SLEEVE - bearing, used with H434031 bearing

1шт.

6

D134789

HOOK

- backhoe mounting

2шт.

7

D137025

PLATE

- backup

4шт.

8

113-2418

BOLT

- hex, 1/2 NC x 1-3/4 inch, grade 8

4шт.

10

131-1153

LOCK NUT,1/2"-13, GC

NUT, LOCK, 1/2"-13, GC

4шт.

11

H514125

CYLINDER ASSY.

CYLINDER - swing, parts list Figure 8-68

1шт.

12

H50377

GUIDE

- rack, swing cylinder

1шт.

13

195-541

WASHER,5/8", SAE

- flat, 5/8 inch

1шт.

14

131-1171

LOCK NUT,5/8"-18, GB

NUT, LOCK, 5/8"-18, GB

1шт.

15

H514596

POST

SWING TOWER - backhoe, Includes: Ref. 16

1шт.

16

H56192

BUSHING,28.91mm ID x 36.63mm OD x 44.45mm L

- swing tower

2шт.

17

H514380

COVER ASSY

COVER - gear

1шт.

18

H433285

SPACER

SHIM - swing gear, 1.5 mm thick, used with H747170 upper bearing, if used

1шт.

19

H433284

SPACER

SHIM - swing gear, 3 mm thick, used with H747170 upper bearing, if used

1шт.

20

H50369

GEAR WHEEL

GEAR - swing

1шт.

21

178-53

SET SCREW,Hex Soc, 3/8"-16 x 3/8"

SCREW - set, hex socket headless, 3/8 NC x 3/8 inch, cone point

4шт.

22

219-8

LUBE NIPPLE,1/4" - 28 NPTF

NIPPLE, LUBE, , straight, taper, in swing tower 1/4"-28 NPT x .54" lg

1шт.

H656108

CAP ASSY.

CAP ASSEMBLY - swing cylinder retaining, includes the following: (1) matched set of center-bored retaining caps, (1) H718874 bolt (3/8 NC x 3-1/2 inch, grade 8), (1) H718866 bolt (3/8 NC x 3-1/4inch, grade 8), (2) 195-525 washers (flat, 3/8 inch, plated)

1шт.

23

H571927

BEARING ASSY

BRACKET - swing tower, lower frame bearing, Includes: Ref. 24

1шт.

24

H747170

BALL BEARING

BEARING - lower frame bracket

1шт.

25

113-604

BOLT,Hex, 5/8" - 11 x 2", Gr 5

Lower bracket to backhoe frame Hex, 5/8"-11 x 2", G5

4шт.

26

131-1130

LOCK NUT,5/8"-11, GA

NUT - hex, self-locking, 5/8 inch NC

4шт.

27

192-311

BEARING WASHER,Bearing, W-11

WASHER - special, bearing lock

1шт.

28

131-1037

BEARING LOCK NUT,Bearing, 2.1654" Bore

NUT - self-locking, special for ball bearings

1шт.

29

H625756

BRACKET

BUMPER - pin retainer and swing cushion

2шт.

30

113-424

BOLT,Hex, 1/2" - 13 x 1", Gr 5, Full Thd

4шт.

31

192-23

LOCK WASHER,1/2"

WASHER, LOCK, 1/2"

4шт.

32

D134783

CLEVIS

TIE ROD - backhoe frame to mounting hook

2шт.

Ref: #32A H674090 Tie Rod 1835C & 1840 old # H673638 longer rod than D134783.

1шт.

Ref: #32 D134783 Tie Rod - backhoe frame to mtg. hook 374 mm end of rod to center of hole

1шт.

33

D134787

KNOB

KNOB - tie rod

2шт.

34

H429217

CHAIN (AG)

CHAIN - stabilizer leg transport

2шт.

35

195-525

WASHER,3/8", SAE

- flat, 3/8 inch

4шт.

36

230-4216

LOCK NUT,3/8"-16, GA

NUT - hex, self-locking, 3/8 inch NC

2шт.

37

195-545

WASHER,3/4", SAE

- flat, 3/4 inch

2шт.

Выбрано товаров: 45