Запчасти Case D130 (8-092) - BACKHOE SWING TOWER AND BOOM, USED ON 1835C AND 1845C UNI-LOADER W/ CESSNA VALVE

Схема запчастей Case D130 - (8-092) - BACKHOE SWING TOWER AND BOOM, USED ON 1835C AND 1845C UNI-LOADER W/ CESSNA VALVE
2
5
4
20
10
19
15
14
18
8
3
11
13
6
1
7
17
9
12
16
FIT
1:1
100%

Артикул

Название

Примечание

Количество

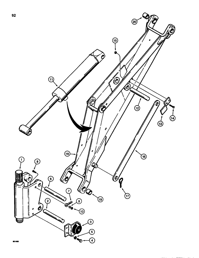
1

H514596

POST

SWING TOWER - backhoe, parts list Figure 8-76

1шт.

2

H50526

PIN

- boom pivot, boom to swing tower

1шт.

3

H625756

BRACKET

BUMPER - pin retainer and swing cushion

2шт.

4

113-424

BOLT,Hex, 1/2" - 13 x 1", Gr 5, Full Thd

4шт.

5

192-23

LOCK WASHER,1/2"

WASHER, LOCK, 1/2"

4шт.

6

H56945

AXLE PIN

PIN - boom cylinder rod end to swing tower

1шт.

7

H313981

PIN

- retainer

1шт.

8

113-209

BOLT,Hex, 3/8" - 16 x 1-1/2", Gr 5

1шт.

9

196-1

WASHER,13/32" x 13/16" x .089", HDN

- flat, 3/8 inch

1шт.

10

230-4216

LOCK NUT,3/8"-16, GA

NUT - hex, self-locking, 3/8 inch NC

1шт.

11

G100936

CYLINDER,Double Acting, 38.1mm Rod, 371.35mm Stroke

- boom, parts list Figure 8-62

1шт.

12

H50690

AXLE PIN,28.57mm OD x 171.45mm L

PIN - boom cylinder closed, Serial Range: end-boom

1шт.

13

H60616

AXLE PIN

BRACKET - pin retainer

2шт.

14

113-207

BOLT,Hex, 3/8" - 16 x 1", Gr 5

4шт.

15

230-4216

LOCK NUT,3/8"-16, GA

NUT - hex, self-locking, 3/8 inch NC

4шт.

16

H56952

DRAG LINK

LINK - transport

2шт.

17

A30338

PIN

- lock

2шт.

18

H644922

BOOM

- backhoe, Includes: Ref. 19 and 20

1шт.

19

H50435

BUSHING,28.91mm ID x 36.63mm OD x 25.4mm L

- boom pivot

2шт.

20

H56184

BUSHING,29.08mm ID x 44.5mm OD x 28.6mm L

- dipper pivot

2шт.

Выбрано товаров: 20