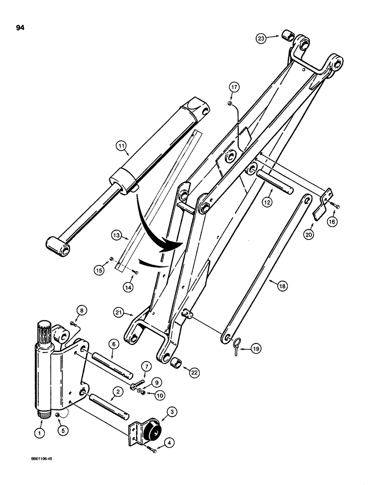
Запчасти Case D130 (8-094) - BACKHOE SWING TOWER AND BOOM, USED ON 1835C, 1840, AND 1845C UNI-LOADER W/ DUKE OR VALVE

Схема запчастей Case D130 - (8-094) - BACKHOE SWING TOWER AND BOOM, USED ON 1835C, 1840, AND 1845C UNI-LOADER W/ DUKE OR VALVE
17
1
19
14
12
4
18
21
3
6
5
23
20
22
11
10
15
16
8
13
9
2
7
FIT
1:1
100%

Артикул

Название

Примечание

Количество

1

H672641

POST

TOWER - swing, backhoe, parts list Figure 8-80

1шт.

2

H50526

PIN

- boom pivot, boom to swing tower

1шт.

3

H625756

BRACKET

BUMPER - pin retainer and swing cushion

2шт.

4

113-417

BOLT,Hex, 1/2" - 13 x 1-1/4", Gr 5, Full Thd

4шт.

5

131-1182

LOCK NUT,1/2"-13, GA

NUT - hex, self-locking, 1/2 inch NC

4шт.

6

H56945

AXLE PIN

PIN - boom cylinder rod end to swing tower

1шт.

7

H313981

PIN

- retainer

1шт.

8

413-624

BOLT,Hex, 3/8" - 16 x 1-1/2", Gr 5

- hex, 3/8 NC x 1-1/2 inch

1шт.

9

196-1

WASHER,13/32" x 13/16" x .089", HDN

- flat, 13/32 x 13/16 x 3/32 inch, hardened

1шт.

10

230-4216

LOCK NUT,3/8"-16, GA

NUT - hex, self-locking, 3/8 inch NC

1шт.

11

G100936

CYLINDER,Double Acting, 38.1mm Rod, 371.35mm Stroke

ASSEMBLY - boom, parts list Figure 8-62

1шт.

12

H50690

AXLE PIN,28.57mm OD x 171.45mm L

PIN - closed end of boom, Serial Range: cylinder-boom

1шт.

13

H421800

FRAME

GUARD - backhoe boom

2шт.

14

413-512

BOLT,Hex, 5/16" - 18 x 3/4", Gr 5

- hex, 5/16 NC x 3/4 inch

4шт.

15

131-176

LOCK NUT,Prev Torque, Hex, 5/16" - 18, Gr A

NUT - hex, self-locking, 5/16 inch NC

4шт.

16

413-416

BOLT,Hex, 1/4" - 20 x 1", Gr 5

- hex, 1/4 NC x 1 inch

4шт.

17

131-1216

LOCK NUT,3/8"-16, GC

NUT, LOCK, 3/8"-16, GC

4шт.

18

H56952

DRAG LINK

LINK - transport

2шт.

19

A30338

PIN

- klik, 1/4 inch

2шт.

20

H60616

AXLE PIN

RETAINER - pin

2шт.

H644922

BOOM

ASSEMBLY - backhoe, Includes: Ref. 21 - 23

1шт.

21

NSS

NOT SOLD SEPARAT

BOOM - backhoe

1шт.

22

H50435

BUSHING,28.91mm ID x 36.63mm OD x 25.4mm L

- boom pivot

2шт.

23

H56184

BUSHING,29.08mm ID x 44.5mm OD x 28.6mm L

- dipper pivot

2шт.

Выбрано товаров: 24