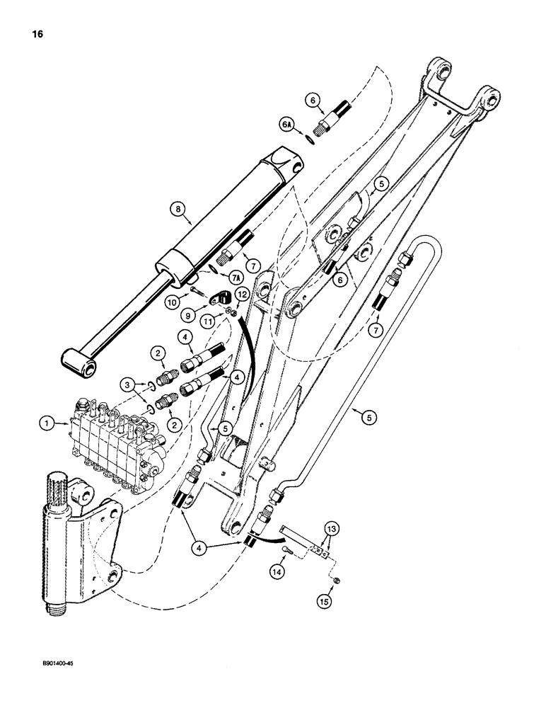
Запчасти Case D130 (7-016) - BACKHOE BOOM CYLINDER HYDRAULIC CIRCUIT, USED ON 1835C, 1840 & 1845C UNI-LOADERS W/ KONTAK VALVE

Схема запчастей Case D130 - (7-016) - BACKHOE BOOM CYLINDER HYDRAULIC CIRCUIT, USED ON 1835C, 1840 & 1845C UNI-LOADERS W/ KONTAK VALVE
8
4
7
12
10
9
14
4
3
4
11
15
1
13
7
6
6
7a
5
5
2
2
6a
5
FIT
1:1
100%

Артикул

Название

Примечание

Количество

1

H672636

VALVE

ASSEMBLY - control, backhoe, parts list Figures 7-44 through 7-52

1шт.

2

218-5060

HYD CONNECTOR,3/4" - 16 Male JIC x 7/8" - 14 Male ORB

Adapter, straight, O-ring boss 3/4"-16, 37º x 7/8"-14, O-Ring

2шт.

3

237-6010

O-RING,0.097" Thk x 0.755" ID, -910, Cl 6, 90 Duro

10-1, 90 Duro, .755" ID x .097" Thk

1шт.

4

H434463

HOSE

- 1143 mm long, at control valve (replaces H200378)

2шт.

5

H593392

TUBE,0.5" OD

- intermediate

2шт.

6

H244921

HYDRAULIC HOSE,9.52 mm ID x 381.00 mm, SAE 100R1

To Closed End of Boom Cylinder 9.52 mm ID x 381.00 mm, SAE 100R1

1шт.

6a

237-6008

O-RING,0.087" Thk x 0.644" ID, -908, Cl 6, 90 Duro

8-1, 90 Duro, .644" ID x .087" Thk

1шт.

7

H268540

HYDRAULIC HOSE,9.52 mm ID x 889.00 mm, SAE 100R1

- To rod end of boom cylinder 9.52 mm ID x 889.00 mm, SAE 100R1

1шт.

7a

237-6008

O-RING,0.087" Thk x 0.644" ID, -908, Cl 6, 90 Duro

8-1, 90 Duro, .644" ID x .087" Thk

1шт.

8

G100936

CYLINDER,Double Acting, 38.1mm Rod, 371.35mm Stroke

ASSEMBLY - boom, parts list Figure 7-78

1шт.

9

H51763

CLAMP

- hose

2шт.

10

413-412

BOLT,Hex, 1/4" - 20 x 3/4", Gr 5

- hex, 1/4 NC x 3/4 inch

2шт.

11

195-518

WASHER,1/4", SAE

- flat, 9/32 x 5/8 x 1/16 inch

2шт.

12

131-1180

LOCK NUT,1/4"-20, GA

NUT, LOCK, 1/4"-20, GA

2шт.

13

H429696

MOUNTING CLIP

CLAMP - tube and hose

2шт.

15

131-1180

LOCK NUT,1/4"-20, GA

NUT, LOCK, 1/4"-20, GA

2шт.

14

413-420

BOLT,Hex, 1/4" - 20 x 1-1/4", Gr 5

2шт.

Выбрано товаров: 17