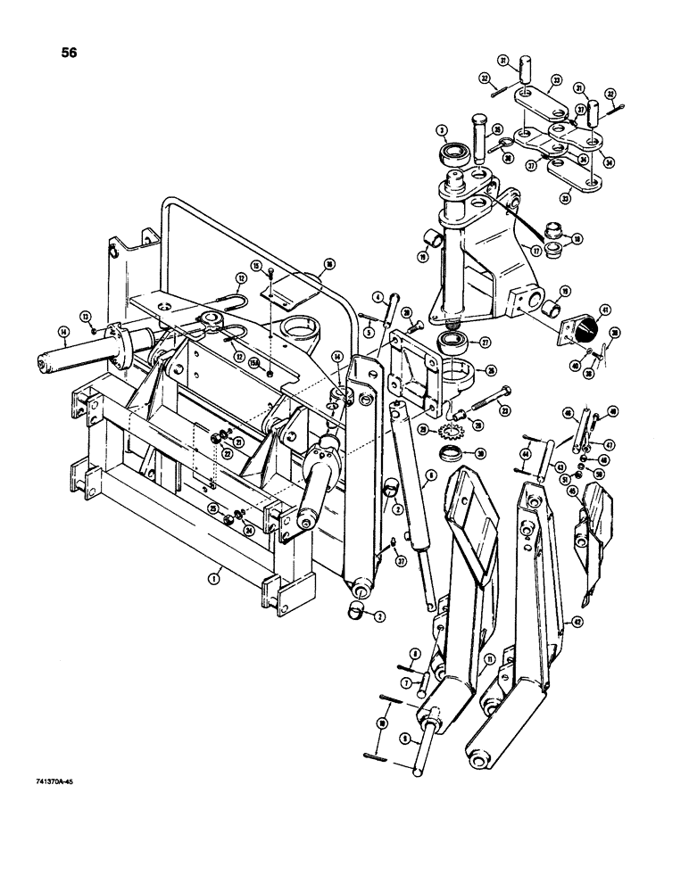
Запчасти Case D130 (9-56) - MAIN FRAME, STABILIZER AND MAST, FOR UNI-LOADERS

Схема запчастей Case D130 - (9-56) - MAIN FRAME, STABILIZER AND MAST, FOR UNI-LOADERS
40
26
37
48
28
22
10
12
37
34
14
43
16
1
20
12
49
46
3
11
47
36
2
21
45
19
9
38
34
18
37
4
17
6
25
7
31
15a
13
44
15
50
23
24
33
33
35
8
30
41
42
27
19
2
32
5
29
31
39
32
51
14
FIT
1:1
100%

Артикул

Название

Примечание

Количество

1

REF

INSTRUCTION

FRAME - main, see Figures 9-48 - 9-52 for correct frame, Includes: Ref. 2 and 3

1шт.

2

H77024

BUSHING

- stabilizer

4шт.

3

H747170

BALL BEARING

BEARING - upper swing

1шт.

4

H79285

PIN

- stabilizer, Serial Range: cylinder-frame

2шт.

5

132-349

COTTER PIN,1/4" x 1 1/2"

PIN, Split (Cotter), 1/4" x 1-1/2"

2шт.

6

REF

INSTRUCTION

CYLINDER - stabilizer, see Figure 9-38 for correct cylinders and components

2шт.

7

H70623

AXLE PIN

PIN - stabilizer, Serial Range: cylinder-stabilizer

2шт.

8

132-355

COTTER PIN,3/8" x 2"

Pin, Split (Cotter), 3/8" x 2"

2шт.

9

H109777

PIN

- stabilizer mounting

2шт.

10

132-314

COTTER PIN,3/8" x 2 1/2"

Pin, Split (Cotter), 3/8" x 2 1/2"

4шт.

11

H529503

STABILIZER

- with welded on stablizer foot

2шт.

12

H110270

HARDWARE

U-BOLT - 5/16 NC

4шт.

13

131-176

LOCK NUT,Prev Torque, Hex, 5/16" - 18, Gr A

NUT - hex, self-locking, 5/16 inch NC

8шт.

14

REF

INSTRUCTION

CYLINDER - swing, see Figures 9-40 - 9-44 for correct cylinders and components

2шт.

15

413-616

BOLT,Hex, 3/8" - 16 x 1", Gr 5

- hex, 3/8 NC x 1 inch

2шт.

15a

230-4216

LOCK NUT,3/8"-16, GA

NUT - hex, self-locking, 3/8 inch NC

2шт.

16

H194977

PLATE

- cover

1шт.

17

H529511

MAST ASSEMBLY

MAST - swing tower, Includes: Ref. 18 and 19

1шт.

18

H36640

BUSHING

- swing cylinder pivot

2шт.

19

H35865

BUSHING

- boom pivot

2шт.

20

164-211

HEX SOC SCREW,Flat Hd, 3/4" - 10 x 2 1/2"

BOLT - hex socket flat head, 3/4 NC x 2-1/2 inch, grade 8

2шт.

21

192-27

LOCK WASHER,3/4"

WASHER, LOCK, 3/4"

2шт.

22

425-1412

JAM NUT,Jam, 3/4"-10, G5

- hex, jam, 3/4 inch NC

2шт.

23

113-728

BOLT,Hex, 3/4" - 10 x 6-1/2", Gr 5

2шт.

24

192-27

LOCK WASHER,3/4"

WASHER, LOCK, 3/4"

2шт.

25

425-1112

NUT,3/4"-16, G5

- hex, 3/4 inch NF

2шт.

H528877

MOUNTING PARTS

MOUNT - lower mast support, Includes: Ref. 26 - 28

1шт.

26

NSS

NOT SOLD SEPARAT

MOUNT - mast

1шт.

27

H747170

BALL BEARING

BEARING - mast

1шт.

28

H35766

BUSHING

- step

2шт.

29

192-311

BEARING WASHER,Bearing, W-11

WASHER - bearing lock, SAE No. W-11

1шт.

30

131-1037

BEARING LOCK NUT,Bearing, 2.1654" Bore

NUT - bearing lock, N-11

1шт.

31

H109678

AXLE PIN

PIN - swing, Serial Range: cylinder-links

2шт.

32

132-355

COTTER PIN,3/8" x 2"

Pin, Split (Cotter), 3/8" x 2"

4шт.

33

H111575

LINK

- straight, swing, Serial Range: cylinder-mast

2шт.

34

H111583

DRAG LINK

LINK - offset, swing, Serial Range: cylinder-mast

2шт.

35

H76851

AXLE PIN

PIN -, Serial Range: links-mast

1шт.

36

D33805

PIN

- lock

1шт.

37

219-8

LUBE NIPPLE,1/4" - 28 NPTF

NIPPLE, LUBE, , straight, taper 1/4"-28 NPT x .54" lg

4шт.

38

H95877

BOLT

BOLT - drilled head

4шт.

39

391-620

LOCK,#16 Ga x 12"

WIRE - safety

2шт.

40

H35980

WASHER

BUSHING - step, rubber

4шт.

41

H625731

SHOCK ABSORBER

BUMPER - rubber

2шт.

42

H533638

HOSE

STABILIZER - leg

2шт.

43

H218263

AXLE PIN

PIN - pivot, uses cotter pin

2шт.

44

132-152

PIN

- cotter, 1/4 x 1-3/4 inch

4шт.

45

H533646

LARGE PLATE

PLATE - stabilizer leg

2шт.

46

H50690

AXLE PIN,28.57mm OD x 171.45mm L

PIN - pivot, uses keeper pin

2шт.

47

H313981

PIN

- keeper

2шт.

48

H44875

SPACER - keeper pin

2шт.

49

413-620

BOLT,Hex, 3/8" - 16 x 1-1/4", Gr 5

- hex, 3/8 NC x 1-1/4 inch

2шт.

50

492-11038

LOCK WASHER,3/8"

2шт.

51

425-106

NUT,3/8"-16, Cl 5

2шт.

Выбрано товаров: 53