Запчасти Case D130 (9-60) - MAIN FRAME, STABILIZER AND MAST, MODEL 380 CK LOADER AND

Схема запчастей Case D130 - (9-60) - MAIN FRAME, STABILIZER AND MAST, MODEL 380 CK LOADER AND
35
40
28
39
41
2
37
37
46
23
10
2
38
17
27
47
32
26
45
18
31
12
49
14
34
9
44
14
48
24
30
6
25
33
4
11
12
19
1
19
51
33
8
36
22
34
29
13
21
20
50
15
16
43
7
31
3
32
37
15a
5
FIT
1:1
100%

Артикул

Название

Примечание

Количество

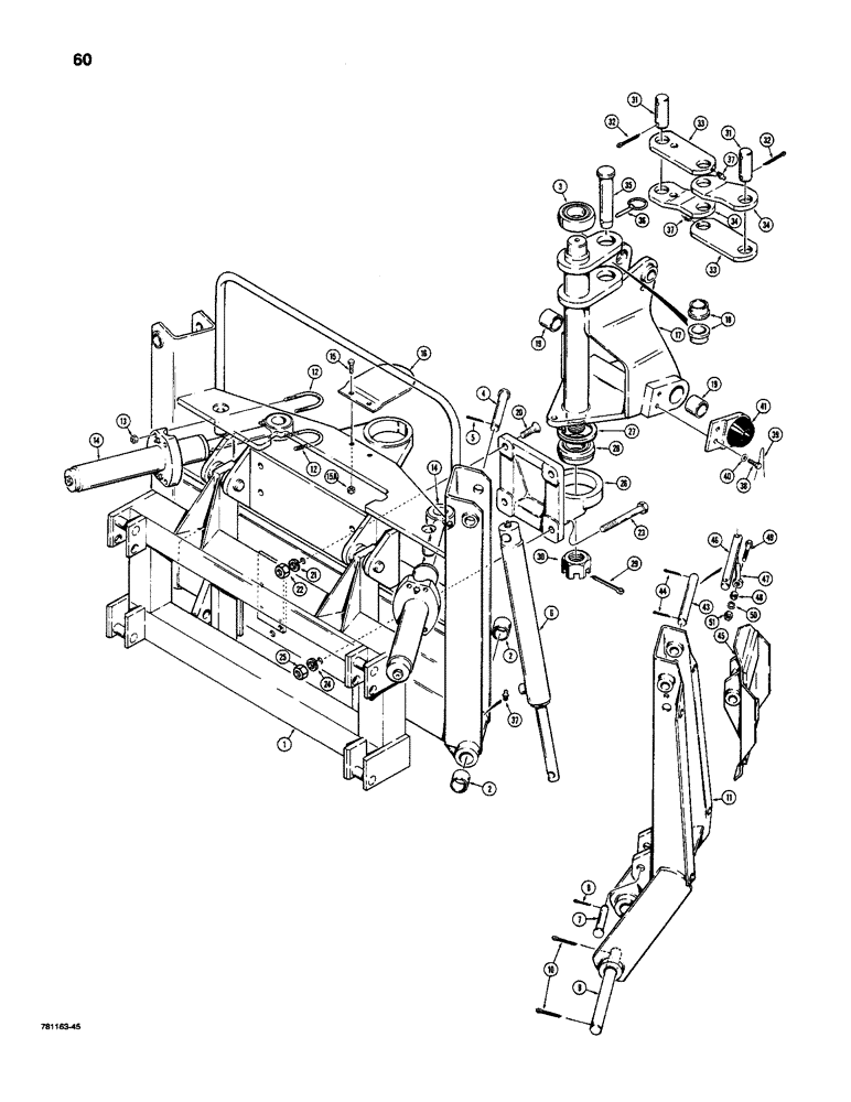
1

D81310

FRAME

- main, Includes: Ref. 2 and 3

1шт.

2

H77024

BUSHING

- stabilizer

4шт.

3

H747170

BALL BEARING

BEARING - upper swing

1шт.

4

H79285

PIN

- stabilizer, Serial Range: cylinder-frame

2шт.

5

132-349

COTTER PIN,1/4" x 1 1/2"

PIN, Split (Cotter), 1/4" x 1-1/2"

2шт.

6

REF

INSTRUCTION

CYLINDER - stabilizer, see figure 9-38 for correct cylinders and components

2шт.

7

H70623

AXLE PIN

PIN - stabilizer, Serial Range: cylinders-stabilzer

2шт.

8

132-355

COTTER PIN,3/8" x 2"

Pin, Split (Cotter), 3/8" x 2"

2шт.

9

H109777

PIN

- stabilizer mounting

2шт.

10

132-314

COTTER PIN,3/8" x 2 1/2"

Pin, Split (Cotter), 3/8" x 2 1/2"

4шт.

11

H585216

STABILIZER

- backhoe

2шт.

12

H110270

HARDWARE

U-BOLT - 5/16 NC

4шт.

13

131-176

LOCK NUT,Prev Torque, Hex, 5/16" - 18, Gr A

NUT - hex, self-locking, 5/16 inch NC

8шт.

14

REF

INSTRUCTION

CYLINDER - swing, see Figures 9-40 - 9-44 for correct cylinders and components

2шт.

15

413-616

BOLT,Hex, 3/8" - 16 x 1", Gr 5

- hex, 3/8 NC x 1 inch

2шт.

15a

425-106

NUT,3/8"-16, Cl 5

2шт.

16

H351510

PLATE

- cover

1шт.

17

H529511

MAST ASSEMBLY

MAST - swing tower, Includes: Ref. 18 and 19

1шт.

18

H36640

BUSHING

- swing cylinder pivot

2шт.

19

H35865

BUSHING

- boom pivot

2шт.

20

164-91

SOCKET

BOLT - hex socket flat head, 3/4 NC x 2 inch, grade 8

2шт.

21

192-27

LOCK WASHER,3/4"

WASHER, LOCK, 3/4"

2шт.

22

425-1412

JAM NUT,Jam, 3/4"-10, G5

- hex, jam, 3/4 inch NC

2шт.

23

113-728

BOLT,Hex, 3/4" - 10 x 6-1/2", Gr 5

2шт.

24

192-27

LOCK WASHER,3/4"

WASHER, LOCK, 3/4"

2шт.

25

425-1112

NUT,3/4"-16, G5

- hex, 3/4 inch NF

2шт.

H630145

BRACKET

MOUNT - lower mast support, Includes: Ref. 26 - 28

1шт.

26

NSS

NOT SOLD SEPARAT

MOUNT - mast

1шт.

27

L13903

SNAP RING,3.562", Int, #354

Ring, Snap, 3.562", Int, #354

1шт.

28

H632992

X

BUSHING - self-aligning

1шт.

29

132-319

COTTER PIN,1/4" x 3"

Pin, Split (Cotter), 1/4" x 3"

2шт.

30

25-2424

NUT - castle, 1-1/2 inch

2шт.

31

H240085

PIN

- stabilizer, Serial Range: cylinder-links

2шт.

32

132-313

COTTER PIN,1/4" x 2"

PIN, Split (Cotter), 1/4" x 2"

4шт.

33

H111575

LINK

- straight, swing, Serial Range: cylinder-mast

2шт.

34

H111583

DRAG LINK

LINK - offset, swing, Serial Range: cylinder-mast

2шт.

35

H76851

AXLE PIN

PIN -, Serial Range: links-mast

1шт.

36

D33805

PIN

- lock

1шт.

37

219-8

LUBE NIPPLE,1/4" - 28 NPTF

NIPPLE, LUBE, , straight, taper 1/4"-28 NPT x .54" lg

4шт.

38

H95877

BOLT

BOLT - drilled head

4шт.

39

391-620

LOCK,#16 Ga x 12"

WIRE - safety

2шт.

40

H35980

WASHER

BUSHING - step, rubber

4шт.

41

H625731

SHOCK ABSORBER

BUMPER - rubber

2шт.

43

H218263

AXLE PIN

PIN - pivot, uses cotter pin

2шт.

44

132-152

PIN

- cotter, 1/4 x 1-3/4 inch

4шт.

45

H533646

LARGE PLATE

FOOT - stabilizer leg

2шт.

431222

PAD rubber

1шт.

Must drill new holes in pad 1 inch.

1шт.

46

H50690

AXLE PIN,28.57mm OD x 171.45mm L

PIN - pivot, uses keeper pin

2шт.

47

H313981

PIN

- keeper

2шт.

48

H44875

SPACER - keeper pin

2шт.

49

413-620

BOLT,Hex, 3/8" - 16 x 1-1/4", Gr 5

- hex, 3/8 NC x 1-1/4 inch

2шт.

50

492-11038

LOCK WASHER,3/8"

2шт.

51

425-106

NUT,3/8"-16, Cl 5

2шт.

Выбрано товаров: 54