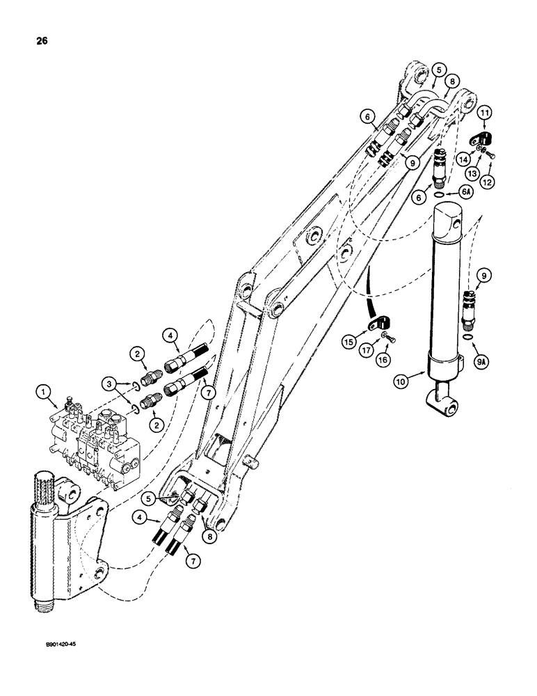
Запчасти Case D130 (7-026) - BACKHOE BUCKET CYLINDER HYDRAULIC CIRCUIT, USED ON 1835C, 1840 & 1845C UNI-LOADERS W/ DUKE VALVE

Схема запчастей Case D130 - (7-026) - BACKHOE BUCKET CYLINDER HYDRAULIC CIRCUIT, USED ON 1835C, 1840 & 1845C UNI-LOADERS W/ DUKE VALVE
3
2
5
17
11
9
12
7
16
8
1
6a
5
6
9
9a
15
2
10
4
7
14
8
6
13
4
FIT
1:1
100%

Артикул

Название

Примечание

Количество

1

H674300

VALVE

ASSEMBLY - control, backhoe, parts list Figures 7-54 - 7-62

1шт.

2

218-5059

HYD CONNECTOR,3/4"-16, 37 Degree x 3/4"-16, O-Ring

ADAPTER - straight, 3/4-16 flare x O-ring boss, Incl. Ref 3

2шт.

3

237-6008

O-RING,0.087" Thk x 0.644" ID, -908, Cl 6, 90 Duro

8-1, 90 Duro, .644" ID x .087" Thk

1шт.

4

H434463

HOSE

- 1225 mm long, at control valve, to closed end of bucket cylinder

1шт.

5

H593376

TUBE,0.5" OD

- intermediate, to closed end of bucket cylinder

1шт.

6

H268565

HYDRAULIC HOSE,9.52 mm ID x 1066.80 mm, SAE 100R1

- At closed end of bucket cylinder, Includes Ref. 6A 9.52 mm ID x 1066.80 mm, SAE 100R1

1шт.

6a

237-6008

O-RING,0.087" Thk x 0.644" ID, -908, Cl 6, 90 Duro

8-1, 90 Duro, .644" ID x .087" Thk

1шт.

7

H999017

HOSE - 1170 mm long, at control valve to rod end of bucket cylinder (replaces A167054)

1шт.

8

H593384

TUBE,12.7 mm OD

- intermediate, to rod end of bucket cylinder

1шт.

9

H357863

HOSE,9.65mm ID x 1549.4mm L, SAE 100R1

at Rod End of Bucket Cylinder, Includes: Ref. 9A 0.38" ID x 61.00", SAE 100R1

1шт.

9a

237-6008

O-RING,0.087" Thk x 0.644" ID, -908, Cl 6, 90 Duro

8-1, 90 Duro, .644" ID x .087" Thk

1шт.

10

G100936

CYLINDER,Double Acting, 38.1mm Rod, 371.35mm Stroke

ASSEMBLY - bucket, parts list Figure 7-78

1шт.

11

H51763

CLAMP

- hose

2шт.

12

413-412

BOLT,Hex, 1/4" - 20 x 3/4", Gr 5

- hex, 1/4 NC x 3/4 inch

2шт.

13

492-11025

LOCK WASHER,1/4"

WASHER, LOCK, 1/4"

2шт.

14

195-518

WASHER,1/4", SAE

- flat, 9/32 x 5/8 x 1/16 inch

2шт.

15

H46888

CLAMP

- hose, at boom

1шт.

16

413-520

BOLT,Hex, 5/16" - 18 x 1-1/4", Gr 5

- hex, 5/16 NC x 1-1/4 inch

1шт.

17

H426775

WASHER

- flat, hardened

1шт.

Выбрано товаров: 19