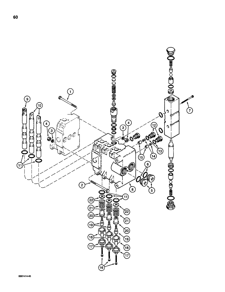
Запчасти Case D130 (7-060) - BACKHOE CONTROL VALVE - DUKE, OUTLET SETION, USED ON 1835C, 1840 & 1845C UNI-LOADERS

Схема запчастей Case D130 - (7-060) - BACKHOE CONTROL VALVE - DUKE, OUTLET SETION, USED ON 1835C, 1840 & 1845C UNI-LOADERS
1
11
9
21
17
3
19
2
13
3
4
19
12
22
20
11
8
21
5
7
20
17
15
4
10
18
22
18
16
6
14
FIT
1:1
100%

Артикул

Название

Примечание

Количество

H674300

VALVE

control, backhoe, manufactured by Duke, complete parts list in Figures 7-54 - 7-62, Incl. Ref. 1 - 22 and 22 - 37 on Fig. 7-62

1шт.

1

414-448

BOLT,Hex, 1/4" - 28 x 3", Gr 5

hex, 1/4 NF x 3 inch

2шт.

2

414-436

BOLT,Hex, 1/4" - 28 x 2-1/4", Gr 5

2шт.

3

492-11025

LOCK WASHER,1/4"

WASHER, LOCK, 1/4"

4шт.

4

425-114

NUT,1/4"-28, G5

4шт.

5

86625138

PLUG,7/18" - 14

Includes Ref. 6 Hex Soc, 7/8"-14 ORB

2шт.

6

237-6010

O-RING,0.097" Thk x 0.755" ID, -910, Cl 6, 90 Duro

10-1, 90 Duro, .755" ID x .097" Thk

1шт.

7

62-31040

HEX SOC SCREW,#10 - 32 x 2 1/2"

hex socket head, No. 10 NC x 2 inch (replaces 431-31032)

4шт.

H674528

HYD VALVE SECTION

outlet, Incl. Ref. 8 - 22

1шт.

8

NSS

NOT SOLD SEPARAT

BODY - outlet section

1шт.

9

NSS

NOT SOLD SEPARAT

SPOOL - stabilizer

1шт.

10

NSS

NOT SOLD SEPARAT

SPOOL - dual control

2шт.

11

H438030

O-RING

spool

6шт.

H438024

SET

KIT - load check, Includes: Ref. 12 - 15

2шт.

12

NSS

NOT SOLD SEPARAT

PLUG - outlet section

1шт.

13

NSS

NOT SOLD SEPARAT

O-RING - plug

1шт.

14

NSS

NOT SOLD SEPARAT

SPRING - plug

1шт.

15

NSS

NOT SOLD SEPARAT

POPPET - plug

1шт.

H438021

SET

KIT - spring centering, Incl. Ref. 16 - 22

3шт.

16

62-7108

HEX SOC SCREW,Btn Hd, #10 - 32 x 1/2"

hex socket head, No. 10 NC x 1/2 inch (replaces 461-31024)

1шт.

17

NSS

NOT SOLD SEPARAT

CAP - end

1шт.

18

NSS

NOT SOLD SEPARAT

SPACER - cap

1шт.

19

NSS

NOT SOLD SEPARAT

BOLT - shoulder, special

1шт.

20

NSS

NOT SOLD SEPARAT

SPACER - spring

1шт.

21

N9539

TENSION SPRING

1шт.

22

NSS

NOT SOLD SEPARAT

WASHER - flat, special

1шт.

Выбрано товаров: 26