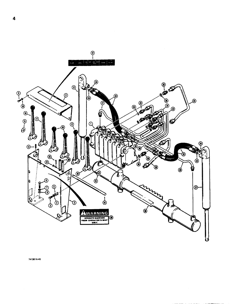
Запчасти Case D130 (7-004) - BACKHOE HYDRAULIC LINES, SWING CIRCUIT, STABILIZER CIRCUIT & CONTROLS USED PRIOR BACKHOE SN P1520301

Схема запчастей Case D130 - (7-004) - BACKHOE HYDRAULIC LINES, SWING CIRCUIT, STABILIZER CIRCUIT & CONTROLS USED PRIOR BACKHOE SN P1520301
15
14
17
4
25
32
26
37
21
37
7
34
34
16
22
36
39
23
1
8
5
2
34
9
28
18
11
35
17
29
6
19
13
10
33
3
15
24
34
35
12
38
36
20
33
27
30
31
FIT
1:1
100%

Артикул

Название

Примечание

Количество

1

REF

INSTRUCTION

VALVE - control, for correct assembly and components see Figures 7-36 through 7-40

1шт.

2

H51488

PLATE - valve mounting

1шт.

3

113-335

BOLT,Hex, 7/16" - 14 x 3/4", Gr 5, Full Thd

3шт.

4

192-22

LOCK WASHER,7/16"

WASHER, LOCK, 7/16"

3шт.

5

195-529

WASHER,7/16", SAE

- flat, 15/32 x 59/64 x 1/16 inch

3шт.

6

413-620

BOLT,Hex, 3/8" - 16 x 1-1/4", Gr 5

- hex, 3/8 NC x 1-1/4 inch

4шт.

7

492-11038

LOCK WASHER,3/8"

4шт.

8

495-11041

WASHER,0.406" ID x 0.812" OD x 0.065" W

(Flat, 13/32 x 13/16 x 1/16") 3/8", SAE

4шт.

9

187-1069

SELF-TAP SCREW,5/16" - 18 x 3/4"

SCREW - self-tapping, hex head, 5/16 NC x 3/4 inch

4шт.

10

492-11031

LOCK WASHER,5/16"

WASHER, LOCK, 5/16"

4шт.

11

H50880

COVER

- valve linkage

1шт.

12

H102749

DECAL

- control levers

1шт.

13

138-2002

PIN,3/16" x 1 1/4", Coiled

1шт.

14

H50914

LEVER

SHAFT - valve lever

1шт.

15

H50716

SPACER

- lever shaft

2шт.

16

H50930

LEVER

- boom and dipper stick (replaces H50922)

2шт.

17

H50922

LEVER

- stabilizer (replaces H50930)

2шт.

18

H83436

LEVER

- outer, left-hand, swing

1шт.

19

H83444

LEVER

- outer, right-hand, swing

1шт.

20

H50559

LINK

- valve lever

12шт.

21

H35279

AXLE PIN,4.72mm OD x 23.76mm L

PIN - clevis

12шт.

22

132-328

COTTER PIN,1/16" x 1/2"

PIN, SPLIT (COTTER), 1/16" x 1/2"

12шт.

23

218-5403

TUBE

ADAPTER - straight, 3/4-16 O-ring x 3/8 inch str pipe thread

6шт.

24

237-6008

O-RING,0.087" Thk x 0.644" ID, -908, Cl 6, 90 Duro

8-1, 90 Duro, .644" ID x .087" Thk

1шт.

25

H514430

TUBE,0.625" OD x 7.156, 8.75" L

- pressure

1шт.

26

H514448

TUBE,0.625" OD x 8.125, 4.5" L

- return

1шт.

27

H514760

TUBE,0.5" OD

- upper port of valve to swing cylinder, left-hand

1шт.

28

H514778

TUBE,0.5" OD

- lower port of valve to swing cylinder, right-hand

1шт.

Ref: #28A (2) Female fittings - if needed use #23 Adapter p\n h514430- fittings on each end are 1/2" x 14 npsm.

1шт.

29

H514786

TUBE,0.5" OD x 6.125, 6.625" L

- lower port of valve to stabilizer cylinder, left-hand

1шт.

30

H514794

TUBE

- lower port of valve to stabilizer cylinder, right-hand

1шт.

31

H514455

TUBE,0.5" OD x 7.25, 6.125" L

- upper port of valve to stabilizer cylinder, left-hand

1шт.

32

H514463

TUBE

- upper port of valve to stabilizer cylinder, right-hand

1шт.

33

H51474

HOSE

- hydraulic, stabilizer cylinders, 9 inch (229 mm) long

4шт.

34

237-6008

O-RING,0.087" Thk x 0.644" ID, -908, Cl 6, 90 Duro

8-1, 90 Duro, .644" ID x .087" Thk

4шт.

35

218-5406

HYD CONNECTOR,7/8"-14 Male ORB x 1/2" NPSM

ADAPTER - straight, 1-1/16-12 O-ring x 3/4 inch str pipe thr

2шт.

36

237-6010

O-RING,0.097" Thk x 0.755" ID, -910, Cl 6, 90 Duro

10-1, 90 Duro, .755" ID x .097" Thk

1шт.

37

H514117

CYLINDER BLOCK

CYLINDER - stabilizer, parts list Figure 7-80

2шт.

38

H514125

CYLINDER ASSY.

CYLINDER - swing, parts list Figure 7-84

1шт.

39

321-3054

DECAL

- warning, backhoe operation

2шт.

Выбрано товаров: 40