Запчасти Case D130 (7-108) - BACKHOE FRAME AND SWING TOWER, USED ON 1835C, 1840 & 1845C UNI-LOADERS W/KONTAK OR DUKE VALVE (CONT)

Схема запчастей Case D130 - (7-108) - BACKHOE FRAME AND SWING TOWER, USED ON 1835C, 1840 & 1845C UNI-LOADERS W/KONTAK OR DUKE VALVE (CONT)
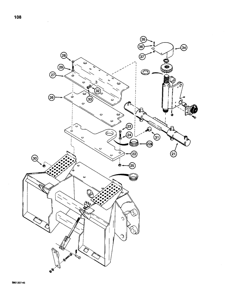
23
35
21
33
26
22a
31
37
28
27
24
34
22
32
25
36
30
29
FIT
1:1
100%

Артикул

Название

Примечание

Количество

21

H514125

CYLINDER ASSY.

CYLINDER ASSEMBLY - swing, parts list Figure 7-84, continued

1шт.

22

H672652

PLATE

- bearing mounting

1шт.

If bushing H434397, and bushing H436152 are not correct size, try part no.434718.

1шт.

Ref: #22A P/N h434397 Bushing

1шт.

23

113-712

BOLT,Hex, 3/4" - 10 x 2-1/4", Gr 5

2шт.

24

H426817

WASHER

- flat, 3/4 inch, hardened, special

2шт.

25

131-1131

LOCK NUT,3/4"-10, GA

NUT - hex lock, 3/4 inch NC

2шт.

26

H434386

LARGE PLATE

PLATE - mounting bracket

1шт.

27

H433142

LARGE PLATE

BRACKET - swing cylinder mounting

1шт.

28

113-717

BOLT,Hex, 3/4" - 10 x 3-1/2", Gr 5

4шт.

29

H426817

WASHER

- flat, 3/4 inch, hardened

4шт.

30

131-1131

LOCK NUT,3/4"-10, GA

NUT - hex lock, 3/4 inch NC

4шт.

31

H434525

GUIDE

- rack, swing, Serial Range: cylinder-bracket

1шт.

32

195-541

WASHER,5/8", SAE

- flat, 21/32 x 1-5/16 x 3/32 inch

1шт.

33

131-1171

LOCK NUT,5/8"-18, GB

NUT, LOCK, 5/8"-18, GB

1шт.

34

H672647

COVER

- gear

1шт.

35

413-516

BOLT,Hex, 5/16" - 18 x 1", Gr 5

- hex, 5/16 NC x 1 inch

2шт.

36

H426775

WASHER

- flat, hardened, special

2шт.

37

131-176

LOCK NUT,Prev Torque, Hex, 5/16" - 18, Gr A

NUT - hex, self-locking, 5/16 inch NC

2шт.

Выбрано товаров: 19