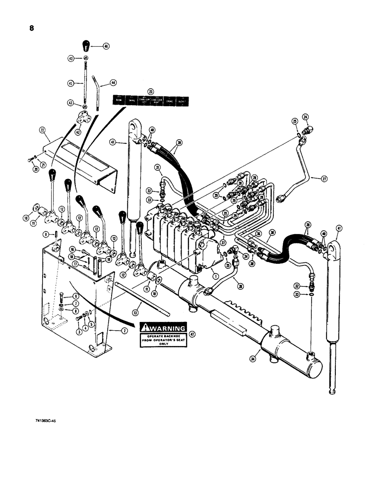
Запчасти Case D130 (7-008) - BACKHOE HYD. LINES, SWING CIRCUIT, STABILIZER CIRCUIT & CONTROLS USED ON BACKHOE SN P1520301 & AFT

Схема запчастей Case D130 - (7-008) - BACKHOE HYD. LINES, SWING CIRCUIT, STABILIZER CIRCUIT & CONTROLS USED ON BACKHOE SN P1520301 & AFT
12
33
43
39
11
27
4
35
12
40
12
32
28
41
2
33
44
29
28
8
46
36
40
25
43
16
41
42
29
5
26
21
39
25
37
32
29
23
18
34
7
17
30
31
12
47
9
13
22
12
6
3
19
45
24
11
10
24
1
20
28
10
38
FIT
1:1
100%

Артикул

Название

Примечание

Количество

1

H513788

LOCK VALVE

VALVE - control, parts list Figure 7-36

1шт.

2

H514588

SUPPORT

PLATE - valve mounting

1шт.

3

113-335

BOLT,Hex, 7/16" - 14 x 3/4", Gr 5, Full Thd

3шт.

4

192-22

LOCK WASHER,7/16"

WASHER, LOCK, 7/16"

3шт.

5

195-529

WASHER,7/16", SAE

- flat, 15/32 x 59/64 x 1/16 inch

3шт.

6

413-620

BOLT,Hex, 3/8" - 16 x 1-1/4", Gr 5

- hex, 3/8 NC x 1-1/4 inch

4шт.

7

492-11038

LOCK WASHER,3/8"

4шт.

8

495-11041

WASHER,0.406" ID x 0.812" OD x 0.065" W

(Flat, 13/32 x 13/16 x 1/16") 3/8", SAE

4шт.

9

138-98

LOCK PIN,3/16" x 1 1/4", Slotted

PIN, 3/16" x 1 1/4", Slotted

1шт.

10

REF

INSTRUCTION

WASHER - flat

2шт.

11

H50716

SPACER

- lever

2шт.

12

H191908

SPACER

- lever

5шт.

13

H50914

LEVER

SHAFT - lever

1шт.

16

H169318

CLEVIS COUPLING,6.35mm OD x 22.62mm L

PIN - clevis, 1/4 x 51/64 inch

6шт.

17

H35279

AXLE PIN,4.72mm OD x 23.76mm L

PIN - clevis, 3/16 x 57/64 inch

6шт.

18

132-328

COTTER PIN,1/16" x 1/2"

PIN, SPLIT (COTTER), 1/16" x 1/2"

12шт.

19

H219006

DRAG LINK

LINKS - lever

12шт.

20

276-24812

SELF-TAP SCREW,5/16" - 18 x 3/4"

SCREW, SELF TAPPING, hex head, 5/16 NC x 3/4"

4шт.

21

492-11031

LOCK WASHER,5/16"

WASHER, LOCK, 5/16"

4шт.

22

H50880

COVER

- valve linkage

1шт.

23

H102749

DECAL

- backhoe control

1шт.

24

218-5107

90 ELBOW,90 Degree Elbow, 7/8" - 14 Male JIC x 7/8" - 14 Male ORB

- 90 degree, 7/8-14 inch flare x adj O-ring boss

2шт.

25

237-6010

O-RING,0.097" Thk x 0.755" ID, -910, Cl 6, 90 Duro

10-1, 90 Duro, .755" ID x .097" Thk

1шт.

26

H593475

TUBE,0.625" OD

- return

1шт.

27

H593467

TUBE,0.625" OD

- pressure

1шт.

28

218-5059

HYD CONNECTOR,3/4"-16, 37 Degree x 3/4"-16, O-Ring

ADAPTER - straight, 3/4-16 inch flare x O-ring boss

6шт.

29

237-6008

O-RING,0.087" Thk x 0.644" ID, -908, Cl 6, 90 Duro

8-1, 90 Duro, .644" ID x .087" Thk

1шт.

30

H593418

TUBE,0.5" OD

- lower valve port to swing cylinder, right-hand

1шт.

31

H593400

TUBE,0.5" OD

- upper valve port to swing cylinder, left-hand

1шт.

32

218-5059

HYD CONNECTOR,3/4"-16, 37 Degree x 3/4"-16, O-Ring

ADAPTER - straight, 7/8-14 flare x 1/2 inch female PT(Replaces 218-465)

2шт.

33

237-6008

O-RING,0.087" Thk x 0.644" ID, -908, Cl 6, 90 Duro

8-1, 90 Duro, .644" ID x .087" Thk

1шт.

34

H514125

CYLINDER ASSY.

CYLINDER - swing, parts list Figure 7-84

1шт.

35

H593442

TUBE

- lower valve port to stabilizer cylinder, left-hand

1шт.

36

H593459

TUBE,0.5" OD

- lower valve port to stabilizer cylinder, right-hand

1шт.

37

H593426

TUBE

- upper valve port to stabilizer cylinder, left-hand

1шт.

38

H593434

TUBE,0.5" OD x 7.562, 5.562" L

- upper valve port to stabilizer cylinder, right-hand

1шт.

39

H268532

HYDRAULIC HOSE,9.52 mm ID x 254.00 mm, SAE 100R1

- Stabilizer cylinder 9.52 mm ID x 254.00 mm, SAE 100R1

4шт.

41

H514117

CYLINDER BLOCK

CYLINDER - stabilizer, parts list Figure 80

2шт.

42

H275255

CRANK LEVER

BELLCRANK - lever

6шт.

43

425-146

JAM NUT,3/8" - 16, Gr 5

- hex, jam, 3/8 inch NC

12шт.

44

H191924

LEVER

- stabilizer control

2шт.

45

H191916

ROD

LEVER - boom, dipper, bucket and swing control

4шт.

46

A14051

GRIP

KNOB - lever

6шт.

47

321-3054

DECAL

- warning

2шт.

40

237-6006

O-RING,0.078" Thk x 0.468" ID, -906, Cl 6, 90 Duro

6-1, 90 Duro, .468" ID x .078" Thk

4шт.

Выбрано товаров: 45