Запчасти Case D130 (8-024) - BACKHOE BUCKET CYLINDER HYDRAULIC CIRCUIT, USED ON 1835C, 1840 & 1845C UNI-LOADERS W/ DUKE VALVE

Схема запчастей Case D130 - (8-024) - BACKHOE BUCKET CYLINDER HYDRAULIC CIRCUIT, USED ON 1835C, 1840 & 1845C UNI-LOADERS W/ DUKE VALVE
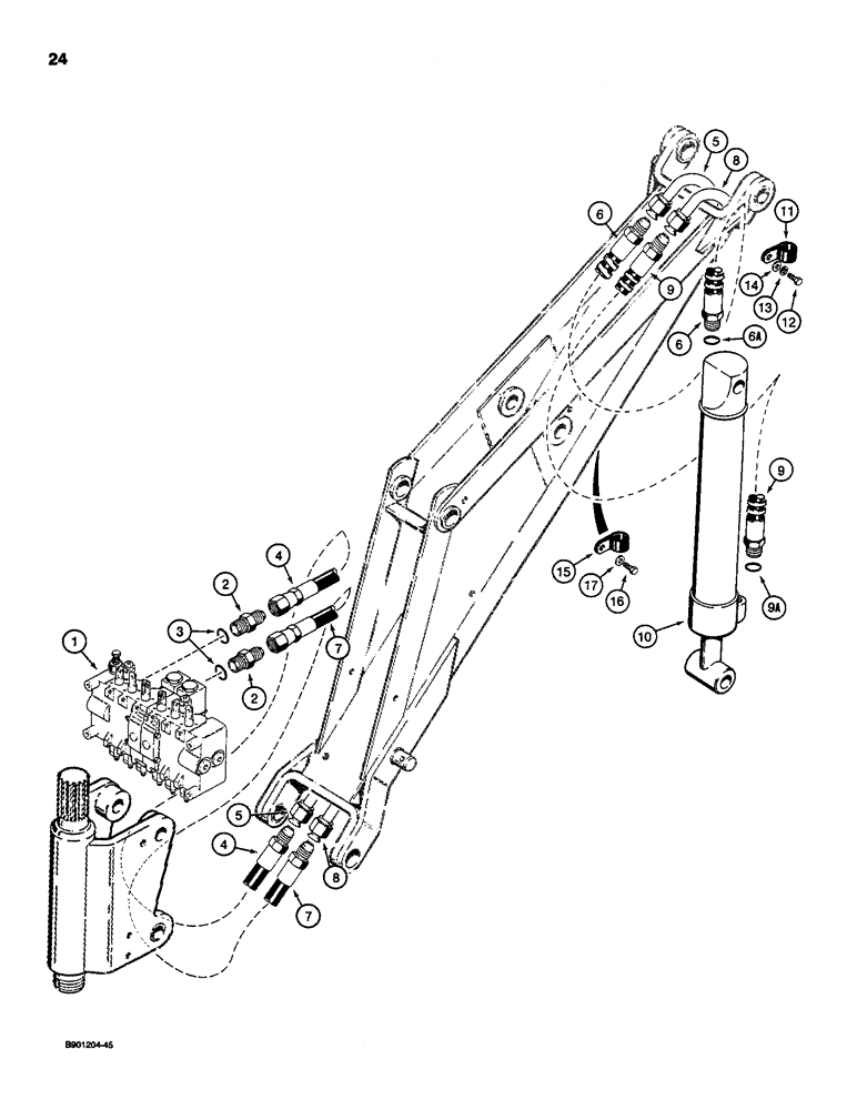
14
12
9
2
6
17
9a
15
4
3
5
13
4
10
6a
8
9
16
8
1
7
5
6
2
7
11
FIT
1:1
100%

Артикул

Название

Примечание

Количество

1

H674300

VALVE

ASSEMBLY - control, backhoe, parts list Figures 8-52 - 8-60

1шт.

2

218-5059

HYD CONNECTOR,3/4"-16, 37 Degree x 3/4"-16, O-Ring

ADAPTER - straight, 3/4-16 inch flare x O-ring boss, Incl. Ref 3

2шт.

3

237-6008

O-RING,0.087" Thk x 0.644" ID, -908, Cl 6, 90 Duro

8-1, 90 Duro, .644" ID x .087" Thk

1шт.

4

H434463

HOSE

- 1225 mm long, at control valve, to closed end of bucket cylinder

1шт.

5

H669911

TUBE,12.7 mm OD x 1410, 37 mm L

- intermediate, to closed end of bucket cylinder

1шт.

6

H383984

HOSE,9.50 mm ID x 1397.00 mm, SAE 100R1

Closed End of Bucket Cylinder, Includes: Ref. 6A 9.50 mm ID x 1397.00 mm, SAE 100R1

1шт.

6a

237-6008

O-RING,0.087" Thk x 0.644" ID, -908, Cl 6, 90 Duro

8-1, 90 Duro, .644" ID x .087" Thk

1шт.

7

H999017

HOSE - 1170 mm long, at control valve to rod end of bucket cylinder (replaces A167054)

1шт.

8

H669929

TUBE,12.7 mm OD x 1372, 12 mm L

- intermediate, to rod end of bucket cylinder

1шт.

9

H383976

HOSE,9.5mm ID x 1880mm L, SAE 100R1

at Rod End of Bucket Cylinder, Includes: Ref. 9A 9.50 mm ID x 1880.00 mm, SAE 100R1

1шт.

9a

237-6008

O-RING,0.087" Thk x 0.644" ID, -908, Cl 6, 90 Duro

8-1, 90 Duro, .644" ID x .087" Thk

1шт.

10

G100936

CYLINDER,Double Acting, 38.1mm Rod, 371.35mm Stroke

ASSEMBLY - bucket, parts list Figure 8-62

1шт.

11

H51763

CLAMP

- hose

2шт.

12

413-412

BOLT,Hex, 1/4" - 20 x 3/4", Gr 5

- hex, 1/4 NC x 3/4 inch

2шт.

13

492-11025

LOCK WASHER,1/4"

WASHER, LOCK, 1/4"

2шт.

14

195-518

WASHER,1/4", SAE

- flat, 9/32 x 5/8 x 1/16 inch

2шт.

15

H46888

CLAMP

- hose, at boom

1шт.

16

413-520

BOLT,Hex, 5/16" - 18 x 1-1/4", Gr 5

- hex, 5/16 NC x 1-1/4 inch

1шт.

17

H426775

WASHER

- flat, hardened

1шт.

Выбрано товаров: 19