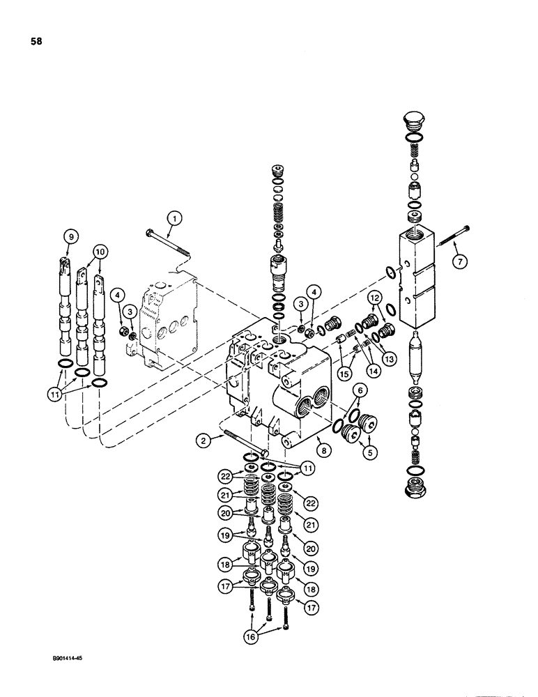
Запчасти Case D130 (8-058) - BACKHOE CONTROL VALVE - DUKE, OUTLET SETION, USED ON 1835C, 1840 & 1845C UNI-LOADERS

Схема запчастей Case D130 - (8-058) - BACKHOE CONTROL VALVE - DUKE, OUTLET SETION, USED ON 1835C, 1840 & 1845C UNI-LOADERS
15
2
21
21
9
16
12
19
3
8
6
10
17
22
20
1
7
17
18
11
22
3
18
4
20
4
5
19
13
14
11
FIT
1:1
100%

Артикул

Название

Примечание

Количество

H674300

VALVE

control, backhoe, manufactured by Duke, complete parts list Figures 8-52 - 8-60, Incl. Ref. 1 - 22 and 23 - 40 on Fig. 8-60

1шт.

1

414-448

BOLT,Hex, 1/4" - 28 x 3", Gr 5

hex, 1/4 NF x 3 inch

2шт.

2

414-436

BOLT,Hex, 1/4" - 28 x 2-1/4", Gr 5

2шт.

3

492-11025

LOCK WASHER,1/4"

WASHER, LOCK, 1/4"

4шт.

4

425-114

NUT,1/4"-28, G5

4шт.

5

86625138

PLUG,7/18" - 14

Includes Ref. 6 Hex Soc, 7/8"-14 ORB

2шт.

Ref: #5 Plug - Power beyond fitting H438953 in one port other port 218-5062. for Hydra-Bore Attachment for Dukes Valve.

1шт.

6

237-6010

O-RING,0.097" Thk x 0.755" ID, -910, Cl 6, 90 Duro

10-1, 90 Duro, .755" ID x .097" Thk

1шт.

7

461-31032

HEX SOC SCREW,#10 - 24 x 2"

hex socket head, No. 10 NC x 2 inch

4шт.

H674528

HYD VALVE SECTION

outlet, Incl. Ref. 8 - 22

1шт.

8

NSS

NOT SOLD SEPARAT

BODY - outlet section

1шт.

9

NSS

NOT SOLD SEPARAT

SPOOL - stabilizer

1шт.

10

NSS

NOT SOLD SEPARAT

SPOOL - dual control

2шт.

11

H438030

O-RING

spool

6шт.

H438024

SET

KIT - load check, Incl. Ref. 12 - 15

2шт.

12

NSS

NOT SOLD SEPARAT

PLUG - outlet section

1шт.

13

NSS

NOT SOLD SEPARAT

O-RING - plug

1шт.

14

NSS

NOT SOLD SEPARAT

SPRING - plug

1шт.

15

NSS

NOT SOLD SEPARAT

POPPET - plug

1шт.

H438021

SET

KIT - spring centering, Incl. Ref. 16 - 22

3шт.

16

461-31024

HEX SOC SCREW,#10 - 24 x 1 1/2"

hex socket head, No. 10 NC x 1/2 inch

1шт.

17

NSS

NOT SOLD SEPARAT

CAP - end

1шт.

18

NSS

NOT SOLD SEPARAT

SPACER - cap

1шт.

19

NSS

NOT SOLD SEPARAT

BOLT - shoulder, special

1шт.

20

NSS

NOT SOLD SEPARAT

SPACER - spring

1шт.

21

N9539

TENSION SPRING

1шт.

22

NSS

NOT SOLD SEPARAT

WASHER - flat, special

1шт.

Выбрано товаров: 27